为了满足大屏幕高档彩色电视机对图像清晰度及彩色艳丽的要求,康佳T2916、T2516型大屏幕彩电的视放输出电路采用共射—共基宽频带放大器,使视频放大器的带宽可达8MHz。输出基色信号的幅度可达100V\(_{PP}\)以上(本机要求不小于90VPP)。本文以康佳T2916型彩电为例介绍其电路的工作原理。
一、共射—共基宽频带视频放大器
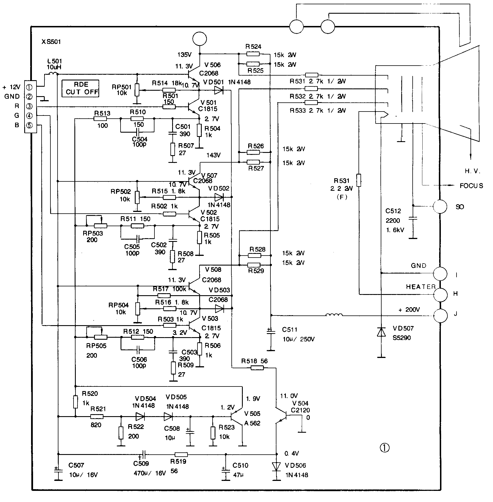
T2916A/N型机的视放输出电路如图1所示,由V501与V506组成R信号的共射—共基放大器;V502与V507组成G信号的共射—共基放大器;V503与V508组成B信号的共射—共基放大器。

从N301(TA8759BN)的输出的R、G、B三基色信号,经隔离电阻R364、R359、R361通过接插件XS301到CRT板的XS501的③、④、⑤脚分别加到共发射极放大器的V501、V502、V503的基极,基极电阻R501、R502、R503(均为1kΩ)及外部接地的C371、C370、C369(均为82pF)组成低通波波器(3dB点频率约为8.8MHz),用于限制高频电流并达到较好的阻抗匹配关系。三基色信号经放大后直接耦合到V506、V507、V508的射极,经共基极放大后(共基极放大器电流放大倍数小于1,并接近于1,由于输出等效负载电阻远大于输入电阻,因此共基极放大器的电压放大倍数近于10),由V506集电极输出-R信号,经隔离耦合电阻R531加到显像管红枪阴极K\(_{R}\);由V507集电极输出-G信号,经R532加到绿枪阴极KG;由V508集电极输出-B信号,经R533加到蓝枪阴极K\(_{B}\),分别调制显像管的KR、K\(_{G}\)、KB束电流,由于显像管控制栅G1直接接地,因此送入K\(_{R}\)、KG、K\(_{B}\)的三基色信号均为负极性(即-R、-G、-B),使屏幕发出红、绿、蓝基色光,空间混色成艳丽的彩色图像。R531、R532、R533主要为防止显像管软跳火时损坏视放输出管。
共发射极放大器具有较高的电压增益但高端频率特性差,因此必须在共发—共基组合视放电路的共发电路中进行高频补偿,用以扩展视放带宽。R510、C504、C501、R507为R信号放大器的高频补偿元件,扩展视放带宽;R511、C505、C502、R508为G信号放大器高频补偿元件,R512、C506、C503、R509为B信号放大器高频补偿元件。在设计中调整与电容串、并联电阻的阻值可调节放大器幅频特性的补偿段平、直度,以确保不欠补偿也不过补偿。
二、白平衡调整
N301(TA8759BN)输出的R、G、B信号被箝位在3.6V左右的直流电位上,即R、G、B输入到CRT板视频放大电路的输入端,加到R、G、B共射极放大器,V501、V502、V503的基极应有3.6V左右的直流电位(信号的直流分量),R、G、B信号直流分量与各管发射极直流电位一起决定共射极放大器直流工作点(502、V503交流电压增益可由RP503、RP505电位器进行调整),即可调整B、G信号输出的幅度大小,而V501的射极电位是固定不变的,即R信号输出幅度固定不可调节,由此可知本机视频放大器的输出以K\(_{R}\)阴极输入信号为基准,调RP503、RP505电位器改变B、G信号幅度可达到亮白平衡,因此,RP503、RP505电位器就是显像管亮白平衡调整电位器。
接插件XS501①脚输入+12V直流工作电压,经L501、C507去耦滤波后,分别加到R、G、B视频放大的共基极放大器V506、V507、V508的基极,作为基极偏置电压,其射极分别接有电阻与电位器RP501、RP502、RP504中点相连,可在12V电源与地之间调整,调节RP501、RP502、RP504可使V506、V507、V508射极电位作微量的变化,即变动静态的U\(_{beQ}\)(变动范围为0.47~0.65V)使V506、V507、V508可在放大状态或接近截止状态作一定范围的调整。输出端的直流工作点UCQ由显像管的截止特性决定,因为显像管控制栅G1接地,阴极电位越高,栅阴之间反偏越大,束电流越小,显像管屏幕亮度越暗,因此,调RP501、RP502、RP504就可调节R、G、B各枪阴极在束电流截止点时的电压,起到暗电流调整作用,即RP501、RP502、RP504为显像管的暗白平衡调整电位器。
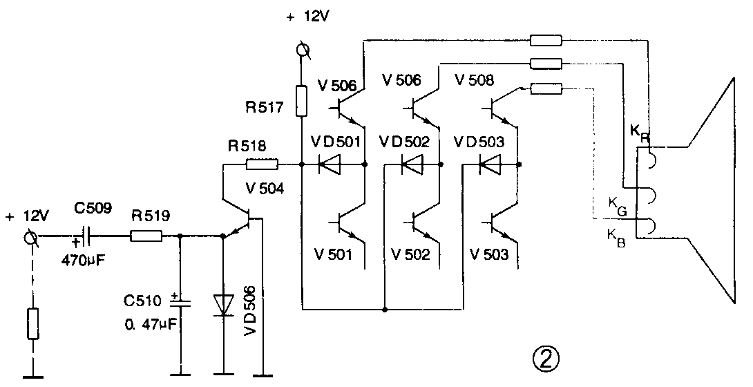
三、关机消除亮点电路

视放电路中关机消亮点电路如图2所示。V504、R518、VD501、VD502、VD503、R517及VD506、C509、R519、C510组成关机消亮点电路。正常工作时,+12V电源电压经C509、R519向C510充电,充电完成C510两端仅为0.5V左右;VD506为箝位二极管,视放正常工作时使V504射极电位为0.5V左右;因V504基极接地(0V),故V504反偏而截止,集电极I\(_{C}\)=0,通过R517使集电极输出为高电位 ;VD501、VD502、VD503阴极与阳极之间反偏0.5V而截止,因此,消亮点电路对视放正常工作无影响,另外因C509正端接+12V电源,负端通过R519接C510正端(仅0.7V),并通过VD506接地,C509在视放正常工作状态充有足够的电荷(C509两端处于稳态时的电压近于12V电源电压)。关机瞬间+12V电源断电,电压迅速下降,与此同时由于C509充的电荷左正右负,左边正(+)端通过R521、R522等外接电阻接地,右边负(-)端通过R519接C510上端,C509的放电电流通过V504基极-发射极、R519到C509负极,使C510上端为负,接地端为正,充上负电压,因C509的容量远大于C510的容量,此负压加于V504的射极,同时C509提供V504饱和所需的基极电流,促使V504立即饱和导通,集电极降为低电平,VD501、VD502、VD503导通,使V506、V507、V508射极电位降为低电位,V506、V507、V508基极-发射极间电位差加大而饱和导通,集电极电压下降,使显像管UKR、U\(_{KG}\)、UKB电压迅速下降接近为零,束电流增加,便显像管玻壳内外壁形成的高压滤波电容存储的电荷很快泄放掉,达到了关机瞬间消除关机后出现亮点的目的。
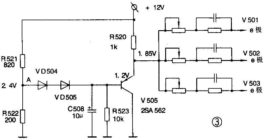
四、共射放大器的射极静态偏置电路
共射放大器V501、V502、V503的射极静态电位U\(_{eQ1}\)、UeQ2、U\(_{eQ3}\)偏置电压形成电路(即电压跟随器)如电路图3所示。由V505、VD504、VD505、R521、R522、C508、R523组成的有源滤波器即为V501、V502、V503的射极静态偏置电压跟随电路。R521、R522组成分压网络,经VD504、VD505降压至V505基极,Ub约为1.15V,其射极电压约为1.85V,作为共射放大器V501、V502、V503三只放大管的射极偏置电压源。共基极放大器的基极偏置电压直接由+12V电源提供,共基极放大管的基极经C507交流接地,因此对输入、输出信号而言V506、V507、V508为共基电路。

V505(PNP型管)作为视放其射放大器的射极静态偏置电压跟随器,因为视放共基极放大管V506、V507、V508的基极都接在+12V电源端点上,所以电源电压稍有变动,U\(_{beQ}\)就会变化而影响其静态工作点,使输出管静态集电极电位变动而影响荧屏的亮度。为此,采用图3的电路,使共射放大器射极偏置电压跟随+12V电源微量的变动,即+12V电源略有变化时,V501、V502、V503发射极电压跟随变化,确保共射—共基两只晶体管的UbeQ不随电源微量变动而变动,即可使V506、V507、V508的集电极静态电位不变。这样即可保证大批量产品性能的一致性,也可确保单机亮度不受电源电压微量变化的影响。VD504、VD505结电压(0.5~0.7V)随温度上升而减小,使V505射极电位上升,可补偿机放共射—共基放大器两只串联晶体管I\(_{CQ}\)随温度上升而增加造成静态工作点变化的影响,使视放末级放大器的温漂减小、工作稳定性大大提高。
五、视放电路的电源电压供给
视放电路工作所需的约200V直流电压,由行逆程变压器输出的行逆程脉冲经VD405整流,C417滤波再叠加在 B+(140V)电压上提供,并经由XS402③脚接CRT极(J)端(黄线引入),进入CRT板后由L502、C511去耦滤波加到共基放大器集电极负载电阻的一端,R524并联R525、R526并联R527、R528并联R529(均为15k/2W电阻)分别为V506、V507、V508的集电极负载电阻。由行逆程变压器灯丝电压绕组提供的有效值为6.3V交流灯丝电压,由接插件XS402②脚接CRT板(H)端(红线引入),在CRT板上灯丝电压的提供需串联R530(2.2Q/2W)加到显像管的灯丝。如果在维修中更换行逆程变压器、调整逆程电容、更换显像管等,需用有效值电压表检测灯丝电压,使其在6.3Vrms(有效值)±5%范围内,可变更R530的阻值来达到。显像管工作所需加速极电压、聚焦极电压、阳极高压等均由行逆程变压器提供,直接加到显像管有关各极。
六、T2516型机视放输出电路的特点
T2516型机的视放输出电路与T2916型机的视放输出电路基本相同,其中有三处不同(参见图4),现简述不同之处的工作原理。

1.场逆程消隐信号注入:为避免在场扫描逆程期间,屏幕上出现行扫描线,从场输出集成电路N401(AN5521)⑥脚输出场逆程脉冲,通过R422由插接件XS403④脚送入CRT板插接件XS501④脚。V507、VD501、VD502、VD503、VD506、R526、R527、R528组成场逆程消隐电路。场逆程正脉冲经过R528、R527加到V507基极,使V507在场逆程期间饱和导通,由于V507集电极直接接+12V电源,因此在V507饱和导通时发射极电位上升到近于+12V,使VD501、VD502、VD503导通,共发视放管V502、V504、V506在场逆程期间截止。共基视放管V501、V503、V505亦截止,其集电极将出现高电位,即K\(_{r}\)、Kg、K\(_{b}\)为高电位,电子束截止,达到了场逆程期间消隐的目的。由于AN5521⑥脚输出的场逆程脉冲电压峰峰值达30VPP,所以在消隐电路接有箝位二极管VD506,使场逆程脉冲经过R528与R527之间被箝位的正峰值不超过12.7V,避免损坏V507缓冲放大器。
2.暗白平衡电位器RP501、RP503、RP505接在共发视放管的发射极与地(底板)之间,当使电位器阻值向增大方向调节时,发射极总电阻R\(_{e}\)增大,Ube减小,I\(_{CQ}\)减小,V501、V503、V505的集电极电位将上升,电子束电流减小,反之,电子束电流增大。
3.关机消亮点电路的V509集电极接在共发放大器射极偏置电压跟随器V508的基极,当关机瞬间V509发射极出现负电压,V509发射极—集电极饱和导通,使V508基极出现低电位,V508为PNP管,因此基极为低电位时V508饱和导通,发射极为低电位,使共发视放管V502、V504、V506的发射极电位下降而饱和导通,同时共基极放大管V501、V503、V505亦饱和导通,其集电极电位下降,使显像管U\(_{GK}\)电位差减小,电子束电流增加,以致存储的高压电荷迅速泄放掉,避免关机后屏幕出现长时间亮点的现象。(张传轮)