本文介绍的三位半数字表头,采用面积为65mm×30mm的大型液晶显示屏,主体字高21mm,具有13种测量单位、7种测量功能和3位小数点等字符显示,如图1所示。该表头工作电压9V,电流小于1.5mA,满量程输入灵敏度为200mV,输入阻抗大于10MΩ,通过简单变换,可以灵活地构成各种功能的测量表头,在制作各种家用电器时,例如调压器、逆变器、可调稳压源,用它取代指针式表头,具有直观数字显示、读数准确、安装容易、使用方便等特点。

一、使用方法
(1)供电端和测量输入端:表头后面板见图2,电源输入端使用9V电池,或在制作的电器内部直流电源经78L09稳压电路获得,测量端将引至以下介绍的各种功能变换输出端。

(2)各功能、单位等字符的使用:后板上部有25条设定线,它们各自代表的字符见附表。使用时将所需字符对应的竖线条接至下边横线上即可。例如显示220V交流电压时,需将8、21两条竖线连至横线上,按以下介绍的电路测量220V市电时,表头将显示“AC220V”字样。

二、几种常用测量变换电路
由于该表头实际上是一个0~200mv的直流电压表,若要测量较高电压,应串接电阻分压测量,需测电流时则应在输入端并联分流电阻。总之,是将待测的各种信号最终转换成0~200mV的直流电压输入该表头,就能够实现各种物理量的测量。因篇幅所限,下面仅介绍几种常用的制作。
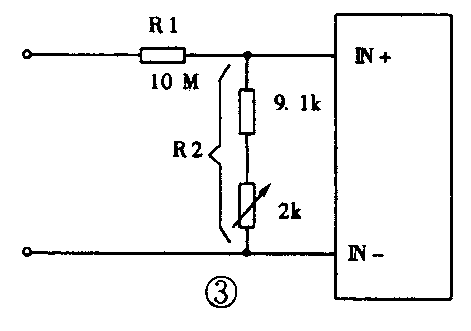
(1)0~200V直流电压表:电路见图3,小数点置20脚,测量原理是将200V的直流电压经R1、R2分压后,在R2两端取得最大分压值199.9mV输入至表头的测量输入端,分辨率为0.1V,测试超过199.9mV时,表头仅显示“1”。测量精度与普通三位半数字电压表同级,已满足一般电压检测、维修、监测等场合使用。

(2)0~2A直流电流表:电路见图4,只需在表头输入端并联一只电阻作分流,即可测量2A以内直流电流。小数点位置连接18脚,最大显示1.999A,分辨率为1mA,测量精度也与普通数字电流表相当。当以10倍率增大R1阻值,可测量毫安以至微安级小电流。而当减小R1阻值时,则可测量20A或20A以上的电流值。

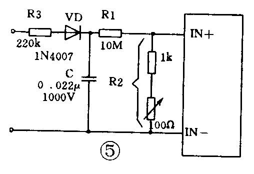
(3)1V~1000V交流电压表:电路见图5,其转换分两部分:R1、R2组成1/10000比例的分压器,R3、VD、C构成简单的ADC交换器。R3主要起限流保护作用,对测量精度无影响。C起滤波作用,按图中所给容量,能使变换后的直流电压有效值等于输入端交流电压有效值,即测量220V50Hz交流电时,C两端便得到接近220V直流电压,经分压后R2端得到22mV测量电压。在不使用小数点时,便直接显示“220”字符,分辨率为1V。适合作220V市电监测及380V动力电压测量,也适合调压器、逆变器等作输出电压显示。

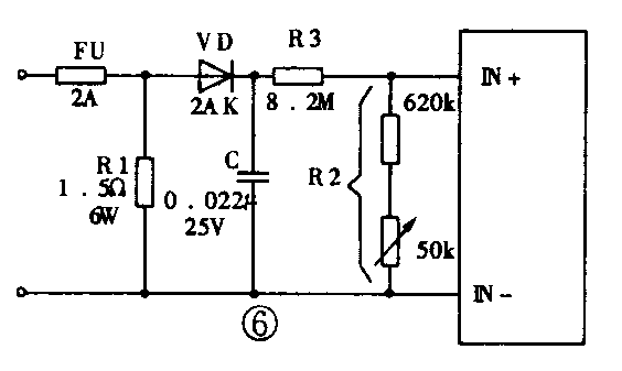
(4)0.1A~2A交流电流表:电路见图6,转换电路也分ADC变换和DC分压两部分。因属简易锗质二极管低压整流变换,因此分流电阻值取值略大, 0.1A以下误差值偏高,但作一般测量仍能超过指针式仪表的普通精度。调试时分别测试0.5A和1.5A两个已知电流,微调50kΩ分压电阻和少量增减电容容量,使表头输入端基本达到50mV和150mV即可投入使用。小数点置18脚,最小分辨率1mA,适合交流供电的家用电器作电流、功率的测量,也可作交流电源的负载电流表使用。有关减少或增大电流量程,可参考前面直流电流表的介绍。

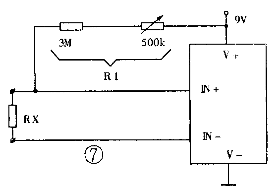
(5)0.1kΩ~200kΩ电阻表:电路见图7,从表头+9V端串接一可调电阻和固定电阻至IN+端,即可测试外部电阻值。测试端开路时,IN+端电位被上拉溢出,表头显示“1”,短路时显示“000”,当小数点置20脚时最大读数为199.9kΩ,最小分辨率为100Ω。适合一般电子元器件的测量和判断电路的通断状况。

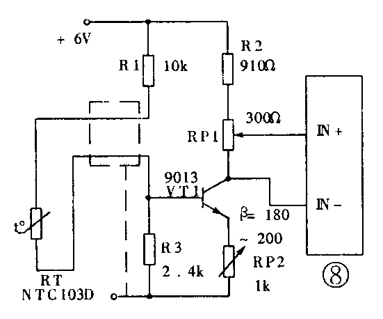
(6)5℃-100℃温度表:见图8,调试时用冰水及沸水,细调RP1和RP2,使之低端尽量接近0℃,高端为100℃。使用误差为±2%,适合孵化场,酒、糖发酵时作温度显示。

三、使用注意事项
(1)当表头使用自制的机内稳压电源时,应注意机内变压器初、次级间耐压必须大于测量电路中的最高电压值。(2)表头使用了大规模CMOS集成电路,焊接时要将烙铁外壳接地。(3)后板上的取样微调电阻在出厂时已调好,请勿再调节。(4)图5~图8属简易变换应用,仅供测量精度要求不高的固定量程场合使用,当要求高精度测量时,应加运算放大器进行比例转换。(5)数字表头如安装在大磁流环境下或者空气潮湿时,其功能或单位字符可能出现闪瞬现象,这时,应把25条设定线不接入之空脚引至接地端。(蔡凡弟)