双向可控硅是一种硅可控整流器件,也称作晶闸管。这种器件在电路中能够实现交流电的无触点控制,以小电流控制大电流,具有无火花、动作快、寿命长、可靠性高以及简化电路结构等优点。因此,它被广泛应用于电机调速、调光、调压、调温以及各种电器过载自动保护等电子电路中。
双向可控硅的规格、型号、外形以及电极引脚排列依生产厂家不同而有所不同,但其电极引脚多数是按T1、T2、G的顺序从左至右排列(观察时,电极引脚向下,面对标有字符的一面)。目前市场上最常见的几种双向可控硅的外形及电极引脚排列如图1所示。


双向可控硅的电路符号如图2所示。当给控制极G加上一个触发脉冲时,双向可控硅即进入导通状态,此时即使断开控制极,导通状态仍然不变,这就是其开关作用的主要特征。改变触发脉冲的大小或时间,就能改变其导通电流的大小。当改变触发脉冲的极性(正或负)时,其导通方向就随着极性的变化而改变,从而最终实现对交流电负载的控制。这是与单向可控硅的本质区别:单向可控硅经触发后只能从阳极向阴极单方向导通。单向可控硅的电路符号如图3所示。

在实际应用或是诊断电路故障时,常需要判别双向可控硅谷电极的极性及其性能的好坏。下面介绍业余条件下的简易判别方法。
极性的判别:将万用电表量程开关置于“R×1”(或“R×10”)挡,用黑表笔固定接一电极,用红表笔分别去测另两个电极,当测得的两个阻值都是无穷大时,那么黑表笔所接电极就是T2。若测得的阻值不全为无穷大,则应将黑表笔换接另一个电极再测。判别了电极T2后,用两只表笔测T1和G两极,再调换表笔测一次,比较两次测得的结果,测得阻值较小时,黑表笔所接电极就是T1,红表笔所接电极就是控制极G。
好坏的判别:在已知各电极极性的条件下,将万用电表置“R×1”挡,黑表笔接G,红表笔接T1,测得阻值为几十欧姆(因功率不同,其阻值略有偏差),红表笔改接T2,阻值应无穷大;然后再将黑表笔接T1,红表笔接G,测得结果应为几十欧,再将黑表笔改接T2,阻值也应无穷大。用两只表笔测T1、T2两极之间的电阻,再调换表笔测一次,两次测得的阻值均应无穷大。测量结果若满足上述要求,一般可以判定该器件是好的。如果G与T1之间的电阻等于零,或G与T2、T1与T2之间的电阻都很小,就表明器件内部已击穿或短路,如果G与T1之间的电阻为无穷大,则表明器件内部断路。
在实际应用中要注意的问题:(1)双向可控硅通常有耐压、额定导通电流、触发电流、漏电流和电压降等参数,其中前两项在应用中最为重要。例如用其控制灯泡,由于灯泡未亮时灯丝电阻很小,点亮瞬间,冲击电流要比正常工作时的电流大10~20倍,一旦选用管子参数时未留有足够的余量,就有可能使管子受大电流冲击而损坏。(2)注意散热问题。双向可控硅与普通晶体管一样,受温度影响很大,温度过高将容易产生误动作,甚至烧毁器件。安装时应加装足够大的散热器。(3)当维修电器需要购买新的双向可控硅来代换已经损坏的时,事先应根据所带负载的功率核实原管子的耐压和额定导通电流,同时判准新器件电极极性是否与原来的一致。(4)因工作状态不同,一般单向可控硅不能替代双向可控硅。

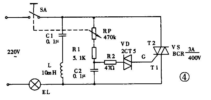
为便于初学者的学习和实践,下面介绍双向可控硅应用的一个典型实例——家用调光台灯控制电路。电路如图4所示。该电路元件少、体积小,控制范围宽。只要将双向可控硅换为大功率的,就可适用于实验室、控制台、舞台等场合。工作原理:合上开关SA后,电源电压经RP、R1向C2充电,当C2两端电压上升到一定数值时,VD导通,G获得触发信号使VS导通,即灯泡点亮;当加在T1、T2两极之间的电压过零时,VS关断,灯泡熄灭。调节电位器RP可以改变C2的充电速率,即改变VS的导通角,使灯泡两端电压也随之增大或减小,达到无级调光控制的效果。电路中的L、C1是为防止器件导通时产生的高次谐波串入电源回路干扰其它电器而设置的吸收回路。元器件选择:RP为带开关电位器,VD是专门用于形成触发脉冲的双向二极管,EL为功率小于60W的灯泡。其它元件按图中标出的参数选择即可。(刘春江)