本文介绍的PAL制彩条视频电视信号发生器全部采用通用集成电路和通用元器件,设计思路新颖简捷,彩色全电视信号稳定规范,电路的调试量很小,非常便于读者实验制作。
一、主要技术指标
1.输出:PAL制峰峰1V
2.彩条:白、黄、青、绿、紫、红、蓝、黑
3.色同步:4.433618MHz;位置:中心距行同步前沿6.4μs;宽度:3.2μs
4.行消隐:12.8μs,行前肩:1.6μs
5.行频:15625Hz,宽度:4.8μs
二、电路工作原理
PAL制彩色全电视信号(FBAS)是由亮度信号Y和色度信号F组成,色度信号包含Fu(0°)和Fv(90°)色度分量,其中Fv信号分量逐行倒相,压缩后的100/0/75/0标准彩条信号有关数据见附表。

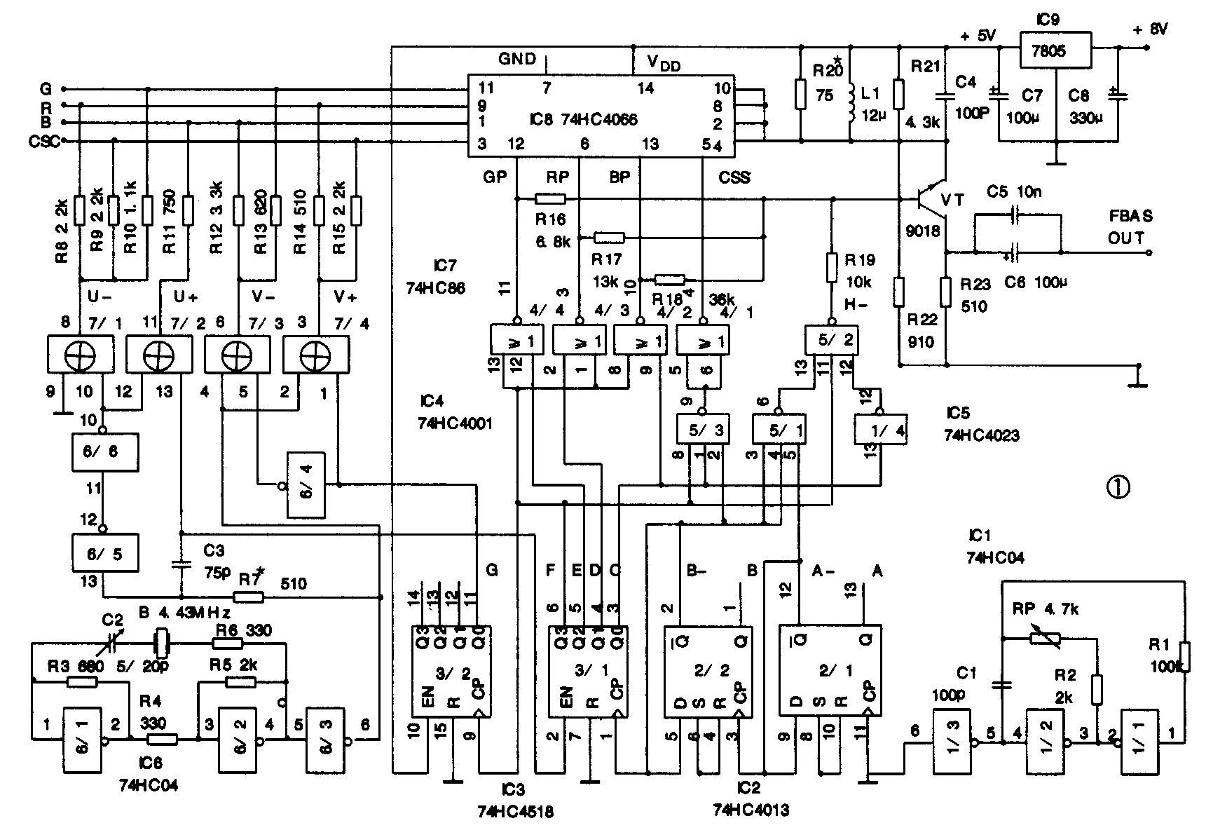
彩条视频信号发生器的任务就是在特定的时间产生特定相位和幅度的色副载波和亮度信号。它由时序形成电路、彩色信号形成电路、亮度信号形成电路和视频信号形成电路四部分组成,如图1所示。

1.时序形成电路
时序形成电路的作用是产生行同步、行消隐、色同步脉冲及彩色矢量开关控制信号(RP、GP、BP)。
振荡时钟由IC1/1和IC1/2等组成,频率为1.25MHz。经IC2/1、IC2/2、IC3/1、IC3/2分频后形成几A-、B、B-、C、D、E、F、G脉冲信号,波形图参见图2。其中G信号作为逐行倒相所需的半行频控制信号,F信号分别同C、D、E信号通过或非门IC4/2、IC4/3、IC4/4后,输出消隐期间无输出的RP、GP、BP彩色矢量开关控制信号。F、C、B-经与非门IC5/3后,再经IC4/1反相形成宽度为3.2μs的正向彩色副载波控制信号(CSS)。A-、B-、C、F信号经门电路IC5/1、IC1/4、IC5/2逻辑处理,形成具有1.6μs行前肩,宽度为4.8μs的负向行同步信号(H-)。由于行消隐信号F已经包含在各控制信号之中,所以,后级电路不再需要单独的行消隐信号。

2.彩色信号形成电路
彩色信号形成部分的作用是产生频率相同但相位相差90°的副载波矢量信号:V-(270°)、V+(90°)、 U-(180°)、U+(0°),而V分量要实现逐行倒相,经电阻矩阵电路形成PAL制红、绿、蓝及副载波彩色矢量信号,最后再合成全色度信号。
该部分电路全部采用集成电路,首先,由IC6/1、IC6/2组成稳定的4.433618MHz彩色副载波石英晶体振荡器,经IC6/3缓冲后分两路输出:一路经R7、C3积分形成90°相移,再经IC6/5、IC6/6整形后送至IC7/1和IC7/2进行对称相位变换,在输出端形成U-、U+彩色矢量信号;另一路直接送至IC7/3和IC7/4的一个输入端,由于IC7/3和IC7/4的另一输入端分别接有反相180°半行频控制信号,所以输出端便形成了逐行倒相的V-、V+彩色矢量信号。
最后,U-、U+、V-、V+四个副载波矢量信号送入由R8~R15组成的编码电阻矩阵进行矢量合成,形成红、绿、蓝和色同步彩色矢量信号,而后送至四模拟开关IC8的输入端,在RP、BP、GP、CSS开关信号控制下,输出端2、4、8、10形成全色度信号,最后由L1、C4、R20组成的并联谐振选频电路,滤除直流分量后加到VT的集电极。R8~R15电阻值可由下式计算:
Rv=(5V-Vx)×R0/Vx×Sinx
Ru=(5V-Vx)×R0/Vx×Cosx
其中Vx、x为相应色度信号的振幅和相位,R0=R20=72Ω(实际选用75Ω),计算结果如果为负值,说明该电阻接U-或V-。 3.亮度信号形成电路
亮度信号形成电路的作用是产生八级阶梯波亮度信号。电路中直接利用形成彩色矢量开关控制信号BP、RP、GP和行同步脉冲(H-)送至由电阻R16~R19组成的加法矩阵,形成峰峰值1V的亮度信号,最后送至VT的基极。
R16~R19的计算依据是亮度公式:Uy=0.30RP+0.59GP+0.11BP,计算公式为:Rx(kΩ)=(5V-1V)/(Ux/R22),式中,5V为电源电压,1V为VT的压降,Ux分别为0.30V、0.59V、0.11V,同步信号取0.4V,R22取1k,实际取910Ω。理论上讲,这种简单电阻矩阵存在相互串扰问题,但由于R22取值相对较小,因此对亮度信号的影响可以忽略。
4.机频信号形成电路
视频信号形成电路的作用是将已经产生的色度信号、亮度信号、色同步信号、行同步信号、行消隐信号按照视频信号要求,以适当的比例进行合成,最后形成高质量的负极性彩色视频全电视信号。
此功能由VT完成,VT接成射级输出器形式,其色度信号由集电极馈入,亮度信号、同步信号均由基极馈入,全电视信号由发射极输出。
三、电路的安装调试
本电路由于全部采用通用元器件,只要元器件选择无误,线路连接正确,最后的调整非常简单,如有条件,可以借助示波器,一般只要用有视频输入端的彩色电视机即可调试成功。调试步骤如下:
(1)行频调整:接入电视机后,应能收到灰度信号或彩条信号,如果行不能同步,可调整RP使电视机稳定同步。如果收不到信号,说明电路安装有误,应作仔细检查,必要时用示波器检查各点波形。
(2)彩色副载波频率调整:第一步完成后,微调半可变电容C2使电视机收到稳定的彩条信号,如果收不到彩条信号,应检查振荡器是否起振,IC7是否工作正常,L1、C4是否选择有误。
(3)色饱和度调整:电视机收到彩条信号后,如果色度弱,可适当增大R20的阻值,如果色度过强,可适当减小R20的阻值。
(4)彩条颜色偏差调整:如果收到的彩条普遍偏色,可能是副载波90°相移不准确,可将R7换成1k的半可变电阻,观察电视接收效果,仔细微调,最后再换成固定电阻。
此电路已经实际装调成功,除无场同步信号外,其它效果均比较理想。(张群宜)