实现温度测量和控制的关键是选择合适的温度传感器。传统的温度传感器如热电偶、金属热电阻、半导体热敏电阻、温敏二极管和温敏晶体管等虽然各有特色,但其输出与温度一般为非线性关系,需作线性化处理。集成温度传感器解决了传统温度传感器的非线性问题,具有使用方便、线性度好、稳定性好等优点,但大部分集成温度传感器输出信号都为模拟量,不能与计算机直接接口。
一些厂家将原来由外围电路构成的采样、放大、控制逻辑、ADC电路,甚至包括多路开关、ROM、寄存器等与集成温度传感器直接做在一起,实现了温度传感器的数字化,被广泛应用于数字化温度测量、温度自动控制等方面。本文将对一些新型数字化接口温度传感器作一介绍,并举例说明它们的典型应用。
一、新型数字温度传感器
一些新型数字温度传感器型号、生产厂家、精度、测温范围、性能等见表1。

二、应用
达拉斯公司的DS1820是一种9位串行输出单线多点温度传感器,它与一般器件不同的是它所需电源可由数据线本身提供,无需单独电源也能工作,可单线工作。DS1820可通过编程片内的非易失性寄存器设置高、低温设置点。DS1820在片内ROM有唯一的64位串行序列号,因此多个DS1820可以存在于同一条单线总线上,这允许在许多不同地方放置温度传感器。适合应用于环境控制,建筑物、设备或机械装置内的温度检测,以及过程监视和控制中的温度检测。用DS1820实现温度测量可见文献2。DS1821单线数字温度控制器与DS1820基本相似,但DS1821存储在片内非易失性存储器中的高、低温度设置点及温度迟滞可编程,并且DS1821不支持多点应用。
达拉斯公司的DS1621为两线制串行接口数字温度计及温度控制器IC,它可提供9位温度数据和用户可设置的温度设置点。达拉斯公司的器件用户设置是非易失性的,这样用户可在器件插入系统前预先对器件编程而不会将设置丢失。通过执行一些有效代码可得到高于9位的分辨率。DS1624为带256字节用户可编程的EEPROM的两线温度传感器,其命令代码与DS1621相似,可方便应用于温度补偿调节设计。达拉斯公司并对DS1620进行了改进,使其能工作于2.7V到5.5V工作电源。
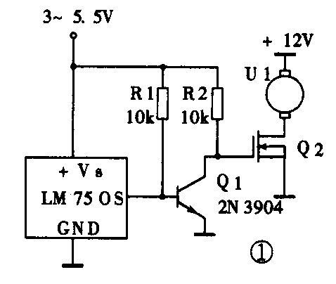
国家半导体公司的LM75使用9位Δ-∑ADC将带隙温度传感器的模拟输出数字化。主系统可通过I\(^{2}\)C接口编程器件内的寄存器设置温度设置点及迟滞,这两个指标的缺省值分别为80℃和75℃。图1为利用LM75的缺省配置实现的简单风扇控制应用,可通过其I2C接口编程改变设置点,并将报警输出设置为高电平有效以去掉NPN晶体管。

在许多应用场合,过压、过流、温度过高或者风扇的故障都将影响系统的可靠工作,甚至引起严重后果。因此,系统必须对这些参数进行监视,这可通过LM78或LTC1392通用监控芯片实现。
通用监控芯片LM78包含一个8位Δ-∑ADC、7路多路开关、带隙温度传感器及两个用于适应负极性输入的运放。LM78还有三个带计数器的转速计输入接口用以确定风扇转速。多路开关可用于输入如12V、5V、3.3V、2.5V、-5V、-12V等须监视的电源,也可用于其它需要监测信号的输入。通过芯片的ISA或I\(^{2}\)C接口可设置各路的报警门限,当任一路电压、温度或风扇速度超过预先设置的门限时将产生报警。
LTC1392也是一种监控芯片,片内有一个10位ADC监视电源、温度和差分输入电压。对于温度测量,ADC的输出代码线性正比于摄氏温度。差分输入电压测量功能可方便地用于电流测量。图2为LTC1329与微控制器接口实现温度、5V电源电压和负载电流的测量。

模拟器件公司的TMP03(集电极开路)与TMP04(CMOS/TTL兼容)数字温度控制器采用脉宽调制方式产生一可由微处理器直接读的输出。它的输出为35Hz方波,占空比与摄氏温度关系为:
(235~400)t\(_{H}\)/tL
t\(_{H}\)与tL分别为对应方波的高电平与低电平脉宽。
温度分辨率与用于测量高、低电平脉宽的计数器位数有关,12位计数器工作于94kHz时温度分辨率为0.284℃;14位计数器工作于376kHz时温度分辨率为0.071℃。
TMP03/TMP04虽然可与微处理器直接接口,但由于它还需计数器计数,且还需计算,使用不太方便。(陈万春)