接口技术是微机技术学习和应用中的重要内容,也是广大微机硬件爱好者感兴趣的内容之一,本文介绍笔者设计的一种廉价的多用途PC机接口实验卡,此卡插入PC机的一个ISA槽,可做常见的A/D、D/A、PIO接口实验,也可作为一般工业控制接口使用。
一、设计原理介绍:
这块实验卡所采用的器件是大多数接口技术教材中都有详细介绍的通用器件,在设计原理上分为三个模块:口地址译码器和缓冲器模块,A/D、D/A模块,PIO模块。
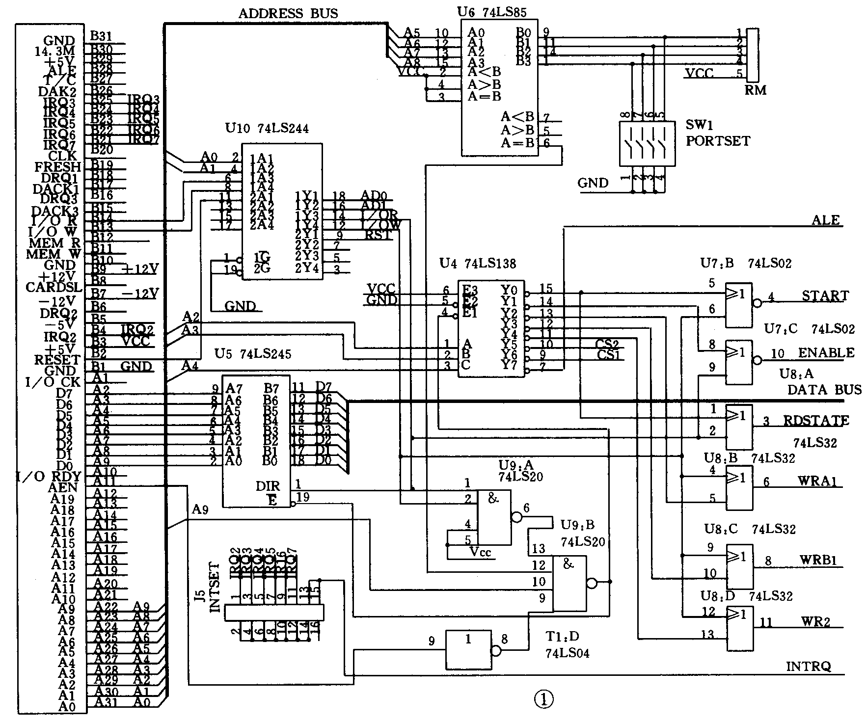
1.口地址译码器和缓冲器模块。口地址译码器和缓冲器模块的电路见图1。

U5(74LS245)是双向数据缓冲器,用来缓冲ISA总线槽与各个器件之间的八位数据信号,U10(74LS244)是单向缓冲器,用来缓冲ISA总线槽上的A0、A1两根地址总线及I/O R、I/O W、RST三根控制总线。
U6(74LS85),U4(74LS138)、U9(74LS20),U7(74LS02)的B、C两个门,U8(74LS32)的B、C、D三个门,以及打码开关SW1组成口地址译码器,该接口实验卡需占据连续的32个口地址,使用SW1可以设定这32个口地址在200H-3FFH之间的位置。在PC系列机中,300H—31FH这32个口地址一般都是保留给实验卡的,因此可以把口地址的起始地址设为300H,这样300H—31FH这32个口地址分配如下表:


2.A/D、D/A模块
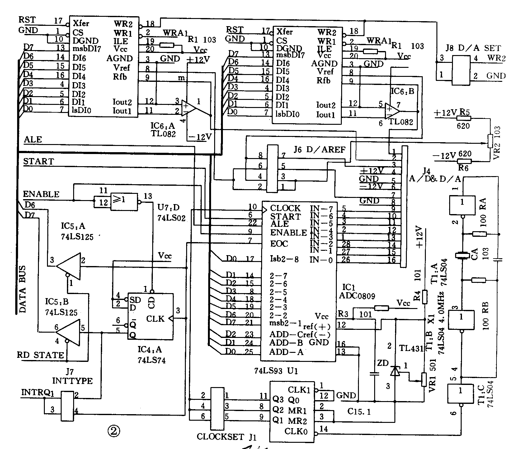
A/D、D/A模块的电路图见图2。

A/D器件采用一块ADC0809芯片,这是一种八位精度八通道A/D芯片,精密稳压源TL431给A/D芯片提供参考电压,电位器VR1用来调节参考电压的高低,T1的三个门和石英晶体X1组成时钟振荡器,产生的4MHz时钟经过U1(74LS93)分频后给IC1(ADC0809)提供1MHz、500kHz、250kHz采样时钟,经J1跳线选择不同的采样时钟频率。IC1(ADC0809)的转换完成信号EOC一路经三态门IC5(74LS125)挂到数据总线D6,另一路经D锁存器IC4(74LS74)锁存后再经三态门挂到数据总线D7,并且用J7的跳线选择这两个信号之一作为中断源信号挂接到ISA总线的中断请求线上,以适应CPU用查询和中断两种方式读入转换后的数据,是否允许A/D芯片发出中断请求以及占用的中断号可由J5的跳线选择。
D/A芯片采用了两块双缓冲结构的DAC0832,其基准电压可通过J6跳线选择是由板上提供还是由外线输入,当由板上提供时可用VR2调节基准电压的极性和大小。双运放IC6(TL082)分别把两路D/A信号放大后输出。通过J8的跳线可选择两路D/A是否采用双缓冲输出结构,当采用双缓冲输出结构时配合软件指令可使两路D/A同步输出,这在推动示波器等模拟设备时是很有用的功能。
A/D和D/A芯片与ISA总线的接法是典型的接法,一般书籍都有介绍,本文不再赘述。A/D、D/A芯片的输入输出信号,+12V、-12V电源以及地信号通过一个15芯D型插座与机外连结,当做A/D、D/A闭环控制等一些实验时很方便。
3.并行输入输出(PIO)模块
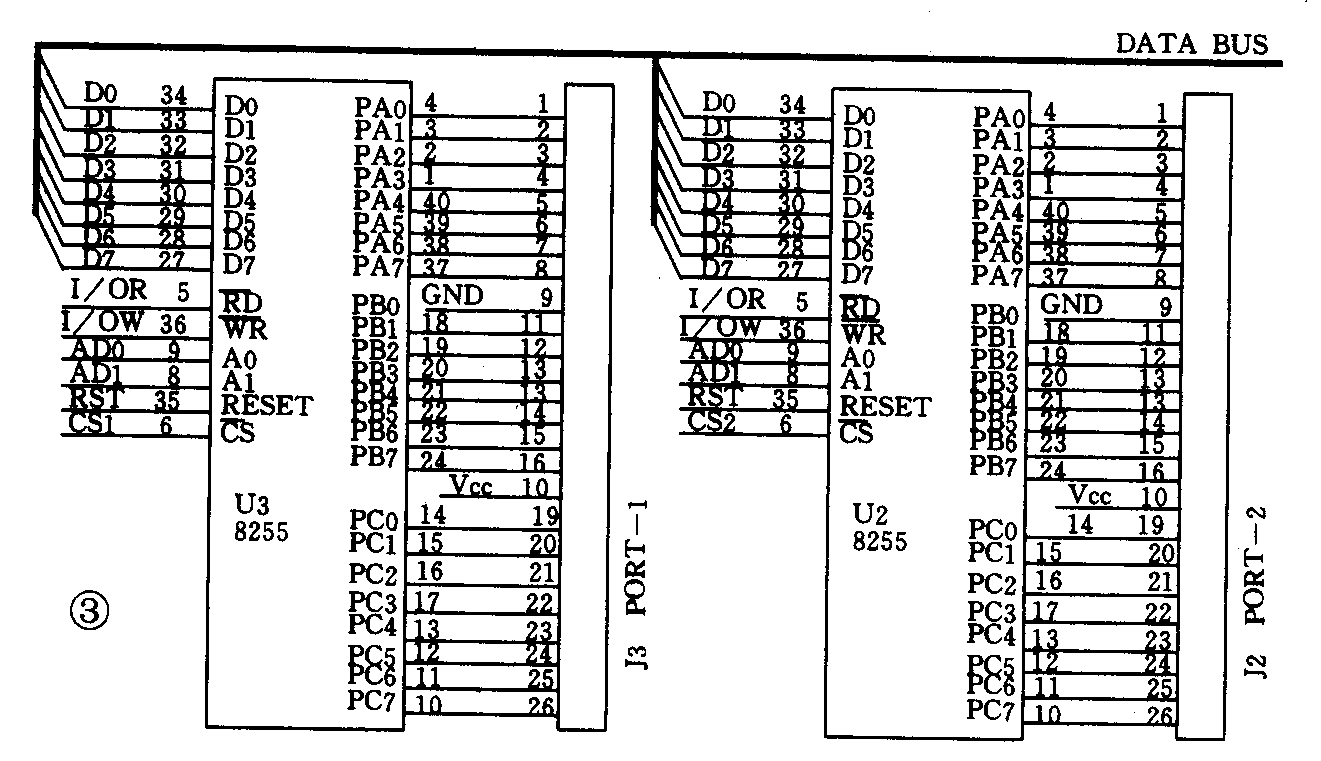
该模块的电路图见图3。

这个模块采用了两块8255芯片,每块芯片集成有三个可编程八位并行口,因此可提供48个开关量的控制或6个八位的并行口,通过对8255的编程控制可以使这6个口工作在输入或输出状态。48根输出输入线分别通过两个25芯D型插座与外部设备连结。
二、如何应用实验卡做实验
由于该实验卡的功能较齐全,并且A/D、D/A及PIO芯片需与外部设备连结的端子和+12V、-12V、+5V三种电源都通过D型插座引出机外,所以可很方便地设计出一些实验。
对于一些较简单的实验,如D/A输出、A/D输入、并行口输入输出,只须正确连接三个D型插座的相应引线即可;对于那些需添加一些器件构成附加电路的复杂实验,应准备一块适当大小的面包实验板,在面包板上搭附加电路。并且应先调好附加电路再与实验卡相连接。如果附加电路的功耗较大,最好使用另外的附加电源,这样一方面可减少主机电源负担,另一方面可防止不慎短路损坏主机电源或主机内的贵重器件。
原则上任意一种具有直接访问端口能力的语言都可以作为控制实验卡的编程语言,笔者曾用Turbo C、BASIC、汇编三种语言编写过控制实验卡的程序。对于要求运行速度快的实验,一般应选用编译型语言。
笔者曾利用这块实验卡做了李莎育图形产生实验、任意函数波形产生实验、LED驱动实验、发光二极管点阵驱动实验、晶体二极管正向特性图示实验、PID控制算法实验等等,效果良好。经笔者实验,该实验卡在286、386、486机型上都能正常工作。(王长军)