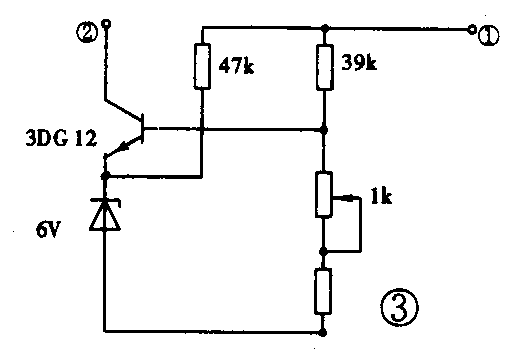
广东 耿明:一台索尼KV-2189T彩电中的IC602(SE115)损坏,找不到同型件元件,怎么办?

SE115是一块三端稳压IC,其①为115V输入端,②为10~38V输出端,③为接地端。它的工作原理和内部电路及引脚排列均与松下TC-2188机用的S1854 LBM-4完全一样,故可取S1854直接代换SE115,电路可不作任何改动。若S1854也无法买到,则可用分立元件按上图自己组装后,接入电路后微调1kΩ的可调电阻,使+B=115V即可正常使用。
上海 王之卓:一台松下TC-2610D彩电行输出管b极电阻R514(0.82Ω/0.5W)烧断,无法买到同规格电阻,怎么办?
早期的松下M11机心彩电的行输出管Q551的b极多串有一只0.15~0.82Ω/0.5W电阻,用以在行输出管Q551过流时及时熔断R514以保护Q551。R514熔断后可用两只0.5A保险并联焊在R514位置来代换原R514。
江西 邱中杰:一台德律风根(TELEFUNKEN)TVP-TK-1HC卡拉OK放像机的磁鼓损坏,买不到同型号鼓,怎么办?
德律风根TVP-TK-1HC卡拉OK放像机的磁鼓型号为PSP125MS,其外形及安装尺寸与极易买到的富丽(FUNAI)VIP-3000Ⅱ型放像机磁鼓完全一样,并且价格便宜,因此可取其直接代换PSP125MS。若代换后无彩色,可取下旋转180°再装上。
北京 陈光:一台德律风根(TELEFUNKEN)6016彩电的高频头损坏,买不到同型号件,能否用其它高频头代换之?
德律风根415机心彩电如5000、5016、6016等机的高频头损坏后,国内市场上很不易买到的,但可用易得的国产TDQ-3型高频头,按下表改动代换之。
高频头型号
415机心 TDQ-3
引脚 功能 引脚 功能
8 VHF Ⅱ 3 VH
5 UHF 1 UB
4 UD 2 VT
14 ZF 8 IF
2 VHF-1 5 VL
6 U3 7 BM
7 AGC 4 AGC
6 AFT
注:1.AFT电压可用2只10kΩ电阻将12V电压分压为6V,接到TDQ-3的6脚上。
2.微调R205,使TDQ-3的AGC电压最佳,灵敏度最好。
广西 郁天文:请介绍一下常见的夏普EX系列稳压二极管的稳压值及代换型号。
下面是部分常用夏普稳压管代换表。

安徽 曹俊宝:一台进口设备中的二极管BY255损坏,买不到同样件,该如何代换?
BY255的最大正向整流电流I\(_{OM}\)=3A、反向重复峰值电压VRRM=1300V,系高压整流二极管。可用1N2722、1N3371、1N4537、1N4539、300R12B、12SM3、15SM3、300R1513等直接代换之。
上海 韩胜生:一台电磁灶中的大功率器件HG30A损坏,买不到HG30A,能否用其它元件代换之?
HG30A工作于高反压、大电流状态,较易损坏。HG30A市场上几乎买不到,但维修实践表明,可用三只彩电用的行输出管BU208D、2SD898等并联来代换HG30A。并联后的b、c、e极分别焊于原HG30A的b、c、e极处,即可使电磁灶正常工作,并且经久耐用而且不易再次损坏。
陕西 魏晓:彩色显像管47SX106Y22-DC01如何代换47SX106Y22-DC02?
47SX106Y22-DC01和47SX106Y22-DC02的差别仅在于偏转线圈DC01和DC02的阻值不同,代换时只要交换偏转线圈,即可正常互换,电路其它部分不必作任何改动。不过,在拆换偏转线圈时,先·必·须·把·彩·色·显·像·管·尾·部·的·磁·环·做·好·记·号·,千·万·不·要·调·乱·。装好偏转线圈后,立即把磁环按原样装好即可。
广东 陈波:一台银星RP-711黑白电视机的行输出管BU184损坏,用D1403代换后,电视机不能工作,这是怎么回事?
BU184是内含阻尼二极管的达林顿管,其参数为P\(_{CM}\)=60W,ICM=8A,BV\(_{ceo}\)=400V,hFE>100。而D1403、BU508A、D1426、D1427等的h\(_{FE}\)为10左右,用它们代换BU184后,使得行推动率不足,故行输出管严重发烧或根本不能工作。
BU184可用极易买到的BU806或D0807直接代换。(本期问题由汤志成同志解答)