北京 丁青松:日立VT-M757E(DH)录像机中的复位电路IC903(PST520F)损坏,买不到同型号IC,怎么办?
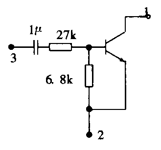
PST520F是一块复位(RESET)集成电路,正常时,在每次接通电源的瞬间即从其①脚输出一个低电平信号给系统控制CPU IC901(μPD75516-261)的7,使IC901内部清零,录像机才能工作。
PST520F可用一只3DG6或3DG8等NPN三极管和二只电阻及一只电容,按下图组装接入电路即可使录像机正常工作。

山东 华为:东芝V-288K录像机的磁鼓损坏,无法买到同型号鼓,能否用其它机型的磁鼓代换之?
东芝V-288K录像机的上磁鼓与东芝V-95C、东芝V-880及东芝V-900录像机磁鼓的外形、安装尺寸和安装孔安全一样,它们均可以直接互换之。其中V-95C机的磁鼓最易买到,并且价格最低。
广东 江钟明:一台康佳25英寸彩电中的存储器PCF8581损坏而无法储存节目,有无PCF8581的代用IC?并请介绍一下其引脚功能。
PCF8581是一块双列8脚存储器,其①、②、③分别为地址码引脚A0、A1、A2,④为VSS,⑤为数据输入,⑥时钟,⑦复位,⑧5V电压。PCF8581可用PCF8582直接代换之。实践表明,若把PCF8582的A0、A1脚接线互换,可存储90个电视节目,否则只能存储40个节目。
广西 何江海:照相机的闪光灯应选用什么的三极管作为振荡管?
照相机闪光灯用的振荡管,一般要求放大倍数β=200~300、穿透电流和饱和压降小、最大C极电流I\(_{CM}\)=3~4A,且体积较小的三极管。
常用的进口管型号有2SC2270、2SC2500、D151A、D879、D965及D1162等;国产管则有3DG2500、3DX204、3DX604等。
江西 吴水生:一台日立VT-P100DH新型放像机开关电源中的电源调整管Q0851(2SC4908)击穿损坏,买不到同型号管怎么办?
2SC4908是最新型号的晶体管之一,目前还难以查到其特性参数,但根据其作开关电源调整管的工作条件,完全可以用极易得的彩电常用的电源调整管BU508A、D1402、D1403等直接代换之。
广东 何思之:一台收录机中的功效电路TA7269P损坏,买不到同型号IC,如何用其它IC代换之?
目前TA7269P很难买到,可用常用功放电路TA7240AP,按下表改动来代换之。代换后不必改动其它电路,即可使收录机正常工作。
TA7269P 3 1 2 4 6 5 9 7 8 10 12 11
TA7240AP 1 2 3 4 5 6 7 8 9 10 11 12
渐江 刘云平:一块专用稳压集成电路μA723损坏,买不到同型号件,能否用其它IC代换之?
μA723内部由基准电路、恒流源、误差放大器、调整器和保护电路组成。μA723的最大输入电压为40V、输出电压为2~37V、基准电压为7.2V、最小压差为4V、最大负载电流为50MA、最大功耗300MW。
μA723可用W723、FG723、LM723、MC1723、CA723C等直接代换之。
河北 牛马林:汽车收放音机电路KA22065损坏,无法买到同型号IC,如何用其它IC代换之?
KA22065是韩国三星(SUMSANG)公司的产品,这是一块双声道功放(12V时4.6W×2),引脚①为输入地、②为输出Ⅰ、③为自举Ⅰ、④为滤波、⑤为负反馈Ⅰ、⑥为输入Ⅰ、⑦为输入Ⅱ、⑧为负反馈Ⅱ、⑨为自举Ⅱ、10为电源V\(_{CC}\)、11为输出Ⅱ、12为输出地。 KA22065内部电路和引脚排列均与易得的μPC1277或μPC1277H完全相同,故可用它们来直接代换KA22065。
辽宁 孔文杰:沙巴(SABA)彩电的行输入出管TL37(SA2000A1)损坏,可用什么其它型号管子代换之?
SA2000A1的主要参数P\(_{CM}\)=50W、 BVcbo=1500V、I\(_{CM}\)=6A,是不带阻尼二极管。可用易得的BU508A(实际上部分沙巴彩电也采用BU508A)、D1402、 D1403等直接代换之。如果用D1398、D1426、D1427等内置阻尼二极管的大功率管来代换SA2000A1,则只要把底板上的原阻尼二极管DL37拆除即可。
山西 李文胜:彩电中的场输出IC TA8403K损坏,不知能否用其它场输出IC来代换之?
TA8403K的引脚功能依次为①地、②场输出、③脉冲信号输入、④场激励输入、⑤负反馈相位补偿、⑥电源V\(_{cc}\)、⑦脉冲信号输出。TA8403K的内部电路和引脚排列均与最常用且最易得的场输出集成电路LA7830差不多,故可用LA7830来直接代换TA8403K,电路不必作任何改动即可使彩电正常。 (本期问题由汤志成同志解答)