对于音频放大器,人们要求它对频带内各频率的信号有相同的增益,即它的频响特性是一条水平的直线。然而在实际放音中,由于音源多种多样,人们对音色的爱好也不尽相同,这就要求对放大器的频响曲线作适当的调节,以满足不同的需要,而完成这一任务的电路就是音调控制器。虽然有人主张取消音调控制器,对输入信号不作任何修正,以欣赏原汁原味的音乐。然而大多数人仍认为音调控制器在音响设备中是必不可少的,正像味精能使菜肴更加鲜美一样,音调控制器也能使放送的音乐更动听。
现在普及型的音响设备多采用双音调控制器,用两只电位器分别调节高低音。中高档的音响设备则采用图式均衡器,它可以拼出任何形状的频响曲线,把它与荧光动态频谱显示屏相配合,美观而生动,对于那些有一定电声知识和音乐修养较高的人来说,图示均衡器无疑是十分适用的。但是对于那些不懂得图示均衡器怎样使用的人来说,图示均衡器不仅没有带来好的效果,反而破坏了音乐的欣赏。我们常常可以看到,人们对图示均衡器滑键的位置,往往是随意的,即使是音响店的操作人员,也是要么把所有的滑键排成一行,要么尽量提升低音,以为这样听起来才够味。
早在六十年代,在一些较高级的电子管收音机上采用了音调选择器,它是由音调控制器演化而来的。设计者把所要收听的节目分成几类,用阻容元件拼出它们所要求的频响曲线,设置几个按键,使用者只要按一下按键就行了,准确而方便,不会出现乱调一气的现象。简单的音调选择器有2~3挡,复杂的有5~6挡。典型的5挡音调选择器,其名称为:语言(清晰)、演唱(优美)、管弦(浑厚)、低音(柔和)、平直(原声)。有时按键不标名称,而是用一种典型的乐器形象来代表,明了而有趣。
现在人们常把那些自动化程度高,无需调节就能使用的东西称为“傻瓜型”,从这点上说,音调选择器也可以称为“傻瓜型”音调控制器。
上述5挡音调选择各按键的频率特性如图1所示。

“语言”:在收听新闻、讲话、小品等节目时,频率范围较窄,要突出中音,放音频带有200~3000Hz就够了。为了消除噪声,要把多余的高音切掉,另提高清晰度,应将低音衰减。放大器的频响曲线呈单峰形。
“演唱”:包括戏曲、器乐独奏、轻音乐或有配乐的独唱,放音频带宽于“语言”,高低音都予以适当提升,放大器的频响曲线为平缓的双峰形。
“管弦”:指大型的交响乐、民族器乐合奏等,音域宽广,既有频率很高的小提琴、打击乐器,也有频率很低的低音鼓、大提琴,这时高低音都要提升,放大器的频响曲线为谷底较深的双峰形。
“低音”:在放送某些舞曲或爵士乐时,为突出低音,加强节奏感,要将低音特别提升,放大器的频响曲线为一山坡形。
“平直”:对放大器的频率特性不作任何修正,对喜欢听原汁原味音乐的人来说,这一挡是很适用的。放大器的频响曲线为一水平的直线。
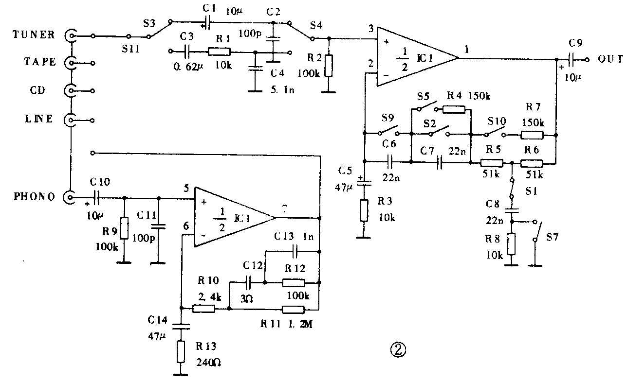
设计并制作音调选择器并不困难。图2所示的负反馈式音调选择器,是在前级放大器的基础上,增加一组5×4位的琴键开关及相应的阻容元件而成的。

工作原理如下:
按下“平直”键,S1、S2动作,S1将负反馈回路里T型网络的C8、R8断开,S2将C7短路,放大器频率特性呈平直状态,为一典型的线路放大器,增益由R5+R6R3确定,按图中数值为20dB。放大器的频响曲线如图1e所示。按下“语言”键,S1、S2、S3、S4动作,S1、S2使放大器频响处于平直状态,S3、S4在放大器的输入端接入一带通滤波器,通频带为200~3000Hz,频带外的信号按-6db/oct衰减,放大器的频响曲线见图1a。按下“演唱”键,S5动作,C7上并联一个电阻R4,使高低音略为提升,放大器的频响如图1b所示。按下“管弦”键,S7动作,T型网络的R8短路,C8接地,高低音均予以提升,放大器的频响曲线见图1c。按下“低音”键,S9、S10动作,S9使负反馈回路的电容器C6、C7串联,高音反馈增强,低音得到提升,S10在T型网络上并联电阻R7,使高音略有提升,使放声的高低有所平衡,放大器的频响如图1d所示。
由于本电路是在通用的前缀放大器上改造而成的,无需增加有源器件,电路简洁新颖,它可以直接推动功率放大器,省去音调控制电路,因而具有很强的实用性。

图3是将常见的衰减式双音调控制器演变而成的音调选择器。它由两个放大倍数为10的运放电路构成,第一级放大器作线路放大器使用,第二级放大级用来补偿音调网络带来的衰减。在这个电路中,音调电位器仍起作用,但调节范围较窄,它可以修正各挡的频响曲线,以满足不同人的需要。
工作原理如下:
按下“语言”键,S1、S2动作,S1使C4接入,低音被衰减,C9则使高音被旁路,S2使R5代替R7,阻值增大,中音增益提高,放大器的频响曲线见图1a。按下“演唱”键,S3、 S4动作,S3的作用与S2相同,S4则将C5并联在C4上,C6接电路,高低音只作少量提升,放大器的频率曲线见图1b。按下“管弦”键,S6动作,R8并联在R7上,阻值减小,中音增益降低,相对提升了高音低音,放大器频响曲线见图1c。按下“低音”键,S7、S8动作,S7的作用与S6相同,中音降低,S8使C10、C11串联,容量减小,高音衰减,C9的旁路作用衰减中音,放大器的频响曲线见图1d。按下“直通”键,S9、S10动作,将整个音调网络断开,信号由线路放大级直接后级放大器,使声音信号保持原貌,放大器频响曲线见图1e。各挡的频响曲线,均以音调调节电位器滑动接头位于最上端为准。
在制作中,为保证音调选择器有优良的音质,电路中的双运放均采用了新近登市的OP275,与常用的NE5532相比,其转换速率SR要高得多,达到22V/μs。它的音色温暖,很有高μ胆管的韵味,价格也不贵,每枚邮购20元左右。据说OP249也有很好的表现,读者不妨一试。
鉴于音调选择器使用简便,能满足大众口味,一些半导体厂家也开始研制具有上述功能的专用集成电路,名称各异,有的称多模式声音效果处理器,也有的叫电子频谱处理器。如松下的AN7338K,22脚,5种模式,三菱公司的M6241P,24脚,4种模式。目前市场上这类集成电路尚不多见。 (刘喜甫)