SRS是声音复现系统的英文简称(Sound Retrieval System即音响复现系统,重现真实的现场立体感),SRS技术是根据对人类听觉系统的生理及心理研究的最新成果,采用仿生学原理开发出的一种全新的3D立体声技术,SRS环绕声的最大特点在于:只需两只音箱就可产生一个完整真实的3D全空间的立体声场,有关SRS的声场(右图)与普通立体声声场(左图)的比较见下页图示。

SRS技术的原理
人类对声源方向的判别机理不但涉及声波传播的物理过程,还涉及人类听觉系统的生理与心理因素。随着现代医学和物理学的进步,这些方面的研究已经取得了很大的进展。为了准确地在放音时再现实际声源在人两耳处造成的声波状态,美国加州大学的研究人员从80年代初起,就将研究方向从多声道立体声转向人类对声源方向定位的生理声学与心理声学的研究上。研究结果表明:人类听觉系统的频率响应是声源空间方位角的函数,换句话说,我们的耳廊对来自不同方向的声波频谱进行了不同的修改后,才将声波通过耳道传到鼓膜上,大脑主要根据声源的频谱来判定声源的空间方位,因此人的耳廊对于大脑确定声音的方向起主要作用。这一结论可以用单耳也能判断声音方位的实验来验证。
SRS是基于心理声学中的耳廊效应,耳廊效应是:如果我们根据耳廊对某一空间方向声源的频率响应特性,而对声源的频谱预先进行修改,则在听音时会发现,不管扬声器此时位于何处,我们总是产生与该频率响应特性相对应的空间方位感,而与再现3D声场的音箱位置和个数无关。
传统的立体声录音技术采用与人耳结构不同的话筒进行录音,虽然来自空间各个方向的声音信息也一同被记录下来,但是由于话筒没有类似于人类听觉系统的频率响应,因此采用双声道音响播放时,我们的听觉系统不可能感觉出音源的空间分布和方向性。另外,体现3D环绕声场的各种反射声和混响声均被主声掩盖,很难听出3D立体声的效果。而SRS技术首先将记录在普通立体声信号中的环境声信号提取出来,然后再根据人耳的频率响应函数,对提取出的环境声信号频谱做相应的修改,经SRS处理后的信号仍为双声道音频信号,将其送入普通双声道立体声功放后,就可用两个音箱重现出非常逼真的3D声场。
SRS环绕声虽然来自前方扬声器,但是在重放过程中,SRS系统根据已经获得美国专利的SRS透视曲线对环境声的频谱进行修改,补偿话筒频率响应与人类听觉系统频率响应之间的差异。利用心理声学中的耳廊效应,我们的大脑会产生处于实际3D环绕声场的包围之中的感觉。SRS在心理和主观感觉上恢复了实际声源在两耳处造成的声波状态(直达声、反射声、混响声),再现了实际声场中各个声源的方位和空间分布,营造出的3D环绕声场非常自然逼真,使人具有身临其境的强烈感觉。
SRS专用芯片及性能参数
本文向读者推荐美国SEPONIX(斯芬尼克斯)公司的专用SRS芯片:SRS5250S。
SRS5250S是一颗由SRS Labs开发及许可,为执行SRS(●)声音复现系统的三维音效专利技术的音效处理器。SRS5250S将常规立体声与单声道音效处理后,产生出音响心理学的佳化信号,让使用标准双声道扬声系统的听者,重新感受空间信息并恢复音效的原始三维声场。 SEPONIX的SRS5250S更采用Seiko NPCINC./JAPAN公司的生产线设计制造,使芯片内部电路更合理,由线间产生的噪音极低(S/N=113dB, f=1kHz),可广泛应用于音响产品。
1.功能特色
·立体声源的三维佳化,单声信号的立体合成。
·空间控制立体声佳化效果的调校。
·中置控制元音度和对比度(音乐/人声)的调校(人声对白等中置信号)。
·低耗电 Molygate Bipolar IC处理,28脚SOP封装。
2.应用范围
·所有家用影音立体声系统,包括扩大器、接收器、电视机、录像机、收音机、录音机、CD机、影碟机和卡拉OK等。
·汽车音响系统。
·电脑多媒体产品,包括音效卡、推力扬声器和外接处理器。
·家用和街上电视游戏机系统。
·专业音效系统,包括戏院音响和公共联络系统。
·有立体声扬声器的无线对话系统,电话机。
3.电气参数。
a.极限电气参数:
参数 范围
供电电压范围Vcc -0.3~15V
输入电压范围Vi -0.3~ Vcc+0.3V
功率消耗PD 250mW
储存温度范围Tstg -40~125t
焊接温度Tsld 255℃
焊接时间tsld 10秒
b.工作条件:
参数 极限
工作电压Vcc 8~ 13 V
工作温度Topr -20~70℃
c.电气特性:

应用电路及3D环绕音效升级板
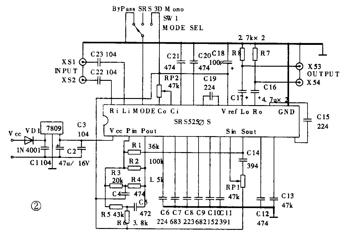
具体的应用电路见下图,图中VD1用作电源反接保护,C6~C11是恒相滤波器的外接电容,②③脚外接的RC网络是用于听音频谱修正,RP1电位器是用于作空间感调节的;而RP2是用于作中置声与环绕声的对比度的调节用,IC的26脚为模式选择开头:悬空时为SRS方式;接地时为直通方式;接参考电压时为3D Mono方式(是指当输入信号为单声道时的处理模式)。

3D升级板可极方便地加在功放前,可对输入的VCD、电视等信号进行环绕处理,用于所赏AV节目时的声像效果极其精彩,确实感觉到影片的图像与声像配合后所带来的淋漓尽致的快感。若加在电脑或游戏机的多媒体音箱中则充分感受到数码音响的魅力,甚至普通的任天堂型的游戏机的音频输出在改成双声道后再经过SRS的处理,其游戏的效果不言而喻,先前因通过电视机扬声器放音的那种单调感一扫而光。
需注意的是SRS环绕音效升级板应接在音调电路的前面,否则由于音调电路的调整会引起频谱的变动而影响效果。二是该板的两只输入电容不宜超过0.22μF(一般为0.1μF即可),不要以为电容太小会影响低频特性,相反当输入电容过大后(例如4.7μF时)则会引起音场的模糊和声音的混浊,从而失去效果。 (张国鹏)