电视节目主要是靠图像和伴音来与观众进行信息交流的。对于失去听力的聋哑人来说,由于听力障碍,看好电视就相当困难。为了解决这个问题,美国联邦通信委员会(FCC)规定,1993年下半年开始,所有电视广播都必须同时发送带有隐形字幕显示的信号(CAPTION)。这就要求电视接收机必须增加隐形字幕显示译码器(CCD)。通过控制CCD的工作使节目中的语音以及图文资料等信息都可以在屏幕上以文字形式显示出来。利用字幕显示方便了失去听力的聋哑人看电视。
为此,国外的一些厂家都纷纷地开发出相应CCD集成电路。如日本三洋公司的两片IC由LC7458A(或LC86400)和LA7954组成,东芝公司的TMP87C833N和TA8862P、美国ZILOG公司的Z86228都是属于这类集成电路。其中首推单片IC286228的功能最全、外围电路最简单,误码率低、使用最方便。下面结合笔者对隐形字幕显示的研究和对Z86228的应用,对隐形字幕显示传输、显示及Z86228的典型应用作些简单的介绍,以飨读者。
1.21行隐形字幕显示系统
21行系统为字幕信号和其它图文资料的传输提供一个编码的复合数据信号。
为了实现与现行NTSC电视广播制式的兼容,这个与广播电视节目信息有关的隐形字幕显示信号是编码在标准的NTSC视频信号第一场的21行(第二场的284行)的空白位置里,而且在第二场21行的前半部发送一个帧识别码。关于21行的编码复合视频信号如图1所示。从图看出,编码的复合视频信号由一个时钟引导脉冲,一个起始位和16位数据位组成。加在每个字符第八位(P)的奇偶校验位作为错误检测之用。数据先从最低有效位(D1)开始传送,最后才是最高有效位(P)奇偶校验位。数据时钟频率是0.5035MHz,即32倍行频(32FH),时钟同步脉冲和数据包峰值为50IRE单位。

2.显示格式
21行系统规定四种不同的数据通道,在21行数据流中同时多路传输。他们是图文语言Ⅰ/Ⅱ,字幕语言Ⅰ/Ⅱ。一个特定通道数据流的开始,是由它唯一的指令码的出现来识别的。一旦这个指令码被接收,就认为在它后面的所有数据都属于该通道。
(1)字幕图文显示方式
可以分别选择两种语言(CH\(_{1}\),CH2)或(T\(_{1}\),T2)之一作为显示数据通道。每一个字符行最多包含32个字符加一个头、尾黑框。字符以白色或彩色显示在一个黑色的背景上。
由于字幕是与视频内容有关的信息,因此不允许超出画面,一次最多显示四行。任意方式组合的四行在靠近画面的顶部或底部出现。图文规定与视频内容无关的信息,因此可以全屏显示。
(2)扩展数据业务显示方式
Z86228提供两种EDS显示方式:EDSG和EDSF。两种屏幕显示可任选。扩展数据包编码在第二场21行里,它只能通过串行控制方式来选择。
EDS规定七个节目说明行,开头三行是包含最重要信息的识别行。节目说明行被限制为四行。EDSG为“信道掠射”(CHANNEL GRAZING)显示方式。提供关于当前节目的重要信息。显示在屏幕顶部,包括三个容易读的信息行。EDSF为“信息”显示。可显出掠射包加二个附加 EDS包以告诉观众关于节目的内容。EDSF显示开头三个节目说明行与EDSG方式的信息相同,只增加节目类形及四个节目说明行。
另外21行系统还传输“警报”(ALARM)信息。它是一些重大突发性事件的信息,如战争爆发,灾害性的地震,火山爆发等。 ALARM ON/OFF只接受警报输出控制电路的控制。
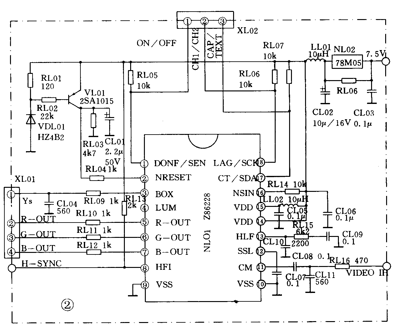
3.Z86228应用电路
Z86228在电视隐形字幕显示译码器的应用电路如图2所示。电路工作于并行控制方式。

复合视频信号经过RL16和CL11组成的低通滤波器由CL08交流耦合到IC的11端。CL09、RL15、CL10为锁相环路滤波器。电容要用误差小于10%质量较好的簿膜电容,电阻误差为5%。 5V电源由三端稳压器78MO5提供。LL01、LL02主要用来改善抗高频干扰性能。
在并行控制方式, IC的复位端 2在加 5V电源的初始必须保持100ns的低电平状态,以使器件复位。复位电路由VL01、VDL01、RL01~04组成。利用稳压二极管VDL01的稳压特性,在开机(5V刚加上)时,稳压管两端还达不到额定稳压值,这时三极管VL01处于反向偏置而截止,因此复位端处于低电平。随着VDD电压的上升,稳压二极管两端电压达到稳定,VL01正偏导通,复位端变为高电平,IC复位工作完成。行同步脉冲由8端输入,由于是利用脉冲沿触发,所以同步脉冲的极性不受限制。
由于译码器工作于并行控制方式,所以IC的16端接固定的高电平(5V)。译码器ON/OFF、CH1/CH2语言通道、CAPTION/ TEXT显示方式的选择可通过开关转换接口电路,由XL02分别将控制信号输入到IC的1、17、18端。
彩色信号R、G、B及作为TV和RGB之间高速转换的控制信号YS,由XL01接口输出到TV的视放电路,用作字符显示信号。 (傅灿琛)