TB1231N是东芝公司最新推出的I\(^{2}\)C总线控制彩电单片集成电路,56个引出脚,外形为双排直插式塑封结构,由于采用MOS电路与双极型电路相结合技术,把色带通滤波器、色度陷波器、亮度延时线、伴音鉴频器甚至于庞大的梳状滤波器(1H基带延时线)都集成于其中,在多制式系统(3.58MHz、4.43MHz、M-PAL、N-PAL)中色副载波压控器只需一个4.43MHz晶振。由于采用I2C总线控制,使整机从PIF、SIF到Y、C通道以及行、场同步处理电路,全部免除外围元件的调试。此外,TB1231N内还集成了一系列大屏幕彩电提高性能所需要的电路,如:黑电平延伸、孔阑补偿、r校正、NTSC Y/C分离电路以及AV电路等。
电路说明
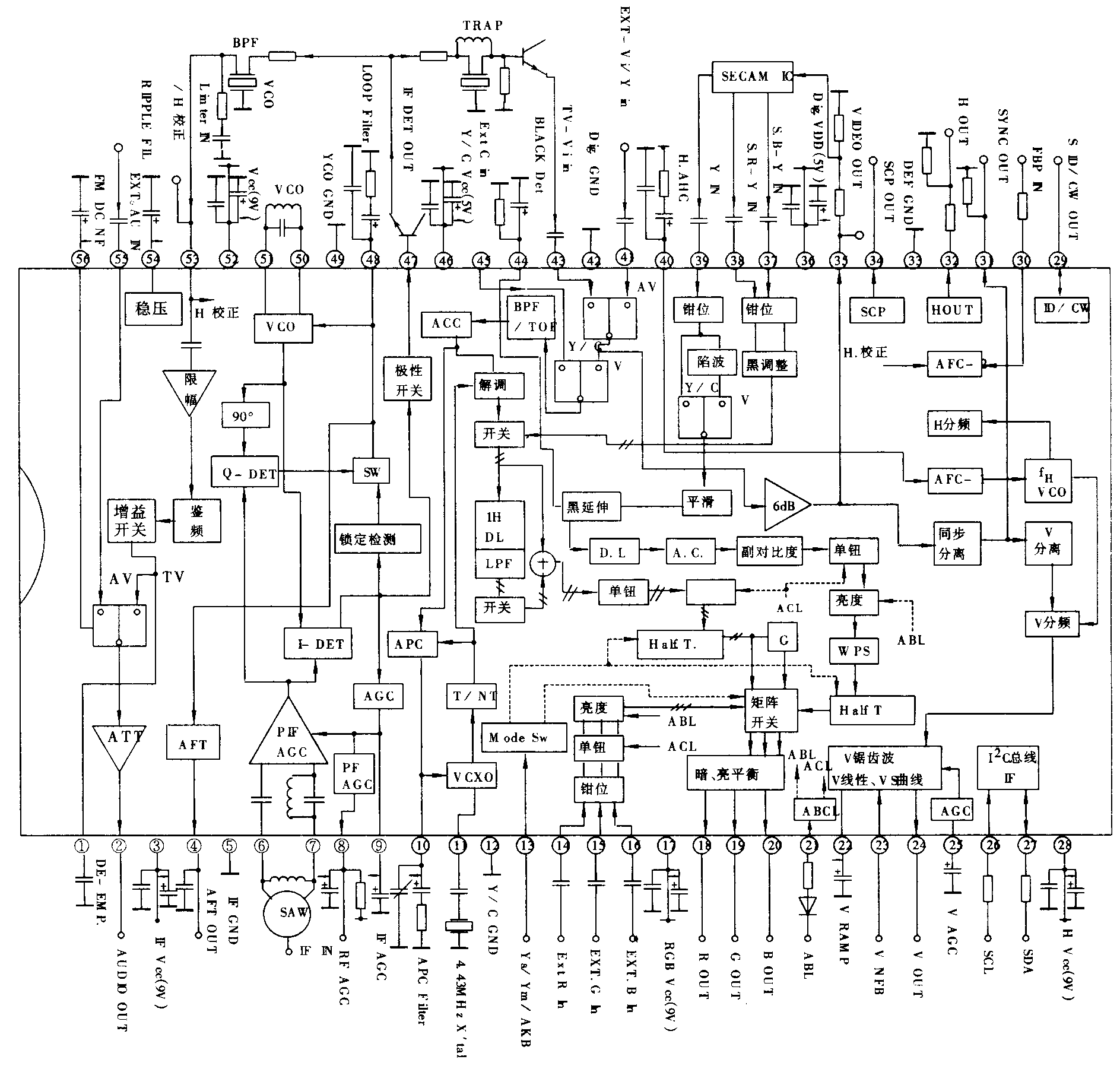
东芝TB1231N内部电路方框及外部电路图见附图,它与SECAM解码电路TA1275Z配合可以构成PAL/NTSC/SECAM TV接收全部小信号处理功能。

1. 图像中频、视频检波、AGC及AFT电路
高频头输出的中频信号经预中放电路及声表面波滤波器输入至TB1231N的中频输入端6、7脚。进入TB1231N的中频信号先经由AGC控制的三级PIF中频放大电路放大后分二路输出:一路送往PLL视频检波电路;另一路送往图像中频38MHz压控振荡电路。
图像中频压控振荡电路由Q-DET电路、VCO电路、90°移相、锁定检测及控制时间常数的开关电路所组成。Q-DET电路将PIF信号与VCO输出的38MHz正弦波中频信号进行鉴相,鉴相输出去控制VCO。锁定检测电路判别锁相环路是否处于锁定状态,由此自动切换低通滤波器的时间常数,改善PLL电路的性能,以使在输入信号过大或较小时VCO输出的载波不受影响。TB1231N的48脚外接双时间常数低通滤波器。
Q-DET鉴相电路输出的检测信号经时间常数控制开关后一路送往VCO去控制VCO的振荡频率及相位;另一路送往AFT电路,经AFT电路后从4脚输出AFT电压。AFT中心电压为2.5V。
送至视频检波的IF信号及VCO送来的38MHz正弦波信号在I-DET同步检波器内进行检波,得到的视频信号分三路:一路送往锁定检测电路;另一路送往AGC电路;第三路送往视频极性开关控制后从47脚输出。视频极性开关是为了SECAM与PAL/NTSC视频信号极性不同而设置的。
送往AGC电路的视频信号经AGC检波、放大后,一路送往IF AGC电路控制PIF中频放大的增益,TB1231N的9脚外接IF AGC滤波电容;另一路送往RFAGC电路,经RF AGC延迟及放大后,经TB1231N的8脚外接电容滤波后送往高频头RF AGC端。
2.伴音中频、鉴频及ATT电路
从TB1231N的47脚输出的包含第二伴音中频信号的视频信号经伴音中频滤波器后,从53脚进入伴音中频电路(53脚兼作行曲线校正输入之用)。由53脚输入的伴音中频信号先经电容隔直,伴音中频限幅放大,然后进行FM鉴频,得到伴音音频信号。
由于不同的电视制式的伴音调制频偏不一样,为了适应多制式的需要,TB1231N内设有GAIN SW(增益开关)电路,通过I\(^{2}\)C总线可以进行调整。从FMDET输出的伴音音频信号由GAIN SW电路调整后,经1脚外接去加重电容去加重后进入AV电路的音频开关电路。
音频开关电路的两路输入信号:一路是TV内部由 GAIN SW输出的伴音音频信号;另一路是从TB1231N的55脚外部输入的伴音音频信号。AV开关电路的开关控制由总线控制。音频开关电路输出的音频信号,经ATT电路(伴音音频衰减电路)进行电子音量衰减后,从2脚输出,去伴音功放电路。
3.视频信号处理电路
从TB1231N的47脚输出的视频全电视信号,经伴音中频陷波器和缓冲电路后,再经电容隔直后从43脚进入视频TV/AV开关电路,选择TV输入或外部视频信号(包括外部Y/C分离出来的Y信号)。视频TV/AV开关由I\(^{2}\)C总线控制。其输出的视频信号一路进入视频处理电路;另一路送往色信号处理电路。
进入视频信号处理电路的视频信号,经6dB增益放大后,一路送往同步分离电路;另一路从35脚输出经电阻分压器衰减6dB后进入SECAM IC(TA1275Z),由其处理后输出,经隔直后再进入TB1231N的39脚。如果只是PAL/NTSC制式,则不需要SECAM IC,35脚输出经6dB衰减及电容隔直后直接进入TB1231N的39脚。
当39脚输入视频信号时,经钳位电路恢复直流分量后的视频信号,进入色副载波陷波电路,去除色信号,然后进入Y/Video切换开关电路;若39脚输入的是外部Y/C端口Y信号,则不进入色副载波陷波电路,而直接进入Y/Video切换电路。包副载波陷波电路的陷波点由总线自动控制。总线将根据接收信号的制式,自动改变陷波频率,NTSC-M时为3.58MHz,其它为4.43MHz。
4.色信号处理电路
从TB1231N的47脚输出的TV视频全电视信号经外围伴音中频吸收电路吸收,由43脚经视频TV/AV开关电路后送至C/Video切换开关电路。外部Y/C端子输入的C信号也送至C/Video开关切换电路。C/Video输出的视频全电视信号或C信号送至BPF/TOF(带通/高通滤波器)电路。BPF/TOF的作用是让色信号通过,其它信号切除。BPF/TOF滤波器的Q值及BPF/TPF切换也是通过总线自动调整。
BPF/TOF输出色信号进入ACC电路,ACC电路对色信号进行ACC放大及色同步分离。分离得到的色同步信号分两路:一路经ACC检波得到直流抑制电压去控制ACC放大电路的增益;另一路送往色副载波形成电路。由ACC电路输出的色信号再经第二次色度放大后进入P/N解调电路。若接收的是4.43MHz的PAL色信号, P/N识别器使4.43MHz信号进入解调电路,对PAL信号进行解调;当接收3.58MHz的NTSC色信号时,P/N识别器使3.58MHz信号进入解调器,对NTSC信号进行解调。解调得到的R-Y及B-Y色差信号送至SW电路(P/N/S制式切换开关电路)。
SECAM制式时,从外部IC TA1275Z解调后再从TA12752的3、5脚分别输出R-Y及B-Y色差信号,送至TB1231N的38、37脚,再经箝位、黑电平调整后送至SW电路。P/N/S制式切换开关电路能自动切换不同制式的输出信号。经P/N/S开关电路输出的R-Y,B-Y信号被送往1HDL数字滤波器延迟解调电路,经由1HDL、LPF、SW及加法器组成的R-Y及B-Y解调电路得到纯净的R-Y及B-Y包差信号,再经单钮色饱和度调节电路、色饱和度电路及Half Tone(半色调)电路后送往G-Y矩阵电路,产生G-Y色差信号,与R-Y及B-Y色差信号共同输入至R、G、B电路中的矩阵开关电路。色饱和度电路受ACL控制。
5.R、G、B电路
由色信号处理电路输出的R-Y、B-Y及G-Y信号与视频信号处理电路输出的Y信号都被送至矩阵开关电路(基色矩阵电路及R、G、B开关切换电路)。在矩阵电路中将R-Y、B-Y、G-Y及Y信号经矩阵运算产生R、G、B基色信号。从TB1231N的14、15及16脚输入的外部R、G、B信号(可以是PIP单元输出的R、G、B信号,或图文电视单元输出的R、G、B信号,或遥控系统的R、G、B字符信号),经单钮色饱和度调节、亮度调节后也被送至R、G、B开关电路。单钮色饱和度调节电路受ACL控制,亮度调节电路受ABL控制。R、G、B开关电路的控制信号是由13脚输入的(Ys/Y\(_{m}\)/AKB信号经Mode SW电路后产生的。Ys为 R、G、B TV/EXT切换用,也作消隐信号用;Ym为半色调(Half Tone)控制用; AKB为自动白平衡调整开关信号。
经R、G、B转换开关电路输出的R、G、B基色信号输入至Cut-off/Drive(基色放大与白平衡调整)电路。TB1231N是通过总线来调整亮、暗平衡的,而不需要通常的亮平衡电位器及暗平衡电位器。经由平衡电路后R、G、B从18、19、22脚输出,送至末级视放电路。
TB1231N可以外加IC(TA8891或TA8751)实现白平衡自动调节。
6.扫描电路
(1)行扫描与同步电路
TB1231N内TV/AV开关电路输出的视频全电视信号经6dB放大后,一路送至同步分离电路,分离出复合同步信号。复合同步信号分三路输出:一路送往行AFC-1电路;另一路送往场同步分离电路;第三路从31脚输出供遥控等电路使用。
AFC-1电路将同步分离电路送来的行同步信号与H C/D电路(行分频电路)送来的行频信号进行比较,输出AFC电压控制32f\(_{H}\) VCO的振荡频率,使fH与行同步信号同频率,40脚外接AFC-1滤波电路。32f\(_{H}\) VCO电路输出32fH信号,一路送往H C/D电路;另一路送至VC/D电路。32f\(_{H}\)信号经H C/D电路分频后的fH信号再送往AFG-2电路;输入AFC-2电路的第二路信号是FBP脉冲;输入AFC-2电路的第三路信号是由53脚输入的行曲线修正信号。行AFC-2的作用是稳定和控制行逆程脉冲的相位,使FBP(行回扫脉冲)的相位与行同步脉冲重合。由于亮度变化使行输出电路的负载发生变化,从而造成行相位发生变化,导致图像线性变坏。通过AFC-2电路可以产生校正作用。从AFC-2输出的行频脉冲再经H OUT(行预激励)电路放大整形后从32脚输出,送往行推动及行输出电路。
(2)场扫描电路
由同步分离电路输出的复合同步信号另一路被送往场同步分离电路,分离出场同步信号。此场同步信号送往场分频电路,以控制V C/D(场分频)电路,使32f\(_{H}\)信号经V C/D分频后得到的场频信号与场同步信号保持同步。从V C/D输出的场频信号被送至VRamp、X/X\(^{3}\)(场锯齿波形成、场线性调节及场S曲线调整)电路。22脚外接场锯齿波形成电容;23脚为场反馈输入端;24脚为场输出端。
TB1231N内设有VAGC电路。V AGC电路输出AGC电压至场锯齿波形成电路,控制其增益,从而使输出的场锯齿波幅度不变。TB1231N的25脚外接V AGC滤波电容。 (蔡国清)