(袁小翔)本单摆实验显示仪可以准确测量单摆周期。它具有如下特点:(1)采用光敏器件使摆球经过平衡位置时自动计时;(2)可预置需测量的全振动次数n(n=10、20、……50),达到预定数值时,自动停止计时;(3)计时时间及完成全振动的次数均由LED屏显示,读数方便,直观清晰。
电路原理
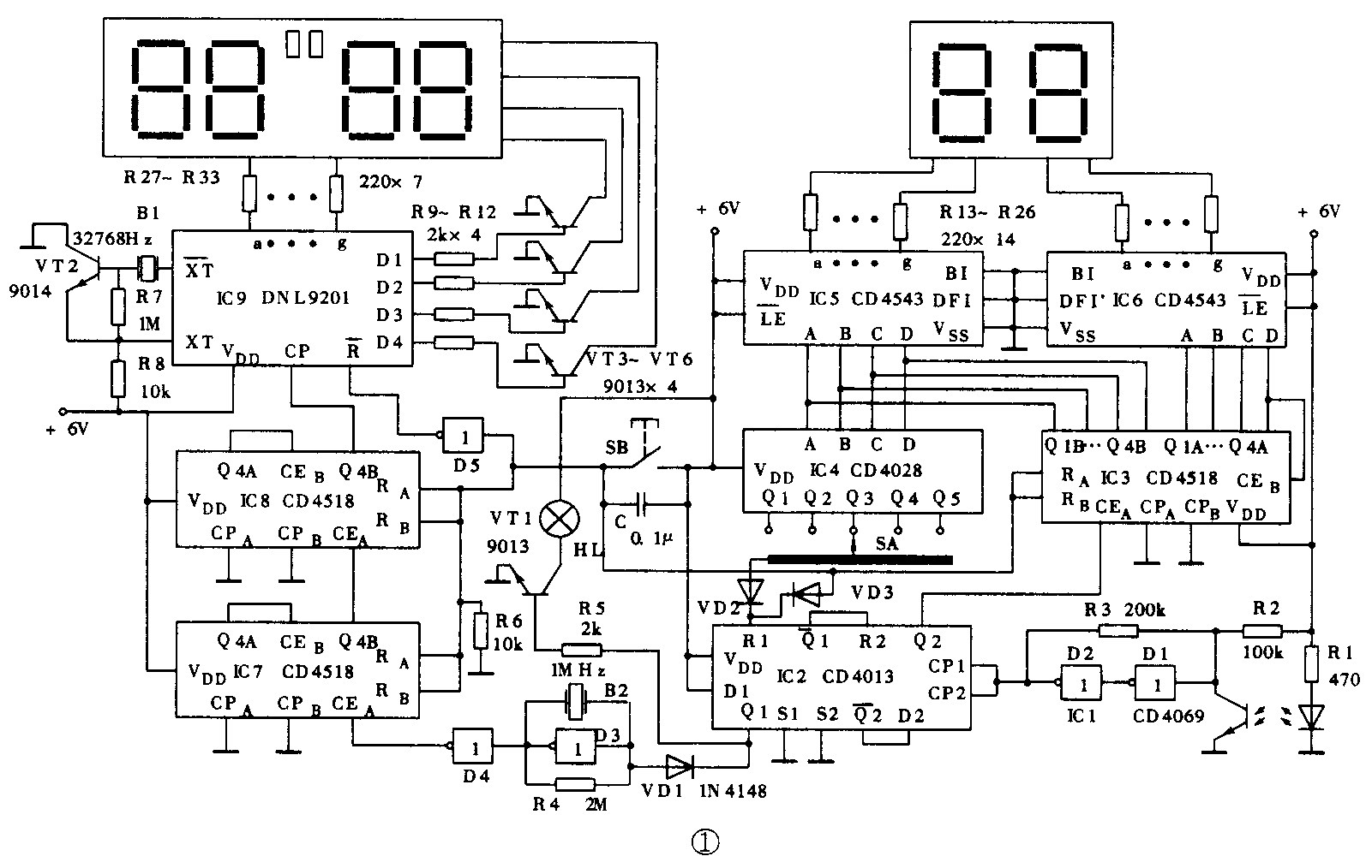
电路见图1。红外线对管固定在摆球的平衡位置,摆球每经过一次平衡位置,光敏管的集电极输出一正脉冲信号。IC1的两个非门D1、D2和R3构成施密特触发器,为脉冲信号整形。IC2为双D触发器CD4013,其中IC2-l控制自动计时部分,IC2-2接成二分频器,控制自动计数部分,且二分频器的工作与否受IC2-1的控制。非门D3与外接晶振B2、反馈电阻R4构成1MHz的振荡器。振荡信号经D4反相整形后送入IC7的CE\(_{A}\)端。IC7、IC8为双BCD计数器CD4518,分别接成分频系数为100的分频器,这样IC8的Q4B输出100Hz(0.01s)的时基信号。

IC9采用环氧树脂软封,外形图见图2。VT2与R7、R8及B1构成32768Hz的振荡器为IC9提供动态扫描脉冲信号。a~g为七段数码输出端,D1~D4为位扫描输出端,CP为脉冲信号输入端,脉冲下降沿计数,R-为清零端,低电平有效。另外,DNL9201软封板上已留有外接元件的安装孔,使用非常方便。

IC3将输入的下降沿脉冲信号个数译成对应的BCD码,其中Q1A~Q4A、 Q1B~Q4B分别输出个位和十位的BCD码。IC5、IC6为BCD锁存/7段译码/驱动器电路,它与两只共阴数码管配合,完成摆球振动次数的显示。IC4为BCD——十进制码译码器CD4028,其A~D四个输入端与IC3的Q1B~Q4B相连。当十位数码管显示“l”~“5”时,IC4的Q1~Q5相应输出端输出高电平。
工作过程
将摆球拉离竖直方向θ角(θ<5°),按一下清零按钮SB,电路中所有的计数器、触发器均处于复位状态,此时计时数码管显示“0000”,计数数码管显示“00”。然后无速度释放摆球,摆球第1次到达平衡位置,D2输出第1个正脉冲,信号的上升沿使IC2-l的Q1=D1=1,VT1导通,指示灯HL点亮,提示计时开始。同时二极管VD1截止,1MHz的振荡器起振,计时单元开始计时。此时IC2-2的R2=Q-1=0,IC2-2构成的二分频器退出复位状态。当摆球第二次到达平衡位置,D2输出的第2个正脉冲信号的上升沿使IC2-2翻转,Q2输出上升沿脉冲,但计数单元却不会计数,因为IC3的CE\(_{A}\)端只对下降沿脉冲有效。只有摆球第3次到达平衡位置,IC2-2再次翻转,Q2输出下降沿脉冲才使IC3计数一次,此时数码管显示“01”,表示摆球已完成一次全振动。这样一直继续下去,当摆球第61次到达平衡位置时,IC3的计数达30次,IC4的输出端Q3变为高电平,经预置开关SA及二极管VD2给IC2-l的R1端清零。于是Q1=0,VT1截止,指示灯HL熄灭,同时二极管VD1导通,1MHz的振荡器停振,计时结束。由于R2=Q1=l,IC2-2亦处于复位状态,这样摆球即使继续振动,计时、计数电路也不会再动作,因此各数码管均保持原来的数值不变。
上述过程中IC2的各引脚的波形图如图3所示。

元器件选择及安装
红外线发射管使用塑封小功率管,如5GL、HG410系列,接收管选用3DU31型光敏管,红外线对管安装在图4所示的管壳内。HL为常用的6.3V/0.1A红色指示灯。预置开关SA用单刀五掷开关。VD1~VD3选用1N4148。整机结构及面版设计如图5所示。

