TWH9601一改以往检测模式,采用模糊电子检测界面,能先对各种干扰信号进行传统方式的窗口幅值比较,然后将比较结果送入模糊数模转换处理电路进行智能鉴别。在探测区域内,选出真正的人体活动信号送至后级。该芯片还具有完善的数字控制电路,用它构成的新型雷达防盗探测器,性能极其优越。
TWH9601专用芯片采用大规模CMOS集成工艺生产,16脚DIP封装。图1虚线内是该芯片电原理框图,当外围简单地配以微波产生和电源供给等电路,便构成一台完整的雷达防盗探测器。TWH9601芯片典型参数见表1,模糊智能鉴别信号标准见表2,有关智能鉴别对应波形见图2。混入检测信号中的各种干扰,即使能通过窗口比较器,也在智能处理电路中予以排除。例如附近电器、远区雷电以及工业干扰等虽能被比较器检测出来,但是,这些干扰作用时间极其短暂,其比较脉冲往往在lms以内,被智能鉴别电路所阻止。如状态1~3所示。而人体活动时的信号频率很低,约在0.5Hz~10Hz,其信号通过比较器产生的脉冲宽度通常大于100ms,智能电路鉴别为有用信号,触发输出报警,如状态4~6所示。



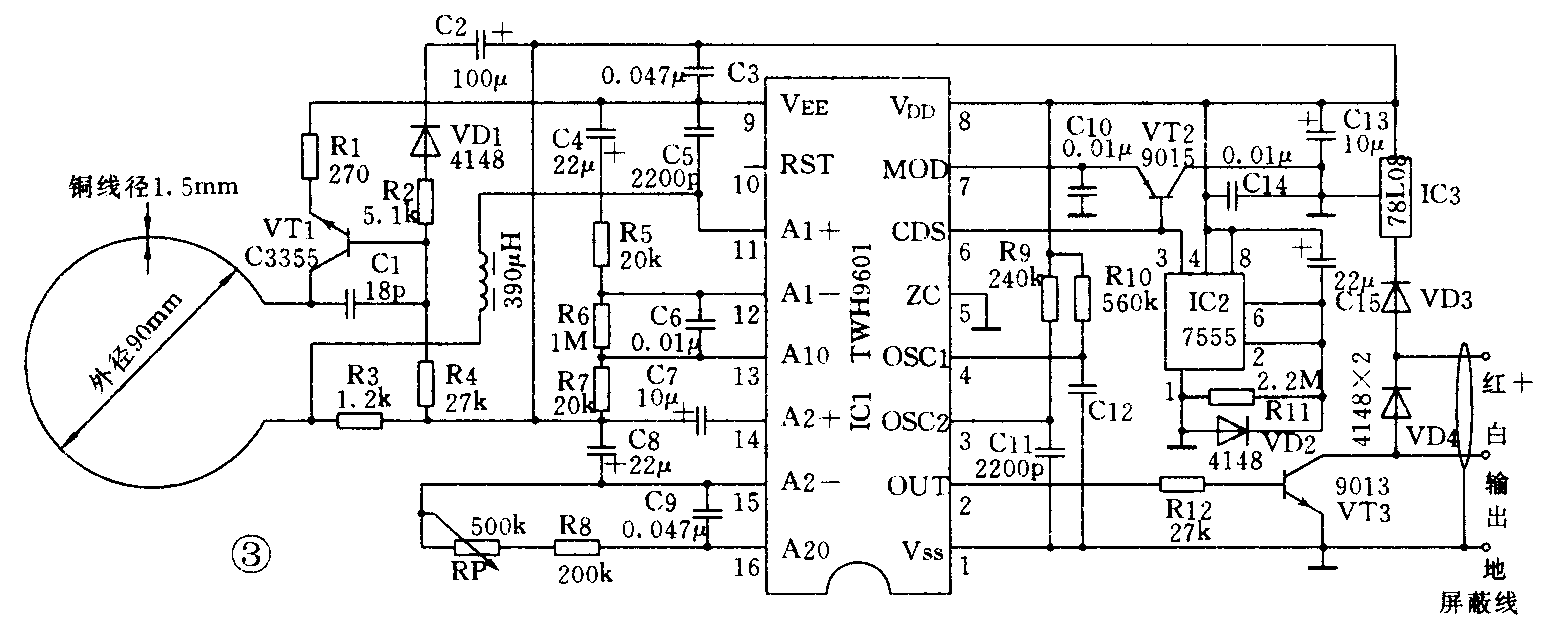
TWH9601专用芯片各引出脚功能排列见图3,其中A1、A2为两级选频放大器,A20既是第二级信号输出端,也是内部比较器输入 端,在该端接入超低频示波器,可以观察输入信号的各种动态波形。OSC1是系统延时振荡端,改变该端外围RC值,可使输出时间在2s~60s调整。芯片还具有模式选择端MOD和逻辑控制端CDS。MOD端有三种工作模式:高电平时保持报警输出;低电平时报警输出暂停;开路状态时处于自动探测状态。CDS端也有两种状态:高电平时允许电路自动工作;低电平时电路工作暂停。此两个端口可十分方便地与多路遥控装置(详见本刊1996年第12期第39页介绍)接口,操纵其防盗设定、求救报警以及解除等切换功能。芯片含有4V稳压输出,是在8、9脚之间获得,称为悬浮稳压,它可向外部微波电路提供约2mA工作电流。

图3是以TWH9601电路为核心构成的新一代家用雷达防盗探测器实用电路。雷达频移检出的微弱信号电压,由11脚输入内部进行两级选频放大后,再经16脚进入双重信号鉴别电路。为使整个电路性能稳定,放大器增益应控制在67dB以内(调节RP),11脚只要有0.15mV以上信号,即可触发输出,而传统旧型探测器则需0.6mV~lmV。被放大的选频信号经芯片内部一系列比较、鉴别后,OUT端便得到2s~60s(由R9、Cll确定,图3中设定为10s)的报警电平输出。
对于模式选择端,图3采用555单稳电路对接口进行首次加电60s探测延迟,这样设置除有利于主人能从容离开防范现场外,还有利于提高整机初始化稳定性。
利用该芯片构成的雷达防盗探测器,其主要性能可达到以下指标:使用电压:11V~16V,工作电流:小于4.5mA,输出电平:12V,输出灌电流:50mA,首次供电延迟:60s、触发输出延时:10s(延时输出期间仍然有触发输入时,输出将持续),椭圆形有效探测距离:2m~7m,加反射罩定向有效探测距离:4m~15m。
图4是利用图3制作的型号为TWH9251的雷达探测器。把探测器安装在需要防盗的门窗方向位置,报警器、警示灯、开关和电池放在室内,入睡前打开电源开关,l分钟后探测器即进入防范状态。当有人破门(窗)而入,报警器即发出告警声,警示灯亦被点亮。

按图4安装时要注意:继电器内阻应选择350Ω以上,因报警时的功耗较大,电源应使用1.2Ah以上的免维护电池,并定期给电池充电或使用浮充电器长期向电池进行补给浮充电。探测器的灵敏度应调至适可为止。(林荣生)