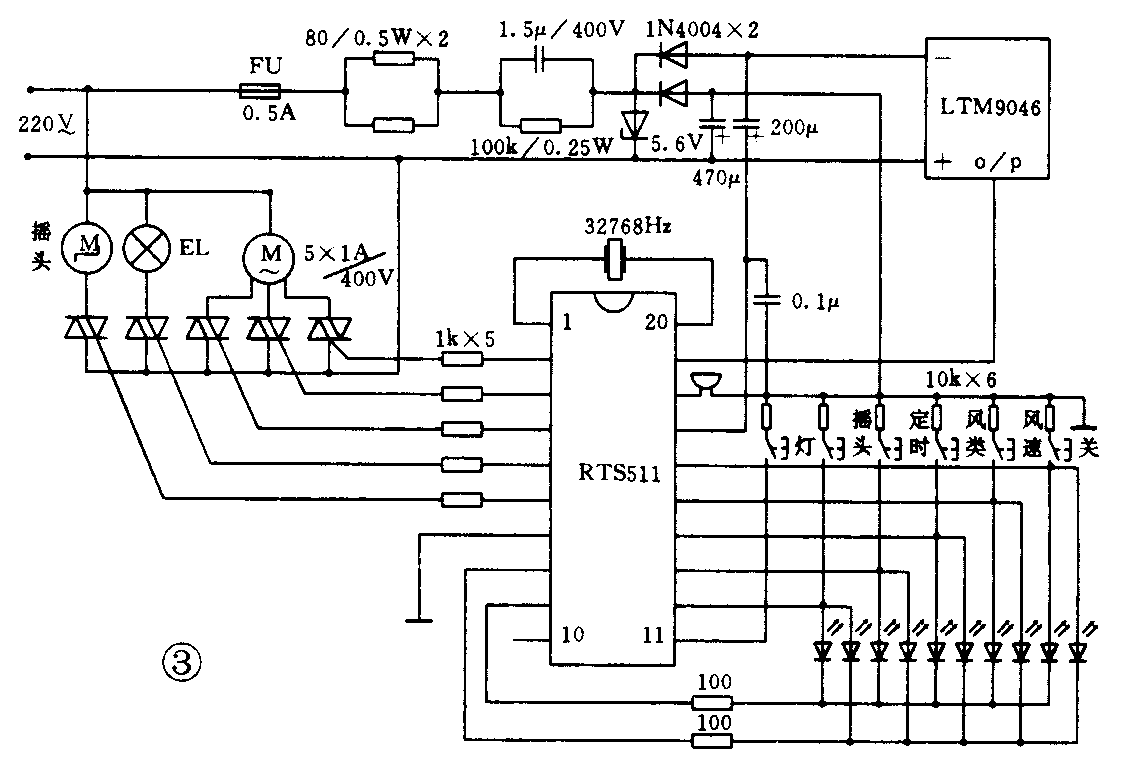
电风扇控制电路RTS511采用20脚双列直插式塑料封装,各引脚功能见图1。

RTS511主要有以下功能。
“关”键:切断电风扇电动机电源,电风扇停止运转,控制电路恢复原来静止状态。
“风速”键:当电风扇静止时,此为启动健,电风扇强风启动以增大扭力,3s后恢复设定的弱风状态。当风扇转动时,此健为风速设定键,按照弱风、中风、强风、弱风、中风……循环式选择。
“风类”键:选择电风扇转动之类别,当10脚浮空时,按正常风、自然风、睡眠风、正常风、自然风……循环式选择;当10脚接7脚时无睡眠风,按正常风、自然风、正常风……循环式选择。
“定时”键:设定电风扇的预置时间,具有四段式累进计时和不累进计时、三段式累进计时和不累进计时等定时模式。
“摇头”键:非独立式电子摇头控制,当电风扇运转时,按此键可控制电风扇摇头运转,当电风扇停止时,此键不能动作。
“彩灯”键:独立式控制,按此键可控制彩灯的开关,此键的动作与电风扇是否运转无关。
图2是电风扇遥控发射电路,图3是接收电路。每次按键,均有蜂鸣器响应发声以表示按键信号已成功接收,并具有错误按键之保护功能。图3中,LTM9046为封装元件,包含红外接收管及CX20106等电路。接收电路也可不用遥控器,而直接手动控制。(闵士清)

