本文介绍一种EPROM写入器,制作容易,使用方便,可以作为单片机的开发工具。
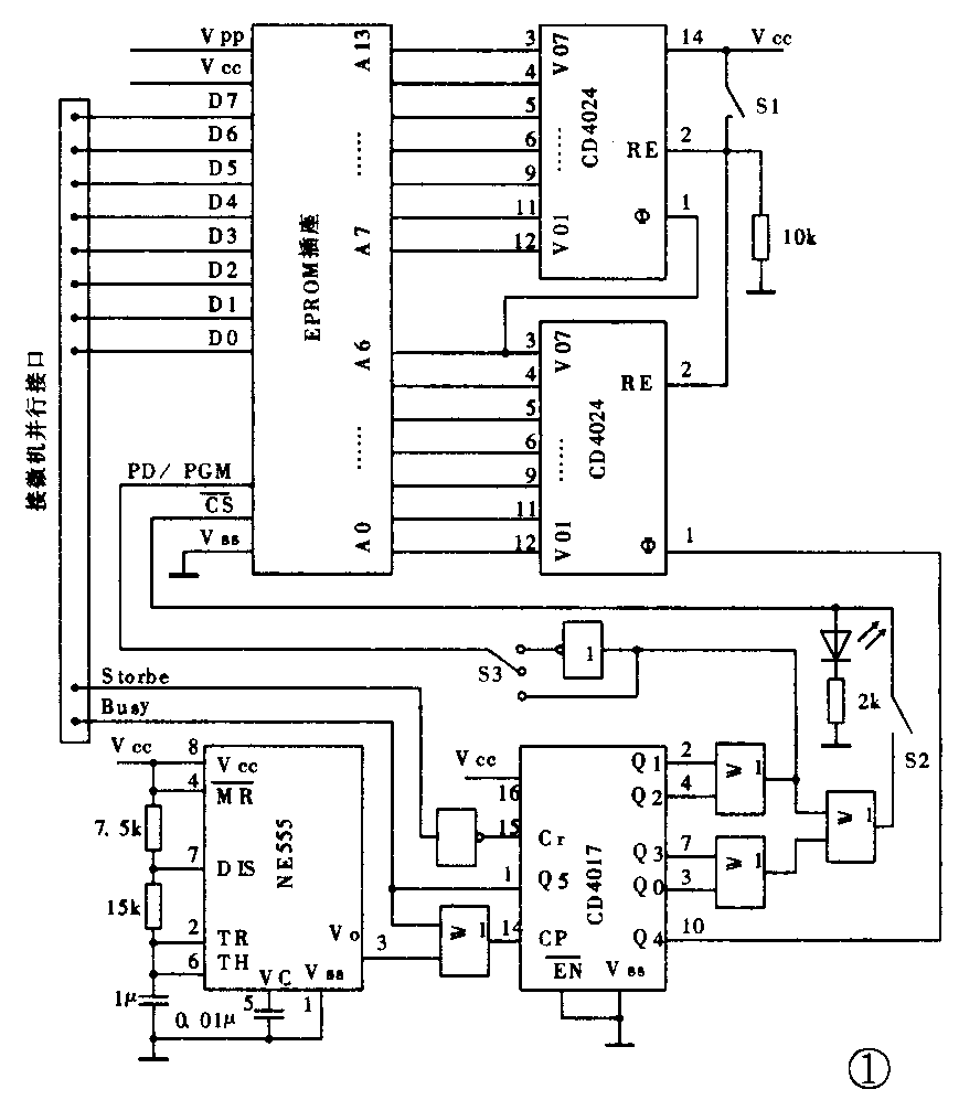
工作原理:由NE555构成的脉冲发生电路产生周期为26ms的脉冲;当微机在并行口上有数据输出时,storbe信号通过非门使4017清零;4017的Q5脚上呈低电平,使脉冲信号通过或门进入4017,在4017的QO~Q3脚为高电平期间EPROM的C—S端选通,Q1和Q2脚通过或门产生一个52ms的正脉冲(可以通过S3选择为负脉冲),使数据线(DO~D7)上的数据写入EPROM;Q4脚的正脉冲使4024计数器加1,即转到下一个待写入的地址,Q5脚的高电平出现使或门关闭进入4017的脉冲,直到下一个storbe信号出现为止。为了能使数据从EPROM的0地址写入,设置了开关S1和S2,双掷开关S3可以选择PD/PGM信号为正脉冲或负脉冲。其电路原理图和元件的选择见图1。使用方法:

1.将S1和S2扳至断,根据EPROM型号的不同选择S3,然后将该线路板接到微机的并行口。
2.接通板上的电源,V\(_{CC}\)为+5V,VPP可根据EPROM的不同选用12.5V和25V,然后打开微机。
3.将S1扳至通,紧接着板至断。将S2扳至通。
4.在微机上用相应的软件编辑好要写入EPROM的代码,在并行口输出。
5.将S2扳至断。
至此在微机上编辑的代码已写入EPROM中。(宋永富)