问:一台日立VT-427录像机,加电后电源相示灯亮,多功能显示屏显示正常,但不能将录像磁带装入机内,请问怎样查找故障原因?(山西 刘争)
答:如果确认故障不是由磁带盒不良引起的,应检查主导电机及其驱动电路的工作状态。测主导电机驱动电路IC1601(M54680FP)的,正常值应为电源供电22V。若IC1601正常,应进一步检测系统控制电路IC901(HD614088SB60),当磁带被送入时,IC901应为低电平,否则检查带盒升/降开关S142,若有故障应修复或更换。值得注意的是,当收带滑轮上的皮带老化松弛时,由于动力无法传递,也会造成不能装盒故障。(聂元铭)
问:一台松下NV-HD82型6磁头Hi-Fi立体声录像机,重放时图像正常无声音,接收电视台信号时也同样如此,后将录像机与彩电间的连接改RF方式为AV方式也无声音,经调整音频磁头没任何效果,不知何故?(江苏 徐文雄)
答:首先应提出,在没确认音频磁头被调整过的情况下,切忌贸然去调音频磁头,尤其对Hi-Fi立体声录像机更是要注意这点。这种故障一般与音频磁头无关,因为接收电视信号也同样无声。故障部位应在音频处理电路中查找,该电路以IC4501大规模集成块为核心组成。检查重点为5V电源(IC45010)和连接线路(是否断裂)。若5V电压失常,再顺此查Q4501稳压电路及各电源滤波电容,通常不难找到故障点。(兰德)
问:一台TC-7423V型彩电出现三无故障,测开关电源输出电压正常,测行输出电路供电电流为1A左右,当焊开行偏转线圈再测行电流为260mA,不知是否为行偏转线圈短路?(山西 吉卫)
答:判断与检修三无故障应分为两部分进行,第一是开关电源是否正常;第二是行扫描电路是否正常。从所问情况分析,开关电源基本上是正常的,那么故障点应该是行电流过大,但据此判断是行偏转线圈短路,理由是不充分的,因为行偏转线圈是行输出电路的负载,其直流电阻值很小(仅2Ω左右),对直流而言就可以等效为短路,但是行偏转线圈是工作在行频状态,与行逆程电容及行输出变压器的初级绕组构成谐振回路,通过的是锯齿波脉冲电流,但其两端的脉冲电压并不高,因此线圈匝线短路的可能性非常小。当断开行偏转线圈后,行电流变小为260mA,说明行输出电路带负载能力差,输出电流小,具体的原因是行输出变压器在脉冲状态下短路所致,与行偏转线圈没有关系,判断其短路也是不正确的。(陈克军)
问:一台日电CTP-1803PD型彩色电视机,声像均好,只是屏幕左边有几条垂直黑色线条,请问是何原因引起的?如何排除?(江苏 冯光明)
答:这是电视机行扫描电路中的某只电容有轻微漏电或容量下降所致。在排除这种故障时,应重点检查C518、C519、 C521、C523等。另请注意的是,如果行扫描电路的印制板上灰尘过多,也会导致这种故障,因此在检修时应先将灰尘除净,有时可收到事半功倍的效果。(邱慧远)
问:一台松下TC-2185彩电,使用3年有余。最近每次开机约两分钟光栅即消失,扬声器中有嘟……的声响,请问如何检修?(内蒙古 宏海)
答:松下2185彩电采用的是松下M15L机心。该机的电源部分由厚膜块STR50213构成。可控硅Q834(FD312)系113V过压保护器件。首先可检查Q834是否已击穿损坏,再检查厚膜块STR50213是否变质。根据本人的修理经验认为该机厚膜块STR50213器件变质的可能性较大,将其换一质量良好的厚膜块(挑选时一定要用10k挡测量漏电程度),并用一只130V稳压管代替Q834。经上述处理,一般即可使彩电正常工作。(刘福胜)
问:一台夏普(SHARP)C-200lDK彩电发生光栅左边暗右边亮,图像模糊但伴音正常的故障,该如何检修?(河南 聂飞)
答:这是彩管加速极电压不正常之故。通常是加速极电压滤波电容C854(0.0lμF AC250V)失效或开路,使行正程彩管无加速极电压,电子束难以轰击荧光屏,故彩管左边暗;而行逆程反峰脉冲形成加速极电压,使电子束轰击荧光屏右边发亮,故出现左边暗右边亮的故障。更换C854(该电容在彩管尾板上靠近彩管⑧脚),故障即可排除。(汤志成)
问:一台广东中山市通达电子厂生产的TD-832星宝牌双卡收录机,在磁带B面录音后,重放A面,就只有左声道声音正常,右声道声音非常小,有时还听到B面所录声音的倒转声,这是为什么?(黑龙江 贾存贤)
答:在生产录音机的机心时,除校正磁心方位角外,还检查磁头高度,当磁头高度偏低时,加一个薄铜垫。在磁带上,不论哪一面,外侧均为左声道,两个面的右声道在内侧,是相邻磁道。当磁头严重倾斜或高度不够时,放音中,另一面的右声道串过来成为倒转声;录音时,另一面的右声道则被偏磁抹去一部分。应重新校正方位角,如仍不奏效,可在磁头的紧固螺钉处垫一薄铜垫,再调整方位角。(韩家明)
问:一台爱华HS-JX629随身听,收音、放音均无声,判断集成电路TA7688F可能损坏,不知性能参数如何?请告知。(福建 戴开文)
答:TA7688是立体声放音电路。有两种封装:TA7688P,16脚双列直插式; TA7688F, 16脚双列扁平式。两种封装,电路参数、引脚功能、顺序相同。TA7688P/F工作电源电压V\(_{CC}\)=1.8~6V,推荐值VCC=3V。当V\(_{CC}\)=3V,RL=32Ω,THD=10%时,输出功率P\(_{0}\)=27mW;RL=16Ω时,P\(_{O}\)=38mW。当VCC=3V时,TA7688P/F各引脚电压如下:①1.5,②1.5,③1.5,④1.5,⑤0,⑥2.2,⑦l.5,⑧0,⑨3.0,⑩l.5,2.3,2.2,30,5,1.5,1.5。(霄明)
问:一台简易CD唱机,其D/A变换集成块CXD1161损坏,不知能否用LC7881代换?如不行,还能用哪一种型号代换?(山东 刘昌锋)
答: CXDll61可用LC7881代换,还可用韩国三星公司的KDA0316代换。由于同型号集成电路有不同的封装,所以代换时,只有封装形式一样才能直接代换。(霄明)
问:一台调频立体声收音机,立体声解码器TA7370损坏,请介绍特性,引脚工作电压,有无代换型号?(江苏 王伟)
答:TA7370有两种封装:TA7370P,9脚单列直插封装;TA7370F,16脚双列扁平封装。两者的引脚功能、对应关系以及V\(_{CC}\)=3V时各引脚工作电压如下:
TA7370P 1 2 3 4 5 6 7 8 9
TA7370F 4 16 1 3 5 7 8 9 11
电压(V) 0.2 2.6 3.0 2.8 0 - 2.6 1.0 1.0
功能 输入 滤波I Vcc VCO 地 指示灯 滤波Ⅱ L输出 R输出
注意: TA7370F其余引脚为空脚。TA7343P可代换TA7370P,代换时应调整供电电压。TA7343P推荐工作电压V\(_{CC}\)=8V,而TA737OP推荐工作电压VCC=3V。(韩家明)
问:一台牡丹分体式收放机, 录音部分的KA7226损坏,不知各引脚功能是什么?有无代换型号?(北京 高学文)
答:KA7226是韩国三星公司生产的带ALC双通道前置放大器。各引脚功能如下:①V\(_{CC}\),②缓冲级输出I,③前置输出I,④空脚,⑤负反馈I,③输入I,⑦ALC控制,⑧地,⑨输入Ⅱ,⑩负反馈Ⅱ,\地,前置输出Ⅱ,缓冲级输出Ⅱ,脚。KA7226可用TA7658P直接代换。(霄明)
问:一台京华60型随身听,使用一年后出现电池消耗快的故障,经检查,并未发现短路,该如何检修?(广东 黄尚银)
答:如果使用时,音质、音量都正常,仅是电池消耗快,电池质量也是好的,那么应检查电源输入端作为纹波滤波用的电解电容器。随身听电源滤波用的电解电容一般使用100μF~220μF,也有使用470μF或二个220μF。此电容若漏电电流大,则电池消耗一定快,应更换新的电解电容。(霄明)
问:一台夏普GF-900收录机左卡突然放音不转,怎样检修?(江苏 尤金生)
答:根据修理经验多数是保险丝电阻R\(_{593}\)(4.7Ω)烧断所致,更换之后,故障或可排除。(倪耀成)
问:我的夏普GF-9000收录机功放集成块TBA790B损坏,请问市售什么型号集成块可代换?(闵文)
答:可用市上易买到的TBA800或TBA810代换,代换时需在原(7)脚与地间增加一只100μF/25V电解电容。(倪耀成)
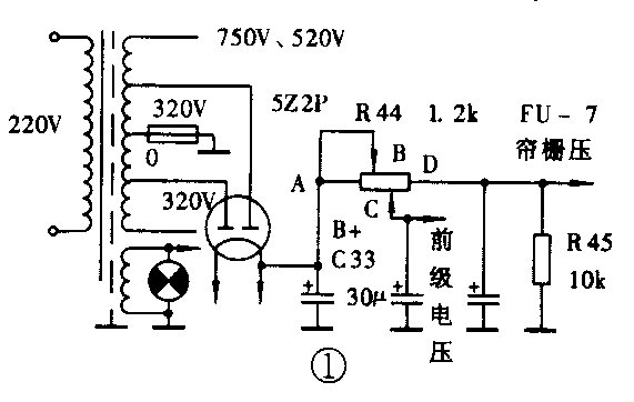
问:我村广播室有飞跃150W和50W电子管扩音机各一台,在经过预热后,开启高压开关的一瞬间,经常发现一只5Z2P整流管内打火,使用时间不长,5Z2P便损坏了。请问是什么原因致使5Z2P损坏?怎样修理?(艾光波)
答:管内打火的这只5Z2P是做次高压整流用的。致使它打火的原因是有关滤波电容漏电或其它元器件有损坏,如检查后没有发现元件损坏,可按图2所示改动一下有关元件就可消除上述打火现象,延长5Z2P使用寿命。图1是这两台扩音机次高压整流的有关电路。从图上分析可知,当高压开关刚接通时,5Z2P的屏板上便突然加上320V的交流电压。因电解电容器C\(_{33}\)容量较大,有33μF,在开高压开关的瞬间可视为短路,所以此时流过5Z2P的电流大大增加,远远超过允许值,致使管内打火,有时发出亮光。经过多次打火5Z2P便损坏了。具体改动的办法:将图1中的AB连线去掉,将电容器C33焊接到B点,将R\(_{44}\)的AB段阻值调到150~250Ω之间,这样改动后,就可以有效地减低高压开启时流过5Z2P管内的电流。再调节B、C两个滑点,可使输出电压达到额定值。(倪耀成)

