松下L15录像机机心为G型,其主导轴电机除担负驱动磁带运转的任务外,还担负机器的装载和加载。此类机型的主导轴系统故障现象常可分为两类:一是不能正常装、卸载;二是功能正常但播放的声像效果不良。下面分别叙述这两类故障的检修方法。
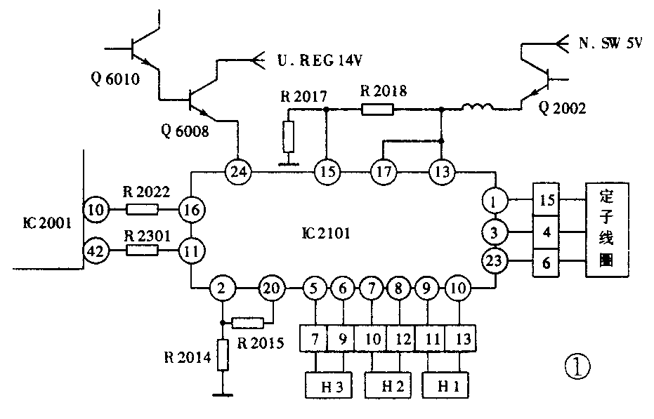
由于L15录像机的主导轴电机承担了装、卸载任务,对于磁带不能进入带仓的机器,在检修时应首先使用手动加载的方法排除机械系统出故障的可能,并检查进带检测系统是否完好,这样,检查的重点就可以确定在主导轴电机和驱动集成电路IC2101(BA6435S)了,主导轴电机由转子和定子两部分组成,如果转子不被卡死(在手动加载时即可确定),主导轴电机出故障而完全无法转动的可能性很小,主要的检查项目应放在电机驱动集成电路IC2101上(见图1)。通过检测IC2101各引脚电压一般即可发现故障原因。可重点检测下列引脚电压:,电机电源;①、③、,驱动输出;、,霍尔电源输入输出;脚,参考电压输入;脚,旋转方向指令;脚,转矩输入。上述电压值中如任一值不正常,都有可能引起电机停转,可追踪查找原因。例如,当测量无14V电机电源电压,就需查找电源在何处断路,IC2101的14V电源供电电压是由系统控制电路中的Q6008(2SD1273)提供的,仔细检查Q6008及其周边电路即可找出故障点。再如当检查IC2101脚电压正常而脚电压明显偏低时,通常为R2018开路(或阻值变大)所致,更换R2018即可排除故障。IC2101的电压是供给主导轴电机定子中的霍尔电源,该电压异常也会引起电机停转。若确定为集成块内部故障,通常需要更换IC2101,应急修理时也可外加辅助电源,使电机正常运转。在对IC2101的检测中如果各供电电压基本正常而其①、②、③、电压不正常时,应检查反馈电阻R2104是否开路,若R2014完好,一般可确定为集成电路本身损坏,应予更换。

在检查L15主导轴电机驱动系统故障时有时会遇到这样的故障现象:即主导轴电机也并非完全不能转动,但启动困难,运转无力,这种故障现象的原因一般为电机定子中某霍尔元件特性变差,致使电机缺相运行,判断的方法通常是在电机转动时,利用示波器分别检测IC2101⑤~⑩各脚波形,波形异于另外两组的引脚所对应的波形应予更换,在无示波器的情况下,可使用万用表电压挡直接测量,观察指针摆动幅度来确定,还可以拆下定子,测量3只霍尔元件的引脚间电阻值,阻值异常的霍尔元件属不良。
在L15录像机的这一类故障中,有相当一部分属于间歇性故障,使用者反映,往往开机一段时间后突然停机,磁带也无法取出,但次日再通电时机器又完全恢复正常;或机器运转时会间歇性出现杂波带、伴音变调等故障现象,一段时间后又自然消失。此类故障的根源实际上是在主导轴电机组件与主电路板的接插件P2001上。P2001位于主电路板的左上方,其左边是电源组件盒,右边是主导轴电机驱动集成块IC2101。P2001处在高温区,加之P2001引脚锡膜较薄,机器的长时间工作会使P2001引脚焊点出现裂纹,甚至裂开,这种虚焊的引脚就是造成前述故障现象的原因,对于这一类故障现象,可首先用放大镜观察一下P2001裂纹状况,以确认推断结果,然后将P2001所有焊点加锡补焊,即可一劳永逸地解决问题。
IC2101的供电电源需要两路,即REG14V和SW5V,若缺少一路,或偏离正常值太多,均会引起电机停转,其故障特征明显,较易查找。若电源电压虽偏离正常值,但又不致引起电机停转,故障现象有时会十分奇特,难以分析,检修时需要耐心、细致,方可找出故障点,笔者现举一例,以供参考。
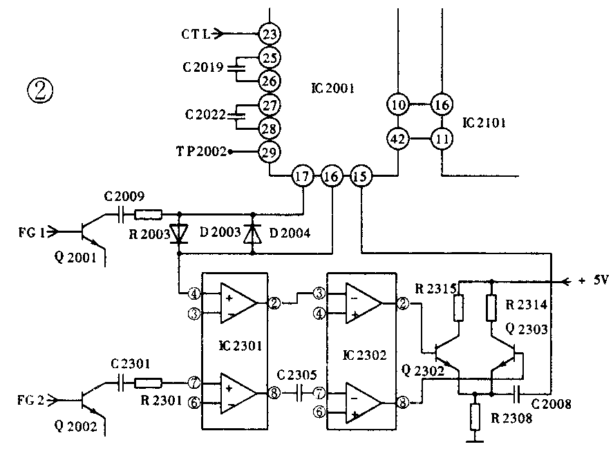
该机的故障现象为播放磁带时图像横向不规则晃动。起初,以为这是因磁头不良造成的,但更换视频磁头后故障依旧,于是怀疑伺服系统出故障。深入观察故障现象,在放像时按暂停键,画面仍晃动,使用该机自录的信号重放时,除图像晃动外,伴音颤抖,将故障机录制的信号用正常机器播放,同样图像晃动,伴音颤抖,但使用暂停方式静止画面却完全正常。根据上述故障现象分析,似乎应该是故障机在放像状态时鼓伺服系统不正常,而在录像状态时为主导伺服系统不正常,根据这一思路测量IC2001的相关引脚对地电阻值和电压值并与正常机器比较,无异常之处,改用示波器分别测量各相关点波形,虽发现主导轴电机和鼓电机的FG、PG信号波形不稳,但仍不能判定故障根源,更换IC2001也未解决问题,至此,几乎无法解释这种故障的产生原因了。在排除机械部分和电源电路出故障的可能之后,将检测范围扩大到鼓电机和主导轴电机驱动电路,检测中发现V\(_{CC}\)电压为4V,比正常值5V低1V。IC2101和IC2201的VCC电压均由主电路板上的Q2002(2SD1330)提供,测量该管各极电压值,其集电极为5.6V,基极约6.2V,而发射极电压为4V,怀疑该管特性不良,饱和压降增大,在测量发射极对地电阻值无异常后更换Q2002,通电,发射极电压升至5.1V,故障消失。
L15录像机主导轴电机电路的另一类故障特征为各种操作功能均正常,但播放的声像效果不佳,对于这一类故障,检修时同样要首先确定磁带的运行通道是否正常(包括张力),才可将检查的重点放在伺服驱动电路。一般来说,由于机械部分失调而造成声像效果不良的故障现象基本上不呈周期性变化,利用示波器监测磁头放大器输出的FM信号可看到该信号的异常基本上是固定的,仔细观察走带通道可查出故障点(参阅本刊1994年3期《录像机机械部分的简易调试》)。而伺服电路的故障所造成的声像效果不良经常为周期性变化,监测的FM信号波形一般呈波浪形周期性起伏。L15录像机的主导轴电机伺服电路的主要部分集成在微处理器IC2001(MN6740VCPK)中(图2),外围电路相对来说较为简洁,其主要的检测点有:(1)IC2001的⑩脚,这是IC2001送往IC2101的伺服控制电压,该电压值直接决定主导轴电机的转速和相位,机器正常工作时,万用表监测的该点电压只是微微波动,若摆动幅度较大,则说明伺服环路存在故障。当放像时走带速度快而测得⑩脚电压明显高于正常值,通常为电阻R2022变值(开路),改测IC2101脚电压,可发现其值与IC2001⑩脚差异较大,更换R2022即可排除故障。(2)监测IC2001(即TP2002)CTL波形,主导轴电机伺服电路若失去CTL控制信号,播放的画面就会间歇性出现杂波带,因此,当在测不到波形时,首先应确定控制磁头正常与否,再顺序监测,看有无CTL脉冲,根据监测结果,检查这一部分外围器件,一般可找出故障元件。例如一台L15机器播放磁带时画面每隔数秒即出现一阵杂波带,利用示波器监测IC2001波形,发现无CTL脉冲,波形也不正常,推断C2019开路,将C2019卸下测量,确系开路,更换后再测上述各点波形均正常,杂波带消失。(3)监测FG信号波形,L15录像机的FC磁头有两路输出,FG1和FG2经IC2301、IC2302及其外围元件组成的脉冲形成电路处理后送往IC2001的、脚,监测这两处信号波形,往往可以看出主导轴电机的转速不正常是否由FG信号不正常而引起的。例如一台L15机器播放磁带有时正常有时速度快,在机器出现故障时测得主导轴驱动集成块IC2101的脚控制电压波动幅度明显增大,利用示波器监测CTL信号波形未能发现问题,监测IC2001、脚FG信号,FG信号在故障时幅度减小,对FG脉冲形成电路重点检测,最后确定为FG磁头不良(漏电),更换FG磁头,机器不再产生间歇性故障。

L15录像机主导轴系统的FG信号为两路,这两路信号缺一不可,如果缺少一路,就会直接影响机器的走带速度。例如一台L15机器,使用者反映在播放有些磁带时经常出现杂波,或间歇性抖动,笔者开始认为其故障现象属机械系统失调,期望通过重新校正来解决故障,但在调试过程中发现,监测的FM信号包络始终有起伏,并呈波动状,后又发现故障机器播放“SP”方式录制的磁带,其显示屏显示为“LP’,利用故障机“SP”方式录制的信号在其它机器播放,监视器满屏杂波闪动,伴音发尖,而故障机“LP”方式录制的信号在其它机器上却可播放,由此得知此机器的故障特征是走带速度高出正常速度一倍,在对机器进行初步检测后将检测重点放在FG脉冲形成电路,示波器监测IC2301和IC2302各脚波形并与正常机器比较,在监测故障机IC2302⑦、⑧脚波形时发现两引脚均无波形输出,而IC2301⑧脚有波形,由此判断C2305有问题。将C2305卸下测量,该电容开路,更换C2305,机器修复。(郭一仁)