近来,随着中央电视台卫星电影文艺频道的开播,全国各地的电视节目无论从数量和质量上都发生了飞跃性的变化。节目源丰富后,如何在同一台电视机上同时收视多套节目已提到日程上来,画中画/画外画是解决这一问题的最佳手段。
画中画(PIP)是在主画面不影响收视内容的位置上,插入一个面积为主画面1/9或1/16的副画面;画外画(P0P)主要应用在16:9的宽屏幕数字电视机上,这种具有宽银幕效果的新型电视机,除可显示一幅16:9的画面外,还可把屏幕一分为二,同时显示两幅近似1:1的画面,如果在这两个主画面中,各插入一个副画面,或只在某一个主画面中插入一个副画面的显示方式,称为画外画。
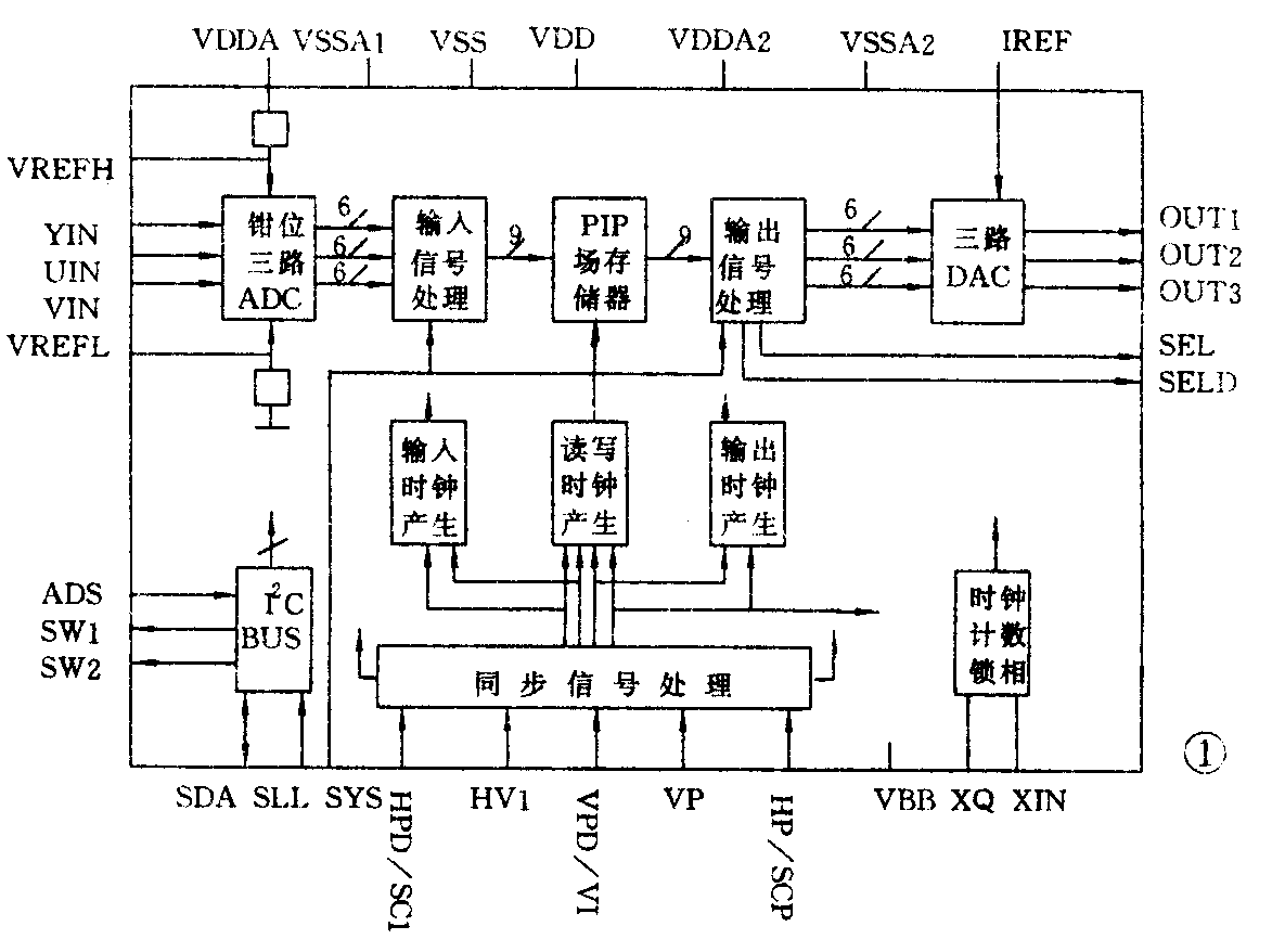
目前,大多数PIP处理芯片都比较复杂,一般都有100多只脚,外围要接存储器,甚至ADC和DAC等电路。西门子最新推出的PIP/POP单片SLI芯片SDA9288,是目前为止技术水平最高,功能最强,外围最简单,无机械调整的ASIC,它能与主画面作NTSC、PAL、SECAM三种制式的任意组合显示。内部结构如图1所示。主要由三路ADC、场存储器、三路DAC、读写时序和时钟产生等电路组成,外形为扁平双列(P-DSO)封装,只有32只脚,它的主要特点如下:

l.内置场存储器,体积小,外围简单。
2.两种画面尺寸,主画面的1/9和1/16。
3.高分辨率显示,每帧格式265×192×6 bit。
4.能分别以1/9和1/16尺寸在4:3和16:9的屏幕上显示,反之也可。
5.副画面位置可全屏幕自由编程。
6.边框宽度可变,边色有4096种,可编程选择。
7.I\(^{2}\)C总线控制。
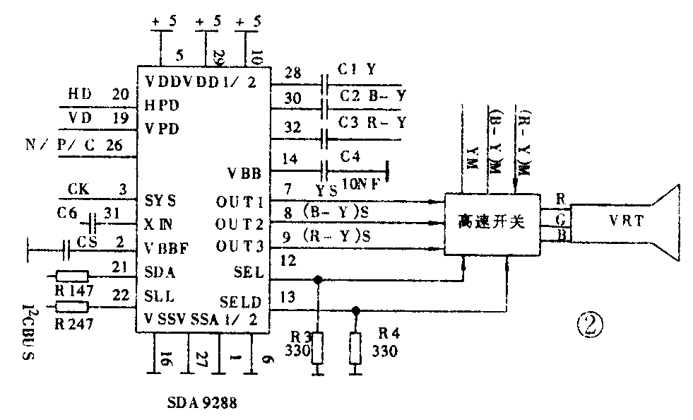
SDA9288在电视机中的应用如图2所示,电路十分简洁,来自副画面通道的分量视频信号,输入给SDA9288的INSET信号端(Pin28,Pin30,Pin32),经数字压缩处理后,由输出端(Pin7,Pin8,Pin9)送给快速切换开关电路,在SEL和SELD信号控制下,插入到主视频信号中。I\(^{2}\)C总线可控制副画面的有无、电视制式转换、输入/输出信号的分量制式转换、以及副画面的尺寸、位置、边宽、边色、长宽比等参数。这些控制内容都可由红外遥控器发出控制代码,由电视机中的微处理器完成。

SDA 9288由于图像质量好,具有多制式和无调整的明显优点,除用于PIP/POP电视机外,还可用于多画面合成器、医疗图像、多媒体、电视监控等领域。(夏阳)