问:一台东芝V-84C录像机,加电后出现电源指示灯不亮,各功能键均不起作用故障现象,不知如何检修?(兰州 齐小东)
答:根据所述故障现象,应该重点检修电源电路。拆机若检测电源2A保险管熔断,说明电路中存在有短路性故障,这时测+300V整流输出回路电阻值很小,进一步检测R801(3.3Ω/7W)是否开路,电源开关管Q807(2SC3260)的发射极电阻R828、R829(2.2Ω)是否异常,Q807、Q803、Q804是否击穿。更换损坏的元件(Q807可用BU508A代换,Q803、Q804可用3DG12B代换)后,即可排除故障。(聂元铭)
问:一台福日HFC-450型彩电,近来发现图像清晰度不好,有“拖尾”现象,整个画面后边拖一片白亮的尾光,检查末级视放电路正常,后发现三极管Q304基极电压偏低只有4.5V,图标为8.2V。更换此管也不见效,我查了贵刊近年所刊登文章均无此类故障的检修介绍,请予解答为盼。(福建 刘建昌)
答:造成图像“拖尾”故障的主要原因有:①白平衡调整不当,平衡不良。②亮度信号幅度不合适及延时时间不正确。③显像管老化及其所需工作电压不正常。检修时应首先查亮度通道,在该机中亮度通道由Q301、Q302、Q303及Q304等元器件组成,其中Q304是亮度信号控制三极管,从所述情况分析,Q304基极电压偏低,将造成其截止,同时使Q302(PNP管)截止,导致亮度信号在此被中断,造成末级视放管发射极无亮度信号注入而不能还原出基色信号,这就造成了图像清晰度下降。另一方面,经其他不正常途径通过的少量亮度成分经亮度延时线DL301延时后因相移量的不同,延时时间的误差,加到末级视放电路后将造成亮度信号在传输过程中时间的滞后,这就造成了图像的“拖尾”故障,因此应检查Q304及周围电路,如R321及D306是否损坏,当使Q304工作点正常以后,再认真调整白平衡。如果显像管亮度正常,一般不会是显像管老化。(陈克军)
问:一台松下TC-2185CR型直平遥彩电,在收看过程中经常发生三无故障,自动进入待机状态。最近故障更加频繁,几乎每次开机后几分钟至十几分钟内就会自动待机。经检查发现,主电压不太稳定,故障发生时可升至135V以上,但反复检查开关电源各元器件均没发现问题,不知故障究竟在何处?(北京 顾维)
答:这是一种故障点比较隐蔽的软故障,缺少维修经验者检修较为困难。不过根据许多维修实践来看,这种故障大多是电源集成电路IC801(STR50213)内部存在软故障所致,但在不通电冷态下难以检查 出来,故用万用表测量其各脚电阻通常无法判断好坏。若查主要外围元件无问题,就可掉换IC801,一般都能将此故障排除掉。(王德沅)
问:一台进口彩色电视机中的一只三极管损坏,其型号为BF959,请问用什么型号的国产三极管可以直接代换?(山西 马来原)
答:BF959是欧洲产甚高频NPN小功率三极管,与之参数相近的国产管较多,如3DG80、3DG56等,可用其中的一种直接替换BF959。(邱慧远)
问:一台福日牌2175型彩电,出现有像无声故障,检修时手拿镊子碰IC1301(TDA8440)10脚时扬声器无声,而碰12脚时扬声器有“咔啦”声,不知如何检修?(山东 何文)
答:TDA8440是音频、视频切换集成电路,检修时有效的判断方法是将其10脚与12脚短接,如伴音出现则表明故障在IC1301的内部。经查资料发现IC1301的内部还有一路运放空着未用,于是可将有故障的运放改接在空闲的运放上,故障即可排除。
具体操作方法是:将IC1301的9脚、10脚、12脚切断,分别引接在其5脚、7脚、14脚上即可,开机伴音随即出现。(王文彬)
问:一台组装康艺(C0NTEC)KTN-5145型彩电,顶部出现2条回扫线和一条较回扫线粗些的横虚线,但图像和伴音均正常,该如何检修? (山西 赵刚)
答:这是该机场输出管Q302集电极所接的电解电容C306容量变得过小或完全失效之故。取一只4.7μF/160V的电容代换即可排除此故障。
其它东芝两片机如东芝181E3C、201E3C等如果出现此类故障,则可更换场输出管Q306集电极所接的电解电容C313(4.7μF/160V),故障亦可“手到病除”。(汤志成)
问:一台康佳T920C型彩电图像向右移动了约2mm,其余均正常,不知如何检修?(深圳 李少文)
答:维修经验告诉我们,这是集成电路N301(TA7698AP)37脚外接的电容C310(470pF)一端脱焊之故,重焊C310,故障即可“手到病除”。(汤志成)
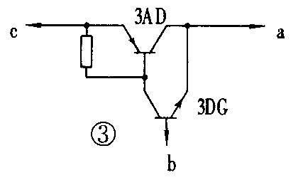
问:稳压电源中的调整管损坏了,而手边一时又没有同型号的管子,只有异极性的功率管怎么办?能否代用? (淮阴 陈阳)
答:作必要的改动能代用。图1和图2为两种典型稳压电路。图1采用硅NPN型调整管,图2采用锗PNP型调整管。如果图1中的调整管V1损坏,手边只有锗3AD型功率管可供代用。代用时将图1中带“×”处断开,将图3电路按abc对号接入图1中的abc即可。如是图2中的调整管V1损坏,手边只有硅NPN功率管可供代用。代用时将图2中带有“×”断开,将图4电路按abc对号接入图2中的abc即可,但要去掉图2中的电阻R。管子更换后要检查一下电源输出电压,如有变化可调整电路中的电位器使电压符合需要,功率管管壳要注意对地绝缘。(倪耀成)




问:收录机在录音时为什么要加偏磁电流?直流偏磁与交流偏磁哪种方式录音效果好?(林林)
答:磁带在录音的过程中,为使输入信号工作于磁带磁化曲线的线性段而在录音磁头中外加偏置电流,称之偏磁电流。由此决定了磁带录音时的工作点。这种偏置方法称为偏磁。若不加偏磁,则会用到起始磁化曲线的弯曲部分,则录音灵敏度低、失真大。所以,现代录音机中均加偏磁。外加偏磁的方式有两种:(1)直流偏磁。使用磁化曲线的直线部分,但失真仍较大;(2)交流超音频偏磁。可以减小录音信号的非线性失真,灵敏度高、噪声低、动态范围宽,可有效地改善录音质量,现已普遍被磁带录音机采用。(倪耀成)
问:一台星宝收录机,集成电路KA2213损坏,购不到,请介绍引脚功能,有无代换型号?(安徽 贾廷飞)
答: KA2213是三星公司生产的单片录音机电路,Vcc=4~12V。从项面圆圈为①脚标记开始,逆时针顺序的引脚功能如下:①相位补偿,②前置输入,③ALC输出,④前置地,⑤纹波滤波,⑥纹波滤波,⑦Vcc,⑧功放输出,⑨自举,⑩功放负反馈,功放输入,ALC输入,前级输出,级负反馈。LA4160与KA2213功能相同,可直接代换。(霄明)
问:一台常州产 XQ388型便携式收录机,收放音均无声,开机检查电源电路正常,是否是电路板上的μPC1263C2损坏?μPC1263C2的各引脚功能是什么? (江苏 王振良)
答:μPC1263C2是双音频功放集成电路,双列直插封装。如果收放音均无声,应重点检查该集成电路。⑩脚为Vcc端,推荐工作电压9V,测其电压应与供电电压相符。再检查、②脚,脚是功放输入Ⅰ,②脚是功放输入Ⅱ。正常情况下,用螺丝刀碰触时,扬声器应有感应的交流声。如果仍然无声,再检查⑧⑥两脚。⑧脚是功放输出Ⅰ,⑥脚是功放输出Ⅱ,测电压,应为1/2Vcc。如果电压接近零或接近Vcc,可判断功放已烧坏。μPC1263C2的其余各引脚功能如下:①纹波滤波,③负反馈Ⅱ,④补偿,⑤自举Ⅱ,⑦空脚,⑨自举Ⅰ,补偿Ⅰ,负反馈Ⅰ,入地。(韩家明)
问:我有一套三洋AM六管收音机套件,在电路图的变频级中,振荡器的中心抽头与通常的接法不同。通常是接在变频管的发射级,而此机接在基极,这是怎么回事?(上海 蔡明动)
答:在用单管作变频级的电路中,振荡电压注入方式有两种,一是基极注入方式,二是发射极注入方式。在基极注入方式中,本振频率与信号频率共同从基极注入,组成共发射极工作状态。在发射极注入方式中,本振频率从发射极注入,由于天线次级电感量小,对本振频率来说,基极相当于短路接地,组成了共基极工作状态;而信号频率则从基极注入,工作在发射极状态。由于工作状态不同,当这两种电路工作在相同频率时,基极注入方式比发射极注入方式对晶体管截止频率的要求更高些。因此,采用发射极注入方式的较多。(韩家明)
问:标记不清的普通二极管和稳压管混在一起,怎样区分?
答:利用稳压管工作于反向击穿状态的原理,用万用表电阻挡来区分。方法:将万用表置于R×10k档,测量其反向电阻,常用稳压管的反向电阻均比普通二极管小。(倪耀成)
问:一台北京牡丹牌MX237型放音机中的BA3516集成块损坏,市场上不易买到,用什么型号集成块代换?(金中)
答:可用LA4570代换。但代换时要注意对应的管脚。详见下表:
集成块 管脚
BA3516 16 2 3 4 7 5 6 8
LA4570 1 2 3 4 5 6 7 8
BA3516 9 11 12 10 13 14 15 1
LA4570 9 10 11 12 13 14 15 16
(倪耀成)
问:一台收录机,收音正常,放音时出现有规律的抖动声且声音失真,如何修理?(付卫东)
答:产生有规律抖动和声音失真的原因在机心部分:(1)传动皮带局部变形或弹性变弱。(2)主导轴变形主要是变弯曲。(3)压带轮磨损严重。(4)靠轮有凸凹形。更换上元器件,故障就能排除。(倪耀成)