在电器维修工作中,最常用的手段之一是在路检测。对于引线焊接元件,在路检测后可以方便地从电路上脱焊,作进一步的判断,而贴片元件,由于是直接焊接在底板的焊接面上的,而且焊面大,很难从焊盘上脱焊进行单个元件测试,这给故障判断造成一定困难。以下几个维修实例说明了微型贴片元件是可以通过仔细分析电路,采用一定的方法在路脱焊检测的。
例1:一台声宝VC-H95录像机,因经常断电而不能正常使用,故障出现时显示屏无显示。据反映曾送到维修部修理,怀疑是电源故障,建议更换电源组件。拿到该机后通电试机,插上电源一瞬间,电源指示灯、工作方式指示灯和显示屏均顺序闪亮一次,紧接着显示屏全黑,插入盒带,电源开启,进带动作正常,磁带到位后又自动关机,所有按键失效,带盒不能退出,显示屏仍无显示。偶然一次试机,整机工作正常。通过多次试机发现,插入电源很长时间后,显示屏可以正常闪亮,各种操作正常。从故障现象看,像是系统控制微处理器对电源的一种保护动作。
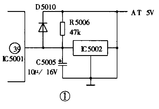
分析电路发现,插上电源线后,定时微处理器应先对各键控功能复位,复位过程中,IC5001应由低电平变为高电平(复位电路如图1所示),然后联络系统控制微处理器对所有功能状态自检一遍。若自检正常,显示屏开始闪亮,并给出当前的工作状态信息,表示可以用键控或遥控操作。这一时间大约为0.5秒,由R5006和C5005决定。若定时微处理器无复位信号,系统控制微处理器就得不到正确的定时数据和定时时钟,也就不送系统控制数据和系统待命脉冲,同时认为定时微处理器故障而封锁全部功能(包括电源开关)。在这种情况下是绝对开不了机的。因此,应重点检查定时复位电路。检查发现,定时电容C5005上的电压只有0.2V左右而且上升十分缓慢。在路检查贴片电阻R5006的阻值远大于标称值47kΩ,断电后脱开R5006的一端电极时,该电极脱落。显然,故障是由贴片电阻R5006的电极接触不良引起的。

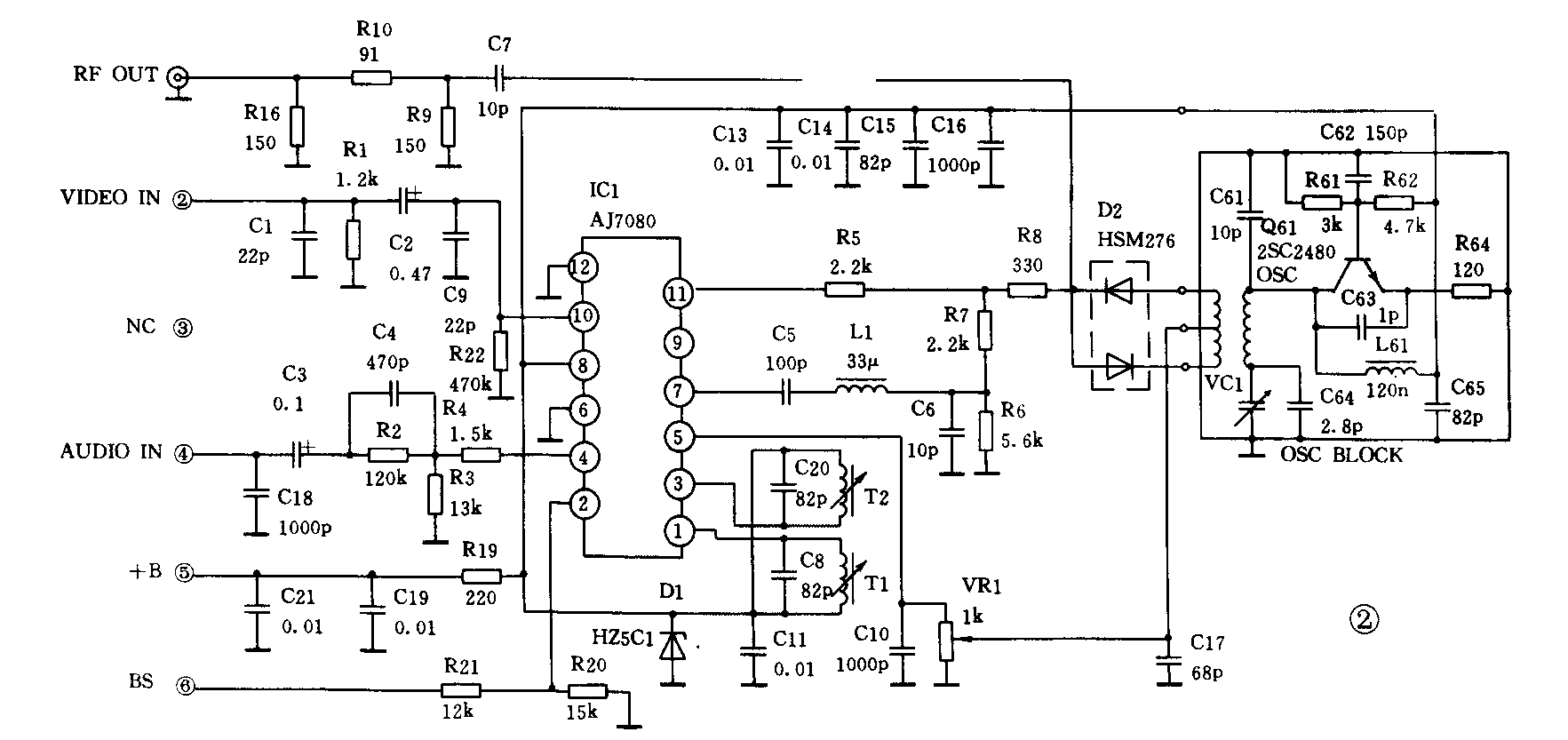
例2:一台乐声J27录像机无射频输出,音频和视频输出正常,更换射频调制器后故障排除。打开被废弃的射频调制盒,发现里面除调制器IC(AJ7080)和几个大件外,焊接面布满了贴片元件,其电路如图2所示。在路检测外围元件没有发现明显的故障迹象,注意力集中到振荡盒里。从图中不难看出,振荡盒里是一个以Q61为核心的典型电容三点式振荡器,若不考虑调节元件,振荡器的谐振回路是以L61、C61、C64和C65为主组成的,它们决定了射频调制信号的载频。正常情况下,在无输入信号时,给振荡器通电后应从RFOUT端得到正弦载波信号。因此,将VIDEO IN和AUDIO IN对地短路,在+B端接12V电源,用高频示波器观察RFOUT端,无载波输出。这样,基本断定为振荡器不起振,导致无射频输出故障。从射频调制器中拆下振荡盒,在路脱焊检查这些元件,发现C65几乎短路,而且很不稳定。显然,故障是由贴片电容C65变质引起的。

例3:一台索尼CD唱机使用半年左右常出现中途停机和不检索故障,仔细观察物镜和光纤数码输出插孔均有红色激光发出,观察物镜表面清洁,激光头也有检索动作。从表面现象看,故障很像是由激光管老化、激光强度不够、聚焦物镜支持簧变形等问题所引起。但排除人为损坏因素,新机出现这些问题的可能性不大。根据故障现象,检查的注意力集中在聚焦、寻迹、给进伺服、主轴电机伺服和电机驱动几大部分。重点检查IC外围元件,当测到聚焦、寻迹、伺服电路(CXA1782BQ)附近时,部分贴片元件参数不稳定,特别是在按压底板时变化更大,当测到如图3所示电路中电解电容C1时,在路阻值变化量可达到10kΩ以上。接通电源,并按压CXA1782BQ附近的底板,检索和其它功能均正常,放开底板后立即停机。仔细检查底板,没有发现断点,说明故障是由贴片元件电极不良引起的。将与C1有关的几个贴片元件的电极从电路板上脱焊,当焊开C2时其电极从焊盘上脱落。恢复电路元件,仅让C2开路,检索正常,按压底板无影响。显然,故障是由贴片电容C2引起的。

从电路结构可以看出,C2用于高频吸收,如果仅仅是电极脱落,相当于C2开路,对电路的正常工作不会造成很大影响。分析按压底板时C1在路阻值的变化,电路应明显存在漏电或短路故障,并且应该是由C2造成的。在放大镜下观察C2脱掉电极的一端,明显可以看到多层电容基板上的镀银层,用万用电表测量电容两端电阻果然很小。可见,这是一个具有先天缺陷的贴片电容。在制造过程中,不同极性的多层电容基板之间已经漏电,而外部电极又接触不良,当按压底板时,接触不良的外电极开路,机器可以正常工作;放开底板后,外电极与镀银层接触,又形成漏电,因而影响了正常检索。
以上例子说明,在处理由微型贴片元件引起的电路故障时,首先要对电路作仔细的、多方面的分析,不要轻易动焊;其次是在路检测或脱焊检测,最终总是要脱焊检测才能断定元件的好坏。对于贴片焊接元件,特别是多脚贴片元件,脱焊是一件麻烦的事情,如果用电烙铁直接脱焊,可能会因为高温使周边元件受到影响,也可能将待脱焊的贴片元件烫离电路板,若它不是坏件,恢复起来也不太方便。有条件可做一个如图4所示的辅助工具,这样在给贴片元件脱焊时就方便多了。用一块0.1mm厚的不锈钢,剪成3mm宽15cm长,整理平整后绕在大号螺丝刀上,然后放开让它自然成为如图4所示的螺旋状,伸展出2cm左右,这样既可以避免烫手,又具有一定的硬度。用尖嘴烙铁先对待脱焊的焊盘加热,同时将脱焊工具插入贴片元件的电极和电路板的焊盘之间,冷却后移出脱焊工具,然后找一点描图纸或电容纸插入元件和焊盘之间,就可以对元件测试了。这样,两脚贴片元件只需脱一个电极,三脚贴片元件只需脱两个电极,总是能保证元件在底板上的位置不变。若被测的不是坏件,恢复电路也十分方便,只要在焊盘上刷一点松香水,用尖嘴烙铁烫一下就行了,不需补锡,而且焊点也非常好看。(俞庆生)
