一般来讲,全制式彩色电视机要在全世界范围内的所有国家里使用,由于不同国家的交流供电标准不一,有110V、127V、220V和240V等,因此要求全制式彩电交流电源的适应范围要展宽到90V~270V。对我国广大农村和山区,市电也往往降到很低,要保证正常收看也必须把交流电源扩展到这个范围。
由于电子技术进步,这个问题得到了解决。当前国内彩电常见有两种技术方案。其一是设置桥式/倍压整流自动切换电路方案,AC在90~270V范围内,能做到经整流滤波后的非稳压值大体保持在某一很窄的变化范围里。其二是给开关管加恒流驱动电路的方案。由于增加了恒流驱动电路,使开关管的注入基流摆脱了交流输入电压变化的影响,在AC90~270V变化范围内,仍能保持开关电源正常工作。
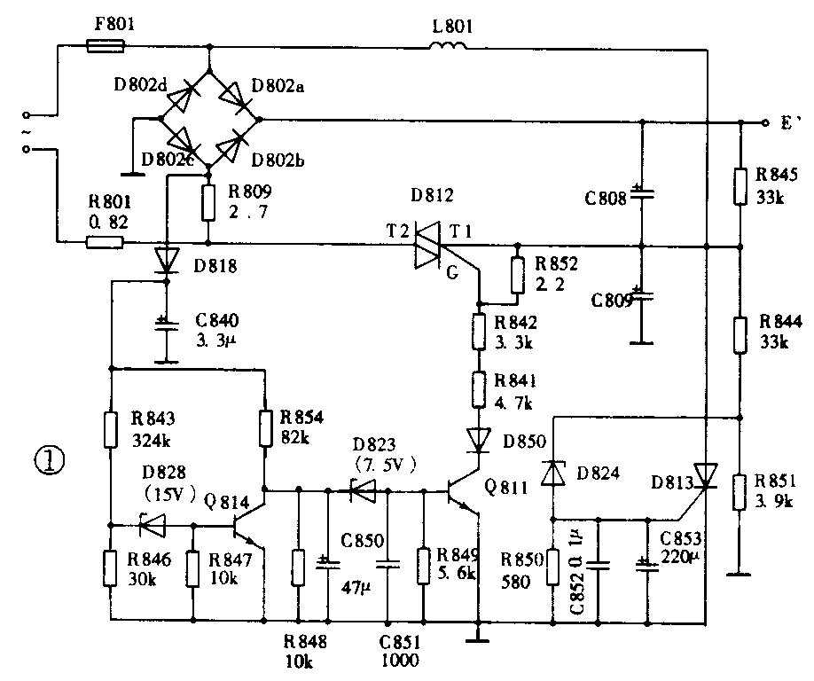
1.桥式/倍压自动切换电路
松下大屏幕彩电的TC-29V2H桥式/倍压切换电路如图1所示。图中D812为双向可控硅,它有3个电极:阳极T2、阳极T1和栅极G。T2、T1加交流电源,只有当G电位低于T1电位0.6V以上时,D812便可触发导通。当D812导通时本电路为倍压整流方式,而D812断开时变为桥式整流电路。

D812的断开与导通由Q811和Q814控制。交流电压取样电路由R809、D818、C840组成。R809上取样的交流市电经D818半波整流,在C840上产生直流电压。C840上电压与交流市电电压值成正比。当AC输入在145V以上时C840上电压值比较大,经R843、R846分压后的电压击穿稳压二级管D828(15V)。D828导通使Q814饱和导通,从而使D823和Q811截止,R852、R842、R841支路无电流通过,造成D812的T1与G间电压相同,D812处于断开截止状态。此时为桥式整流方式。
当交流市电电压在145V以下时,由于C840上交流取样电压值较小,不足以击穿D828,致使Q814截止,而D823(7.5V)被击穿导通,造成Q811饱和导通,它的集电极支路有负载电流通过,使R852两端有0.6V以上的电压降触发D812,T2、T1双向导通,于是整流器工作于倍压状态。
由于本电路可工作于倍压整流方式,因此当有AC220V输入时,由于某种原因使电路出现故障时,很可能造成高出正常值二倍的直流电压输出(非稳压)送往开关电源电路,这是非常危险的,有可能烧坏某些元器件。为此本电路还设计了直流过压保护电路。当C809上电压异常超出280V时,稳压管D824击穿导通,致使单向可控硅D813触发导通。D813导通将使交流电源短路,保险丝F801熔断,从而得到保护。L801为限流电感,当发生交流瞬间过压时,它能确保D813的工作不受干扰。
2.开关管加恒流驱动电路
国产大屏幕彩电长虹C2919P机的开关电源采用了开关管加恒流驱动的电路。它是自激振荡、恒流驱动、调频调宽、变压器式开关电源系统。这种开关电源除有恒流驱动电路外,还有超低压和过压限制电路及开管过流保护电路。它们共同配合下使开关电源系统在AC90~270V范围内,给整机提供稳定的工作电压。
长虹C2919P开关电源的原理电路如图2所示。图中VQ83为开关管。R828为启动电阻。T803为开关变压器,其中6、1为储能绕组,7、9为正反馈绕组,7、8为恒流驱动电源绕组,12、15为次级绕组。7、9绕组、R826、C820组成正反馈电路。VQ83、T803、R828、C820等组成典型的自激式振荡电路。

激励器由VQ822和VQ824两级组成。VQ822接于VQ83的基极与发射极之间,VQ824的集电极负载电阻R836接到VQ822的基极。VQ822的工作状态由VQ824所决定。VQ824截止,VQ822也截止,这时它们等于不接,对VQ83的工作无影响。但是VQ822导通时,它将VQ83的基极电流分流掉。当开关管的过荷保护管VQ825和超低压限制管VQ832导通时,均能使VQ822导通,进而造成VQ83的基极电流减少,甚或造成VQ83截止。
VQ820为恒流驱动管。恒流驱动电路主要由VQ820、R822、C821、T803的正反馈绕组7、9,恒流驱动电源绕组7、8等组成。开关电源正常工作后,当VQ83截止时,8端为正、7端为负;而9端为负,7端为正。9端负电压经R823加到VQ820基极使VQ820截止。而8端的正电压通过VD820向C821充电,这时C821上的电压就成为VQ820工作时所需的电源电压,因此我们称8、7绕组为恒流源驱动电源绕组。当VQ83导通时,8端电压由正变负,它使VD820截止,相应9端电压由负变正而使VQ820饱和导通。流过VQ820的射极电流就是注入VQ83开关管的基流。VQ820射极电流通路由C821上端8始,经R822、VQ820 c、e,VQ83b、e回到C821下端9从这里可以看到,如能保持C821两端电压不改变,且由于R822为一固定值,便可保持VQ820的射极电流值恒定,亦即保持VQ83的注入基流恒定而不受交流电压的变化影响。保持C821两端电压不变的条件有二:其一,要选用大容量的C821,利用它两端恒定电压来稳定VQ820的射极电流,实际电路选用了大容量1000μ电容值;其二,要保持T803的8、7绕组的感应电压值不变。8、7绕组和15、12绕组的匝数比是固定的,为此当在交流90V~270V变化范围里,由于开关电源的稳定输出值不改变,故可推知8、7绕组的感应电压也是不改变的。从上述已可看到,VQ83的基极注入电流不受交流输入电压波动的影响,其大小只取决于电阻R822的大小,而R822是一只固定电阻,因此在交流90V~270V变化范围内VQ83的基流可保持恒定。总之,由于恒流驱动电路的加入,就展宽了交流输入电压的适应范围,在AC 90V~270V之间可保持开关电源工作正常。随恒流驱动电路的加入又增添了新的问题,即在交流输入电压的两个极端,即上限270V,下限90V端应该进行限制,这样才能保证VQ83管的工作正常。此外,对开关管的电流,还要进行限制和保护,需要超限电路和开关管过流电路配合。
参照图2。R868、R869、R867、VQ832、R837组成超低压限制电路。当AC电压大于90V时,VQ832管基极电压较高,故VQ832截止。但当AC电压小于90V时,VQ832管的基极电位下降将导致VQ832导通,使VQ824、VQ822导通,由VQ822分流造成VQ83截止,使自激振荡电路停止振荡。
VQ837为过压限制开关管,KSR82为控制直流继电器,R871为正温度系数的热敏电阻,VD837为稳压二极管(8.2V)。过压限制电路主要由VD837、R866、R865、KSR82、VQ837、R871、R872等组成。当AC电压小于270V时,电容C826上的电压不足以击穿VD837,故VQ837截止而KSR82不动作;当AC电压大于270V时,C826上的电压击穿VD837,致使VQ837饱和导通,继电器KSR82得电,其常闭接点断开,交流电源经R871和R872降压后接入桥式整流器。由于R871为正温度系数的热敏电阻,它的阻值将随电流的增大而增加,故使进入桥式整流器的交流电压降低,从而起到了限制作用。
R838、R839、VQ825、R832和R835等组成开关管过流保护电路。不管任何原因,导致开关管电流接近最大极限电流时,电阻R838和R839上得到一很高的电压,它将使VQ825导通,随之VQ822导通,开关管VQ83截止,从而保护了开关管免遭损坏。(毕鲁)