业余无线电爱好者在进行电子制作和检测故障时,常常因没有专用仪器仪表而感到束手无策。“就地取材法”就是一种在缺乏设备的情况下巧妙地利用电路的正常部分来进行故障检测的方法。实践证明这一方法十分行之有效。
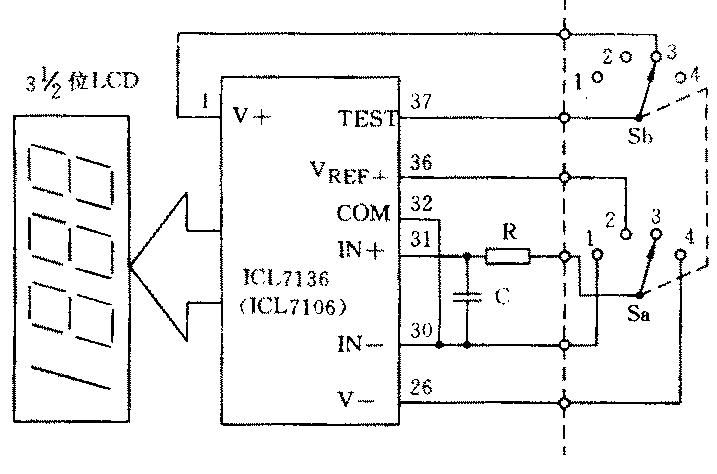
举一个例子。数字万用表中的A/D转换器是整个仪表的核心器件,若数字方用表发生故障、常常要先看A/D转换器是否已损坏,这时可利用功能正常的外围电路,运用“就地取材法”进行检测。下图为DT890A型数字万用表测量、显示电路的一部分,虚线右侧为检测电路。这里为了讲述方便设计成了联动开关的形式,实际应用时可用导线代替。检测的原理是将电路中原有的IN、V\(_{REF+}\)、V+、V\(_{-}\)等端口信号分别送至测量信号输入端IN+和测试端TEST,根据LCD液晶显示器的显示情况来判断A/D转换器ICL7106/ICL7136的功能是否正常检测步骤如下:①检查零输入时的显示值。开关S(Sa、Sb)拨至1挡,即将IN\(_{+}\)(31脚)与IN-(30脚)短接,使输入电压V\(_{IN}\)=0V,仪表应显示“00.0”。②查查比例读数。开关S 拨于2挡,使IN+与基准电压正端VREF+(36脚)短接,用基准电压代替输入电压,即V\(_{IN}\)=VREF=100.0mA。仪表应显示“100.0”,允许有±1字的误差,称之为比例读数。③检查液晶显示器LCD的全亮笔段。S拨到3挡。把测试端TEST(37脚)与正电源端V\(_{+}\)(1脚)短接,使数字电路停止工作,因每个笔段上都加有直流电压,故仪表应显示“1888”,否则证明LCD存在笔段残缺故障。此步骤须控制在一分钟之内,以免降低LCD寿命。④检查负极性及溢出显示。S拨至4挡,将IN+与负电源端V\(_{-}\)(26脚)短接,使VIN<-200mV。仪表应显示“-1”,百、十、个位均消隐。作上述检查时,可将IC从插座上拔下后再测,若IC未用插座,则只能在印制板上实验,必要时需临时刮断相关引线。注意这里假定显示电路及其他外围电路是正常的。(沙占友)
