一、简介
常见的三端固定集成稳压电路有正电压输出的78××系列和负电压输出的79××系列。所谓三端就是该集成稳压电路的引出脚只有三条,即:输入端、输出端和接地端;其封装形式采用晶体三极管的标准封装,外形与晶体三极管一样。因此,用它来组成稳压电源需要的外围元件很少,电路非常简单。该集成稳压电路内部还设置了过流、芯片过热及调整管安全工作区的保护电路,使用起来安全、可靠。
该系列集成稳压电路型号中的78或79后面的数字代表该三端集成稳压电路的输出电压数值,以伏特(V)为单位。例如7806表示输出电压为正6V;7924表示输出电压为负24V。此外,我们还可以发现在数字78××或79××的前面和后面还有一些英文字母,如LM78××、CW78××C、TA78××AP等。前面的字母称为“前缀”,通常为生产厂家(公司)的代号,如“TA”表示日本东芝公司的产品。后面的字母称为“后缀”,用来表示输出电压容差和封装形式等。通常不同生产厂家(公司)对三端集成稳压电路型号后缀所用字母的含义和定义各不相同。不过,这对我们实际使用影响不大。
78××系列集成稳压电路的输出电压大致有8种(输出电压的种类随厂商的不同而异):7805、7806、7809、7810、7812、7815、7818、7824。按其最大输出电流又可分为78××、78M××、78××三个分系列。其中78L××系列的最大输出电流为100mA;78M××系列最大输出电流为500mA;78××系列最大输出电流为1.5A。

78××系列集成稳压电路的外形有多种,详见图1。其中78L××系列有两种封装形式:一种是金属壳的TO-39封装,见图1(a);另一种是塑料TO-92封装,见图1(b)。一般以塑料封装的较多见。前者加散热片时最大功耗可达1.4W;后者最大功耗为700mW,使用时不需要加散热片。78M××系列也有两种封装形式:一种是TO-202塑封,见图1(c);另一种是TO-220塑封,见图1(d)。不加散热片时最大功耗为1W,加200×200×4mm散热片时最大功耗均可达7.5W,78××系列也有两种封装形式:一种是金属壳的TO-3封装,见图1(e);另一种是塑料NO-220封装,见图1(d)。不加散热片时,前者最大功耗可达2.5W,后者可达2W;加装200×200×4mm散热片时,二者最大功耗均可达15W。塑料封装的稳压电路具有安装容易、价格低廉等优点,因此用得比较多。
79××系列,除了输出电压为负、引出脚排列不同以外,其命名方法、外形等均与78××系列的电路相同。
二、应用举例
1.用三端固定集成稳压电路来改装分立元件的稳压电源。

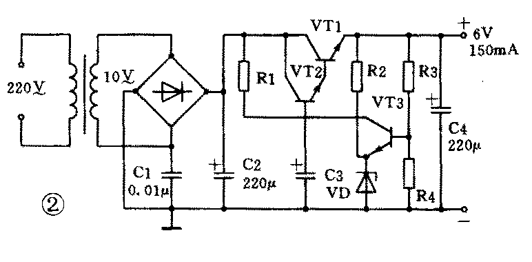
图2是一个用分立元件组成的稳压电源的电路图,它输出电压为6V,输出电流为150mA。对这样的稳压电源,我们可用三端稳压集成电路来改装它。改装后,不但电路简洁,而且各方面的性能都有所提高,再也不怕由于输出过载或发生短路而烧坏电源了。具体做法是:拆除滤波电容器C2后面的所有元件,在原印板的靠近C2的空位置上装一个78M06的三端集成稳压电路和VD5,把C4换成22μF(安装时应把C2的负极、78M06的3脚和C4的负极焊在一点上),电路图如图3所示。

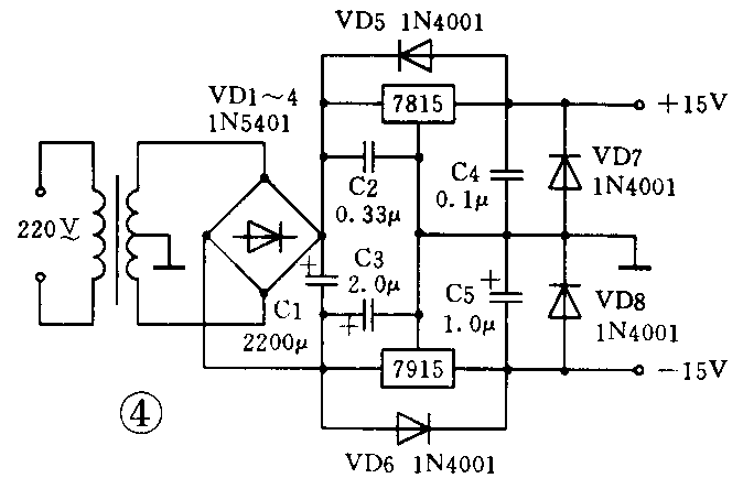
2.具有正负电压输出的稳压电源。
当需要正、负电压同时输出的稳压电源时,可分别用一块正电压和一块负电压输出的三端集成稳压电路。电路图如图4所示。此图中的电路不但正、负电源有公共接地端,而且它们与整流部分也具有公共接地端。

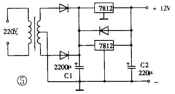
3.用几块三端固定集成稳压电路并联的方法来扩大输出电流。

如果需要一个能输出1.5A以上电流的稳压电源,最简单、实用的办法是把两块或几块三端固定集成稳压电路并联起来使用,其最大输出电流为N×1.5A(N为并联的稳压集成电路的个数)。图5就是一个能输出2A电流的稳压电源的电路图。采用这种方法扩大输出电流时需注意两点:第一,并联使用的集成稳压电路应采用同一厂家、同一型号(包括后缀)的产品,以保证集成稳压电路参数的一致性;第二,最好在输出电流上留有20%的余量,这样可以避免因个别集成稳压电路失效而造成其他集成稳压电路的连锁烧毁。
三、使用注意事项
正确使用集成稳压电路,才能获得良好的效果。下面介绍使用中要注意的一些问题,供读者参考。
1.分清三个引出脚。三端集成稳压电路的输入、输出和接地端装错时很容易损坏,需特别注意。同时,在安装时三端集成稳压电路的接地端一定要焊接良好,否则在使用过程中,由于接地端的松动,会导致输出端电压的波动,易损坏输出端上的其它电路,也可能损坏集成稳压电路。另外,在拆装集成稳压电路时要先断开电源;输出电压大于6V的三端集成稳压电路的输入、输出端需接一保护二极管(如图3中的VD5),可防止输入电压突然降低时,输出电容对输出端放电引起三端集成稳压器的损坏。
2.正确选择输入电压范围。三端集成稳压电路是一种半导体器件,内部管子有一定的耐压值。为此,变压器的绕组电压不能过高,整流器的输出电压的最大值不能大于集成稳压电路的最大输入电压。7805(7905)~7818(7918)的最大输入电压为35V,7824(7924)的最大输入电压为40V。由于三端集成稳压电路有一个使用最小压差(输入电压与输出电压的差值)的限制,所以变压器的绕组电压也不能过低。三端集成稳压电路的最小输入、输出电压差约为2V。一般应使这一压差保持在6V左右。
3.保证散热良好。对于用三端集成稳压电路组成的大功率稳压电源,应在三端集成稳压电路上安装足够大的散热器。当散热器的面积不够大,而内部调整管的结温达到保护动作点附近时,集成稳压电路的稳压性能将变差。(周富发)