经常出差旅行的人,几乎都有一个相同问题——为洗过的袜子、内衣等衣物不能及时晾干而感到头痛。本文介绍的多功能便携式干农机,解决了上述之难题。旅行者只要将洗过的衣物用手初步拧干水,塞入干衣机内胆,合上机盖,然后接上电源(可利用下榻处的电源插座),合上开关,干衣机内的电热丝通电发热,装于后部的风扇不断旋转,将衣物中的水气吹出,短时内便可烘干衣物。干衣机的基本构造和制作方法介绍如下,以供读者参考。


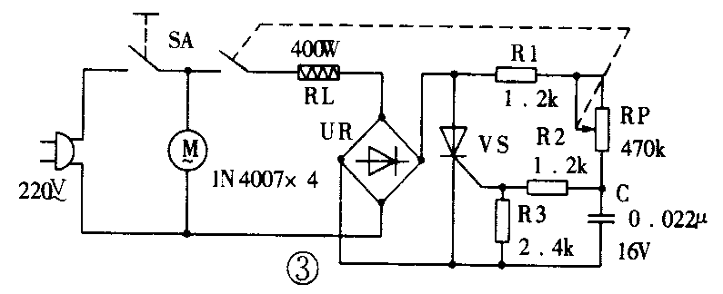
图1为便携式干衣机基本结构示意图,轴线左边为衣物筒,右边部分为电吹风,两者可沿轴线插拔。衣物简由外壳、内胆和机盖组成,外壳为φ80mm的中空圆筒,可用0.5mm厚的铁皮制作,并开有一条热气门。烘衣物时,热气门关闭一内胆为φ65mm有底无盖的中空网状圆筒,内胆的周边及底部开有整齐排列的φ8mm圆孔,孔间距为8mm,如图2所示。内胆固定在外壳的正中,底部靠电吹风那边,使塞入的衣物不会落入电吹风内。机盖有两只:一只做成网状,使干衣机烘衣物时能让水气畅通地排出,而又不致于将衣物漏出机外;另一只为封闭形状,当干衣机用作暖风器时,合上不通风的封闭机盖,打开热气门,将干衣机放在案桌上通电工作,它便成了一架造形独特的暖风器,适合办公人员、教师、学生在冬季伏案书写或办公时使用。电吹风内部装有电热丝、风扇、小电机和电源开关等,其电路原理如图3所示,图中除了加热元件RL和电吹风机外,所有元件安装在兼作其中一只机脚的开关盒内。调节电位器RP,便可调节电热丝RL的温度,使用者可根据不同季节、衣物料子和作不同功能使用时,适当调整温度。图3中单向可控硅VS选3CT3A、400V,RP选带开关的电位器470kΩ、1/2W,其它元件参数如图3所示。

由于旅行者所换洗的通常是袜子、手帕、内衣及衬衣汗衫之类的小件衣物,而毛衣、外衣等大件衣物一般在旅行期间不换洗,再加上这干衣机可方便地拆装组合,便于随身携带,且具有电吹风、暖风器和干衣机等多种功能,因此,非常适合经常出差旅行的人员使用。(俞家柱)