研究表明,除只使用一只单体电池供电的情况外,一定要注意串联电池组中各个单体之间的容量均衡问题,否则将严重影响充电电池的实际容量(指充足后可用输出容量)和使用寿命(即最大充放电循环次数)。根据实验测试,非均衡充放电,实际容量会低于设计指标30%至50%,使用寿命可能缩短一半甚至更多(视放电深度、频率、充放电电流大小等因素而不同)。
一组电池即使保持串联充电,串联放电,不拆零使用,仍会产生各个单体不均衡的问题。而且多次充放电后这种趋势会愈演愈烈。由于篇幅所限,造成非均衡现象的机理及其危害就不作赘述了,这里仅以一款用于移动电话机(大哥大)电池的充电器为例,介绍一种具有自动均衡功能的高性能充电器。
它在充电之前对每个单体逐一通过同一负载放电至同一电平来进行均衡,而后再进行串联恒流充电。这样,就可以保证各单体之间保持较为准确的均衡状态。
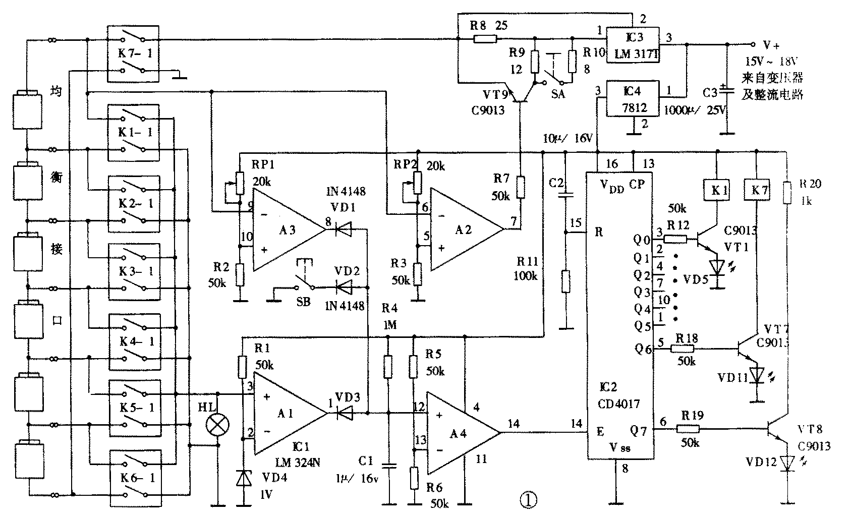
电路原理如图1所示。整个电路由电池组(六只单体)、均衡及控制电路(IC1、IC2及其外围电路)和充电电路(IC3及其外围电路)三大部分组成。

电路的工作过程可分为每个单体逐一放电(即均衡)、主充电和涓流补充三个阶段。每个阶段的工作都是自动完成并自动转换的,无需人工干预。
一、均衡阶段
IC2(CD4017)接成下降沿触发的十进制时序译码器,即依其E端收到负脉冲的个数,Q0到Q9输出端依次变为高电平。在这里它是整个电路的控制核心。在电源刚接通的瞬间,正电源通过R11C2微分电路加到R端使电路复位,Q0输出高电平,其余输出端都为低电平。这样通过VT1的驱动,继电器K1吸合,第一只单体被接入均衡电路,其它单体则悬空。放电负载HL是一个2.2V、0.3A的小灯泡。第一只单体通过它放电,开始均衡过程,同时也起到消除电压记忆效应的作用。这样小灯泡也兼作均衡指示灯。
IC1(LM324)是一片四运算放大器,其中IC1的A1、A2和A3分别接成三个电压比较器,门限值分别预置在1.0V、9.0V和9.6V。当第一只单体放电至端电压低于1.0V时,A1翻转,输出端由高电平变为低电平,这一信号通过A4组成的防抖动电路(利用C1的惰性,克服继电器触点通断瞬间的抖动,使电路工作准确可靠),送往IC2的E端。于是IC2进位,Q0变为低电平,Q1变成高电平,经VT2驱动,K2吸合,第一只单体脱离电路,第二只单体被接入,通过HL放电开始均衡。以后的步骤依此类推,6只单体逐一地通过同一负载HL放电至同一电平1.0V,完成了均衡过程,使各单体的残留电荷即充电前的起始值基本处于同一水平,同时又达到了彻底消除记忆效应的效果,为充电做好了准备。
二、主充电阶段
最后一只单体放电结束时的负脉冲,使IC2进位到Q6变成高电平,经VT7驱动,使K7吸合。此时,均衡电路被断开,转而接入由IC3组成的充电电路,开始充电过程。
IC3(LM317T)是三端可调稳压器,这里接成可调恒流源。SA是充电电流选择开关,断开时恒流值为150mA,是为标准充电(0.1C率)。SA接通时恒流值提高到300mA左右,作为快速充电。对于容量为1400mAh的摩托罗拉8900型电池,标准充电时间约10小时,快充则可缩短一半。但从有利于电池来考虑,推荐采用标准充电。在电池组端电压达到9.0V即每只单体端电压达到1.5V之前,A2输出高电平,VT9导通,一直保持在主充状态。
三、涓流补充阶段
当电池组端电压达到9.0V时,A2的输出由高变低,VT9截止,恒流值减为50mA,开始涓流补充阶段。最后,当电池组端电压升至9.6V即每只单体端电压达到1.6V时,A3翻转,这个信号通过VD1~VD3组成的二极管与门以及防抖动电路送往IC2,使其再进位,Q7输出高电平,充电电路断开,工作结束指示灯VD12点亮。至此,电池与充电器完全脱离,全部的均衡和充电工作就完成了。
对应以上每一工作步骤,都有VD5~VD11中的一只发光二极管点亮,可以明确指示出当前的工作进度。工作结束后VD12一直点亮,提示电池已充好,应切断电源(此时充电器处于守候状态,对电池无不良影响)。另外,SB是强制进位按钮开关,按下SB一次可以跳过某一单体的放电步骤,连续按六次可跳过整个均衡过程。这样,也可进行手动均衡或在急用时选择非均衡充电。进行下一次工作时,只要重新接通电源,电路就会自动复位。

特别值得一提的是,对于性能已经低下甚至充不上电的旧电池,如果加装均衡接口(如图2所示),在此款充电器上充电,可收到立竿见影的修复效果。而且由于非均衡充放电总是造成个别单体先损坏,所以只要更换损坏的单体,就可避免整块电池报废。(黄立军)