本文介绍的测试仪器,主要用于线路的开路或短路的检测,并能估测线路开路或短路电阻,测试仪可锁住小于1μs时间内的线路断续状态,并且不同的故障现象可由声、光以不同的方式来指示。

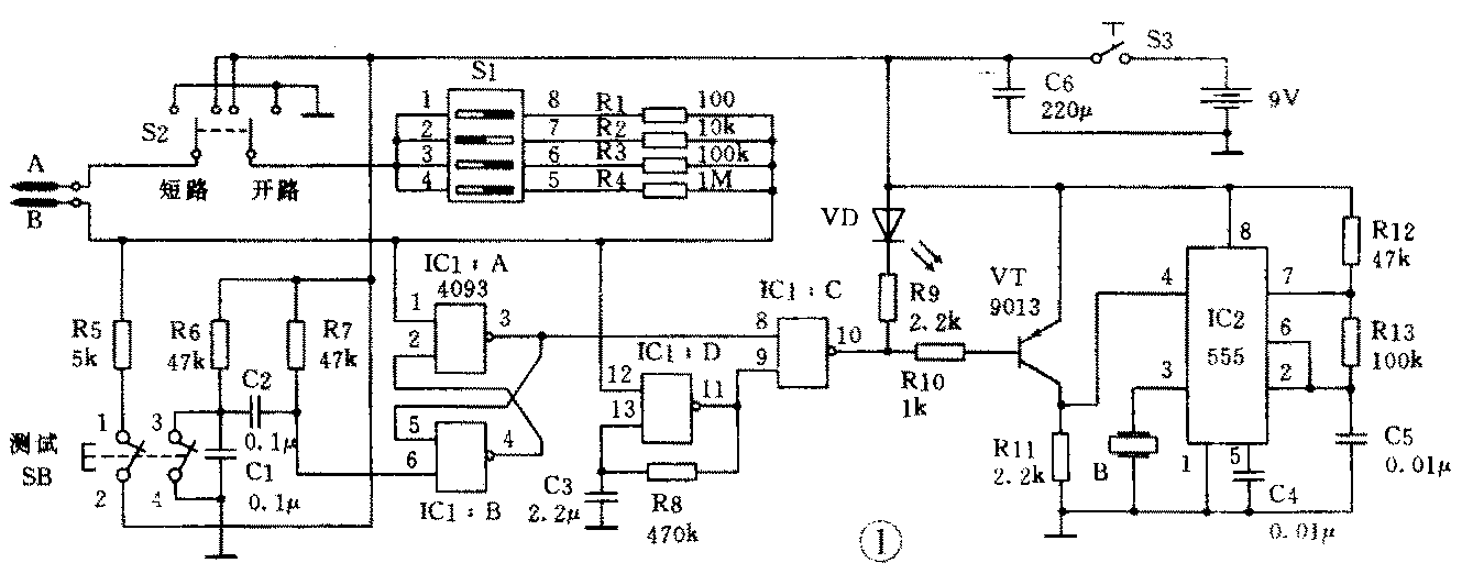
图1为电原理图。IC1为4个2输入与非门施密特触发器CD4093,IC1∶A、IC1∶B构成RS触发器,用来检测线路状态并将其锁存。其原理是:1脚为信号输入端,待测状态时为“1”电平,6脚为触发端,接通电源瞬间,由于电容C1的作用,该脚瞬时为“0”,使IC1∶B的输出端4脚为“1”电平,此电平直接加至IC1∶A的输入端2脚,其输出端3脚则为“0”电平,而些电平信号又回加至IC1∶B的输入端5脚,此时尽管6脚的电平已变为“1”,其输出端4脚仍保持“1”电平,RS触发器将保持这种状态,锁存信号由IC1的3脚输出。S2为功能开关,拨向左边为短路检测,拨向右边为开路检测。开路测试时,合上电源开关S3,再将S2置“开路”,在R2~R4中选择S1的挡位(这里R1挡对开路测量是没有意义的,如果选此挡,则电源接通时即有指示,提示需换挡),此时IC1的1脚由于R5的作用为高电平“1”,其3脚则为低电平“0”,IC1的3脚将保持输出为“0”的状态。将A、B两表笔跨接于待测线路,当按下测试键SB后,R5被断开,同时由于C2的微分作用,6脚加进一负脉冲,使4脚为“1”,如果线路正常,即A、B表笔间不开路,此时IC1的1脚为“1”,其输出端3脚为“0”,无输出指示,如图2(a)所示;如果A、B间开路,即有故障,B表笔由于线路开路而始终处于低电平,IC1的3脚将维持“1”输出,后级将产生相应的声光指示,表示线路有问题。即使被测线路处于不稳定的短暂性开路状态,在开路瞬间,IC1的1脚将由“1”变为“0”,使输出3脚变为“1”,此时即使电路又恢复正常而使1脚电位又变成“1”,但由于电路的锁存作用,3脚输出将继续保持为“1”。短路测试的工作原理与上述类似。R6、C1、C2的作用是在开机瞬间为RS触发器提供一个预置信号,使其3脚输出为“0”,以保证工作稳定。
IC1∶C、IC1∶D组成输出控制电路。IC1的3脚输出接至IC1的8脚,其输出10脚推动VD指示及后级555电路工作。IC1∶D为受控振荡器,其振荡频率由R8和C3决定,约为10Hz,控制端12脚接B表笔,其作用主要是根据被测线路状态是硬性的还是不稳定的而产生不同的控制信号:当线路产生硬性故障(永久开路或短路)时,12脚为“0”,其输出11脚则为“1”,而此时IC1的8脚也为“1”,使输出端10脚为“0”,VD发光(常亮);当线路处于不稳定状态时,“8”脚仍为“1”,9脚电平受控于12脚,12脚电平此时可为“0”或“1”,当12脚为“1”时,加于9脚的是10Hz的方波信号,使10脚输出10Hz信号,此时VD将以10Hz频率闪烁,表示线路处于不稳定故障状态,当12脚为“0”时,与稳定状态相同。
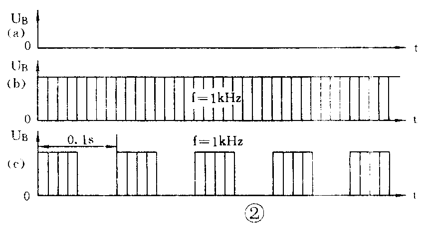
NE555为受控多谐振荡器,其振荡频率f=1.44/[(R12+R13)·C5]≈1kHz。前级IC1的10脚送出的控制信号经VT变换极性后加至NE555的控制端4脚,当4脚电压大于1.2V时,NE555起振,压电陶瓷片B以1kHz频率发声。由于555的工作状态也是受控于IC1的10脚,故B的发声与VD是同步的。线路持续故障时,B以1kHz持续发声,如图2(b)所示;而当线路处于断续故障时,其发声则是以0.1s为周期的断续声,如图2(c)所示,因此,可以很容易根据VD及B的指示情况判断出被测线路的故障类型,图2为测试不同线路状态时B的工作波形。


图3为电路印制版图,因元件排列较密,焊接时应仔细,S1采用计算机上使用的4位拨动开关,VD选用3mm超亮度型,电源开关S3选用微型自锁按钮开关,测试开关SB选用微型带常闭触头的非自锁按钮开关,B可采用Ф27mm的压电陶瓷片。本机采用9V叠层电池供电。测试器外形如题图所示。

使用时,需将A、B两表笔牢固地接于被测线路,选择S1及S2,然后按下SB,结果由VD及B指示。设置R1~R4的目的是为在测试不同的线路时以提供不同的测试灵敏度,如在检查焊点是否虚焊时,可选100Ω挡,这样当焊接电阻达到数十欧姆即可报警,如果此时选1MΩ挡,则只有当接触电阻达到数百千欧时才能报警,结果必然不准确。(周力民)