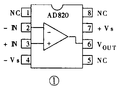
AD820是低功耗的精密运算放大器,其管脚图见图1,它的最大特点是在单电源使用中输出电压振幅可接近电源电压。在设计中,使用了N沟道的场效应管以提供低失调、低噪声、高阻抗的输入级,其宽带电压噪声之低和低频段的低噪声特性,可使其应用于信号源内阻大于10kΩ带宽超过1kHz的电路中。它那独特的双极型的输出级可得到与电源电压大致相等的输出幅度,在无外负载时,振幅比负电压绝对值低5mV或比正电压低10mV。它可直接驱动350pF的电容性负载,最小的输出电流为15mA,是一块交直流特性均良好的单电源通用运算放大器。

主要特性
使用电压范围:+3V~+36V或±1.5V~±18V;最大静态电流用:0.8mA;单位增益带宽:1.8MHz;转换速率:3V/μs;输入失调电压:≤0.8mV;失调电压漂移:1μV/℃;输入偏置电流:≤25pA;噪声电压:13nV(10kHz)。
具体运用

图2是扩大AD820容性负载能力的驱动电路,此电路能驱动5000pF电容性负载。

图3是用AD820构成的一个线性检波器电路。它有半波与全波两个输出端,使用的是单电源供电,由于AD820的输入电流在pA级,因此其输入阻抗可达10\(^{11}\)Ω以上。

图4为10Hz Sallen Key低通滤波器电路。AD820的高输入阻抗使它在有源滤波器中得到良好的使用,其pA级的输入电流引起的直流误差极其微弱,这个滤波器中,R1的值可以选得很高,使其对信号源内阻的影响达到很小,其固有输出电压噪声较低。

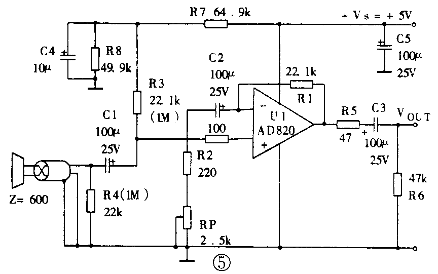
图5是单端高阻话筒前置放大器电路,电路设计成单端同相输入级,适用于高阻话筒,诸如高阻抗动圈式、石英式或压电陶瓷式等话筒,电路增益为20~40dB,可以迅速与阻抗大于600Ω的话筒匹配,但是R3、R4的值应改成1MΩ以上的数值(即括号中的数值),电路增益由R1与R2、RP的值决定,其值G=1+R1/(R2+RP)。C1~C3用于直流去耦。电阻器应使用金属膜的,以降低噪声。R7、R8的设置是为使AD820的输出达到最大的对称输出幅度。当增益为40dB时,该电路的带宽为20kHz,其电路固有噪声为200μV,若增益降低,特性还能提高。(张国华)