SR301(或TWH9103)是近期推出的新型密码控制专用电路,可与标准12位键盘组成密码控制组件,其密码编组可达到10亿组,编码最长可达12位数。几乎是不可破译的。这种密码IC具有使用方便、设置密码容易、保密度高等特点,只有知道原密码的人才能方便地设置新密码,还有三次错码报警功能。图1是这种密码IC的引脚图。

笔者用这种密码电路改制成了一部密码电话机。利用原电话机键盘,用户摘机后听不到拨号音,只有先键入正确的密码才能听到电话拨号音,然后才能拨出电话号码,外线打进来的电话不受密码电路影响,可以正常接话。经过连续数月的使用,证明这种密码电话工作稳定、保密可靠。图2是密码电话的电路框图。

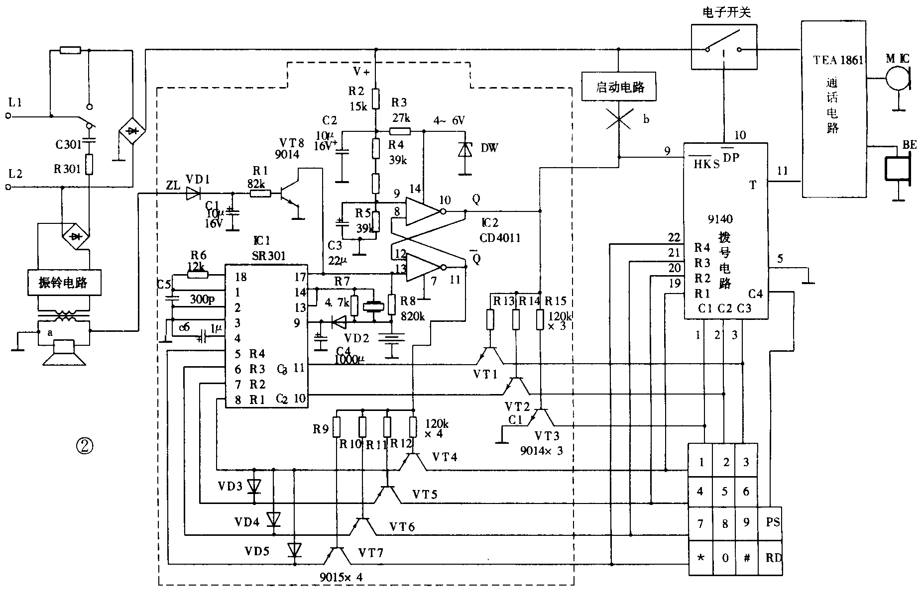
图2中,用虚线框起来的部分是增加的密码控制电路,方框以外是原话机电路框图(原电话机型号是HA868[Ⅲ]P/T)。对原电话机电路仅需两点改动:1.如图振铃电路a点,原话机中未接地,接入密码电路后此点应接地。2.原话机拨号IC9140的第9脚—HKS是启动脚,在原话机中是和启动电路相连的,此处应与启动电路断开(即在b点断开),而接到密码电路中的R-S触发器输出端Q。
电路工作原理:见图2所示,L1、L2是外接电话线,虚线框内的密码控制电路由以下三部分组成:
l.由IC2(D44011)构成的R-S触发器及附属电路组成摘机复位电路。由于电容C3的作用,当电话摘机时, CD4011的第9脚为0电平,Q为1电平,加到拨号IC(9140)的启动脚9上,使9140处于休眠状态,电话机的拨号、通话电路都不能工作,整机处于复位状态。
2.由IC1(SR301)及外围电路组成的密码电路。当整机电路处于复位状态时,因Q=1、Q-=0,所以,三极管VT1~VT7全部导通,即把电话机键盘与SR301的行、列键盘线连起来,此时即可在话机键盘上键入密码。如果密码正确,则SR301的第17脚(OUT1)会输出一个宽度为2秒的0电平,该电平使R-S触发器翻转,Q=0、Q-=1,拨号IC(9140)的启动脚(9)为低电平,使整个话机进入工作状态,听筒中可听到拨号音,拨号电路能拨出号码。同时,因Q=0、Q-=1,使VT1~VT7全部截止,话机键盘与SR301完全隔离,拨号不影响密码电路。如果键入的密码不正确,则17脚状态不改变,14脚输出0.2秒的告警信号使蜂鸣器发声。
3.由VT8及R1、C1、VD1组成振铃取样电路。当外线来电话时,扬声器发出振铃音,音频电压经VD1整流给C1充电,使VT8导通、SR301的17脚被拉到0电平,这个0电平保持5~6秒(由R1、C1决定时间长短),此时摘机,则R-S触发器被置成Q=0、Q-=1,整机即可进行正常应答通话。
密码的设置与使用:SR301加电时,密码即被初始化为“0”,先按下原密码(此时“0”),再按一下“*”键,接着输入新密码,最后再按一下“*”键,新密码设置完成。此后每次打电话时,先键入密码,再按一下“#”键即可。
SR301用二节5号电池供电。平时耗电极微(μ级),仅在17脚输出2秒负脉冲时,耗电约2mA,故电池可用一年以上。由于C4的作用,更换电池时,原密码不会丢失。整个密码电路连同电池都可作在一块小电路板上,装入电话机内。
此电路尚有几点可改进之处:
1.本电路包括市话、长途全锁,可改为只锁长途、不锁市话。
2.SR301可不用电池供电,而改用电话线馈电。
3.VT1~VT7可改用两块4模拟开关CD4066,使电路更简洁。经上述改进后,可开发成密码电话产品,远比目前普遍采用的机械开关锁“0”方便先进。 (关大路 白华飞)