当前,采用AV器材(设备)已经成为一种家居新时尚。市售成品中,有的输出功率偏小(几百毫瓦或几瓦),有的功率又偏大(发烧友玩的“大公声”输出功率高达数百瓦)。就我国国民而言,大多数的居室条件并不宽敞,所以说应以“黄金功率”30W左右的音响器材最为适中。本文介绍的功放,输出功率为40W×2,主体为集成电路结构,因而具有线路简单、调整方便、材料易购、物美价廉等优点,是发烧初哥及工薪层音响爱好者家用尝乐的优选机型。
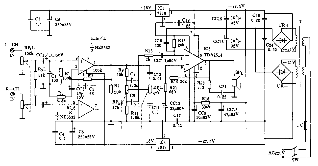
该功放由线路放大器(前置级IC1)、音调控制器(RP3、RP4等)、功放(IC2/TDA1514)和供电电源(变压器T、稳压器IC3/IC4)组成,原理电路见下面附图。图中只画出了左声道(L-CH)电路,右声道(R-CH)与之完全相同,故而略去。

该放大器的前置级IC1由在“烧界”颇具盛名的高速、低噪声双运放NE5532(左、右声道各用其半,即L-CH用IC1a,R-CH用IC1b)及其外围电路构成。本级的电压增益A\(_{v}\)=20lg(R3/R5)≈24dB。考虑到家庭放音时音量(VOLUME)RP1不会开得很大,所以在线路放大器(IC1)之后选用了由C7~C12和R9~R12、RP3、RP4等组成的衰减式高、低音调控制电路。这种电路的衰减量虽说大一些,但可以取得较宽的控制范围。功放部分采用PHILIPS COMPANY(飞利浦公司)在CD机上的专用IC片TDA1514。该IC(功放)片的技术参数见附表。
TDA1514技术参数表
指标名称 符号 单位 典型值
由源电压 ±E V ±27.5
输出功率 P\(_{0}\) W 40
负载 R\(_{L}\) Ω 8
功率带宽 PBW Hz 20~20,000
功率增益 K\(_{p}\) dB 36
谐波失真 THD — 0.1%
输入灵敏度 SEN V 0.3
供电电源采用双桥整流,大电容(CC15、CC16均为万微法级电解)滤波。功放IC2/TDA1514直接由整流、滤波后的±27.5V供电;前置级IC1的正负电源是由±27.5V“原始”电源经由三端稳压集成电路IC3/7818、IC4/7918稳压、C3~C6滤波后所形成的±18V提供的。这种供电方式的优点是电路简单、工作稳定、储能充足,对提高大信号“底气”颇有裨益。
本机的信号流程如下:音源信号由输入端IN引入加至音量电位器RP1上,从RP1中点取出适中信号由CC1耦合到IC1的同相输入端③脚;信号经IC1放大送入RC音调控制电路,RC电路对信号频谱中不同的频率分量进行必要的“提升”和衰减后由R13、CC7耦合到末级功放IC2的同相输入端①脚。信号通过IC2放大已具有相当的功率能量,最后推动扬声器发声。
为了取得Hi-Fi“效果”,在元器件选择时应予考究。电阻均采用0.5W以上的金属膜电阻,RP1选用100k×2的指数型双联电位器(左、右声道各半),RP3、RP4选用47k×2的线性电位器。微微法级的小电容选用低耗云母电容,耦合电容选用XINDAK CBB精品聚丙烯电容,小于1μF的电容采用发烧补品,其它“μF”级电容(CC15、CC16除外)均采用钽电解。变压器T的容量应在百瓦以上,最好采用环型变压器优质硅钢片。绕组采用无氧铜线绕制(次级线径不小于φ1.2)。扬声器需在30W以上,阻抗为8Ω,如“南鲸”牌YDQG20-8G圆、布(钛)扬声器(8Ω、30W、2Hz~20kHz),将其置于自制的书架式箱体内。经济条件宽裕者也可选用市售成品小音箱(要求同上)。整流桥臂二极管选用3A100V的高速管为宜。
本机的印制线路板自制。功放IC2/TDA1514应加装100×200×300mm的散热片。信号源和放大器、放大器和音箱的驳接最好选用发烧级的信号线和扬声器线。
本机为IC结构的较成熟电路,只要所用元器件优良,安装亦无误,一般无需调试即可一次成功。(张义方)