频率合成数字调谐系统在遥控器操作键的控制下,将电调谐器中的本机振荡频率进行预分频后,送入锁相环(PLL)电路中的可变分频器,将本振频率进行可变分频,然后将可变分频器的输出与基准频率进行相位比较,根据二者的差值去调整本机振荡频率,从而使调谐器中的压控振荡器(VCO)振荡于所欲选频道的频率上。一个完整的频率数字调谐系统,除了微处理器(MPU)外,还包括外部的PLL锁相电路、波段开关和分频器等。在PLL电路中反馈支路内加入一个可变分频器(÷N),在环路输入端加一个基准分频器(÷R),就构成了数字锁相式频率合成器。当VCO的频率较高时,为了适应超高频工作,在可变分频器前插入一个固定分频比(÷P)的前置分频器,进行预分频,降低可变分频器的工作频率,以提高频率分辨率。当环路锁定时,VCO的输出频率f\(_{0}\)=NPfR,f\(_{R}\)为晶体振荡器经分频后得到的高稳定的基准频率。显然,通过改变分频器的分频比,就可以改变输出频率,即实现频道的选择。由微机控制可以调整基准分频器的分频比R,实现精确调谐。
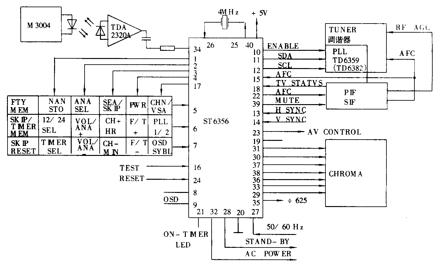
现以ST6356电视频率合成调谐系统为例进一步说明,附图示出该系统电路图。图中所示系统是由ST6356微处理器、频率合成用电调谐器(内含PLL锁相电路TD6359或TD6382),再加上由M3004组成的发射器和TDA2320A接收前置放大电路就构成了一套完整的红外遥控频率合成调谐系统。

ST6356微处理器是40脚双列塑封,它由意大利SGS公司开发生产的大规模集成电路。在ST6356电路中不但含有屏幕显示电路,而且还集成了存储器EEP-ROM。PLL锁相电路TD6359适用于中国方式,TD6382适用于美国方式,这两种PLL集成电路都需要通过一个控制总线与ST6356微处理器的输入/输出(I/O)端口连接,以交换数据。该控制总线包括SDA(数据线)、SCL(时钟线)和ENABLE(启动线)。通过数据总线ST6356微处理器能够很容易地将数据传输给PLL锁相电路TD6359或TD6382,用以控制波段开关和PLL计数器(分别以每步62.5kHz或每步31.25kHz变化)。
在附图中,来自发射器M3004的遥控信号由红外前置放大器TDA2320A接收,然后通过交流耦合网络输入到ST6356的。因为中国和美国的频道已经全部写入ST6356的EEPROM中,所以在电视调谐系统开始工作前,需要通过CHN/USA键预置,以选择中国频道或美国频道。在中国方式,它包括分布在3个TV波段(VHF1~5、VHF6~12、UHF13~57)的57个频道和CATV的16个频道。在美国方式它也是由TV频道CATV频道组成。这两种方式是用遥控发射器上的TV/CA命令键进行切换。通过本机键盘或发射器键盘操作微机ST6356,由微处理器通过总线控制电调谐器中的PLL锁相电路TD6359或TD6382,即可实现频道的选择。
现把图中本机键盘符号说明如下,供读者参考。
ANA SEL:模拟量选择。
ANA STO:把模拟量存入EEPROM。
CH+/HR:搜索、跳台、频道上的调谐/小时调整。
CH-/MIN:搜索、跳台、频道下的调谐/分钟调整。
CHN/USA:选择中国或美国的频道。
FT+:微调上。
FT-:微调下。
PLL1/2:选择PLL1(TD6359)或PLL2(TD6382)作为外部的锁相环,波段开关和分频器。
PWR:完成直流电源的开和关。
SEA/SKIP:选择搜索和跳台调谐。
SKIP/TIME:完成预存和消除频道或时钟,开机定时和关机定时内容的操作。
VOL/ANA+:控制音量或模拟星(图像)的增加。
VOL/ANA-:控制音量或模拟量(图像)的减少。
SKIP RESET:消除所有在SKIP存储器中的频道。
FTY MEM:读出模拟量存储器中预置的图像。
12/24 SEL:选择12小时或24小时方式。
OSD SYBL:选择屏幕形式(图形符号或文字)。
频率合成数字调谐方式的特点
1.由于采用晶体作为基准频率,使彩电频率稳定度进一步提高,这是因为本机振荡频率稳定度和基准频率源晶体具有同一个数量级的稳定度(达到10\(^{-}\)5数量级)。
2.通过微机控制改变可变分频器的分频比,实现选台。而且选台采用数字键盘方式,操作很简单,不需要预置频道,故选台准确、速度快。
3.显示的是实际频道,直观。
4.频率合成方式比较复杂,需要高速器件,成本较高。
综上所述,频率合成方式具有频率稳定度高、选台数量多、可以直接选择和显示所需要的频率等优点,随着频率合成器件成本的下降,在彩色电视接收机中,采用频率合成数字调谐系统会逐年增多。(王锡城)