为了减少一般电铃合、拉闸刀启、停铃声的麻烦,笔者设计了电铃声响延时控制器。需打铃时按一下自复按钮,铃声响。此铃声持续一段时间后自动消失。该电路指导同学们在兴趣活动课上制作,不仅提高了同学们的动手动脑能力和对电子技术酷爱的热情,而且将整机用于学校的打铃控制,能收到良好的效果。
电路结构
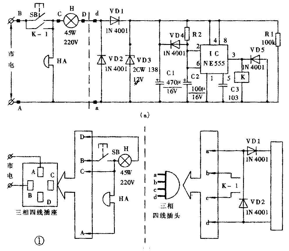
图①a为电路原理图。SB为启动打铃自复按钮。HA是交流电铃。照明灯H、VD1二极管、VD3稳压管和C1电容分别组成交流降压、半波整流、稳压滤波电路。VD2用于提供降压灯负半周的交流通路。采用照明灯作市电降压,不仅取材容易、价格低廉,还对电路延时工作产生了醒目的指示作用。R2、C2、IC及继电器K构成铃响延时执行机构。VDS为K的续流二极管,对IC起保护作用。C3为抗干扰电容。VD4和R1组成延时结束后提供C2残余电荷快速释放的回路,确保下次启动打铃时,C2从零电压开始充电。

工作原理
需打铃时按一下SB按钮即松手。SB刚按下, HA得电,响起电铃声。同时在C1电容两端可测到12V左右的直流电压。由于电容具有端电压不能突变的特性,故C2的正极端(IC的2、6脚)为低电平,使IC3脚输出高电平。该高电平使K得电工作。K-1触点闭合,提供SB松手后电路的暂时自保持工作回路,让HA继续发出电铃声。此时,12V直流电压经R2电阻向C2电容充电(充电过程中,由于VD4负极电位始终高于正极而处于截止状态,故对电路的工作不产生任何影响)。随着时间的延长,C2正极端电位越来越高。当高达2/3V\(_{DD}\)。(2/3×12=8V)时,IC的3脚立即从高电平跃变为低电平输出。K失电释放,K-1触点断开,切断了HA的工作电源,铃声自动消失。K1断开启,C2上的残余电荷经VD4、R1及IC内部的等效电阻迅速释放殆尽,为下一次打铃延时作好准备。
元器件选择
IC选用NE555时基集成块,功能引出脚及外形如图②a所示。K实用型号为DZ-100DC12直流密封继电器。该继电器有四组转换触点,其线包及常开触点出脚顺序如图②b所示。连线时,将4组触点并联使用,以提高触点的带负载能力。其它元器件的选用见图①a。

安装调试
图①a中有条虚线,意思是将电路分割成左、右两部分(K1触点划分到虚线右侧,因为它是K中的一个组成部分)。左侧标有A、B、C、D的黑色小方块的各点请用导线连接到三相四线插座中。右侧a、d黑色小方块及K1未画出的两端点b和c ,请用导线引到三相四线插头中。确保插头插入插座,A-a、B-b、C-c、D-d各点绝对正确对应接通。这样设置,能有效地提高使用和维护的方便性。图①b为连接示意图(插头插座的字母为笔者设定)。
图③为虚线左侧电路安装图及右侧电路的印制板图(1:1)。虚线矩形为继电器实际占用位置,阴影部分应挖去,以方便继电器触点出脚。依图接线、装焊经复查确定正确无误后,即可在灯座内插入220V/45W的白炽灯泡,再将印制板侧的插头插入插座,接通市电就可以按动SB进行打铃延时时间的调整。一般将铃响延时值调整在15~20s范围内,故R2的阻值在140kΩ~180kΩ选用。(金有锁)
