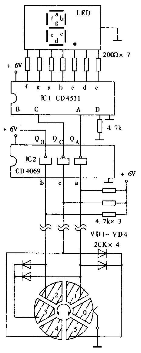
挡位显示器直观方便、装饰性强,其原理见右图。IC1是4线输入、7线输出的二进制译码/驱动电路,输入端A、B、C三个端子。由于车体共用极为地,所以用IC2的3个反相器为3位正逻辑码反相,其真值表见附表。a、b、c3位编码由二极管VD1~VD4编码完成。(黄大星)


挡位显示器直观方便、装饰性强,其原理见右图。IC1是4线输入、7线输出的二进制译码/驱动电路,输入端A、B、C三个端子。由于车体共用极为地,所以用IC2的3个反相器为3位正逻辑码反相,其真值表见附表。a、b、c3位编码由二极管VD1~VD4编码完成。(黄大星)

