本文介绍的多功能数显测量仪,具有如下4种功能:(1)测量频率;(2)测量转速;(3)作为计数器;(4)作为方波信号源。
工作原理
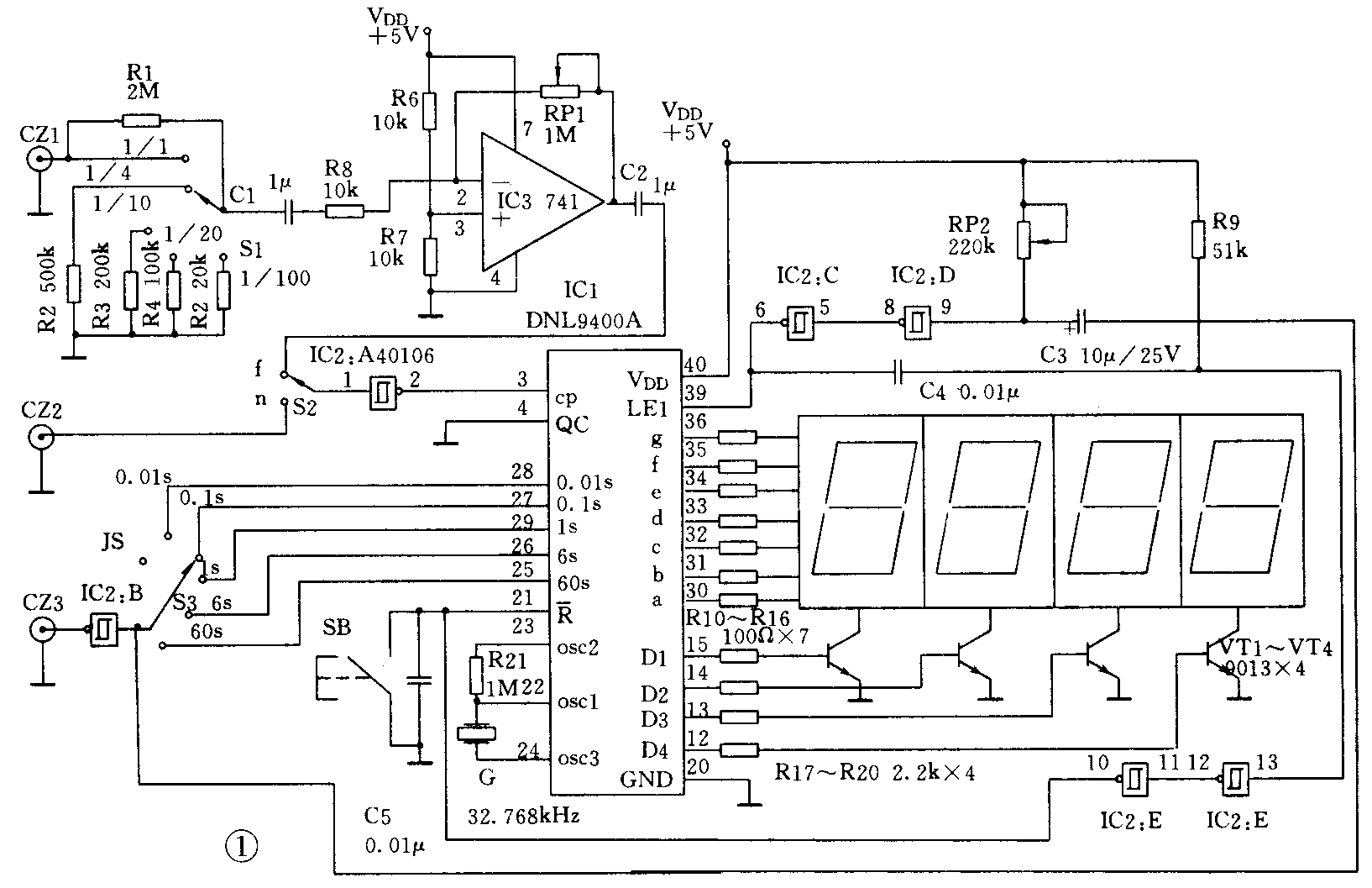
整机工作原理如图1所示。DNL9400A是一种新颖的大规模CMOS芯片,内部集成了振荡、时基、计数器、4位LED译码、锁存、驱动、复位及键盘扫描电路,具有功耗低、精度高和可靠性高等特点,还可以方便地进行级联。本仪器的最高计数值为9999,读者若觉得计数容量不够,可再扩展一片DNL9400A,即可将其扩展成最高计数频率为1MHz的仪器。DNL900A内部框图如图2(a)所示,管脚排列如图2(b)所示。


(1)测量频率
待测信号从CZ1输入,由开关S1根据信号的幅度进行衰减,衰减倍率分别为1/4、1/10、1/20、1/100对于小信号则不进行衰减,经1/1挡直接输入至由LM741构成的反相比例放大器进行放大。该放大器的最大放大倍数为100倍,从CZ1输入的电压范围为30mV~500V,调节RP1可改变IC3的放大倍数。将S2置f位,根据频率的高低,可将S3置不同的挡位,从而选择计数闸门时间。一般情况可将S3置1s挡,当频率较低时可选用6s或60s挡,不过测得的数值要除以6或60,才是实际频率值。对于各种传感器输出的较强或较弱的信号,可通过CZ1衰减或放大后输入。
测量的上电复位后DNL9400A开始计数,达到S3选择的闸门时间后,S3输出一个高电平。高电平下降沿将在LE1锁存端产生一个低电平锁存信号,锁存脉冲的宽度决定了显示时间的长短。调节RP2可改变锁存时间即显示时间的长短。显示时间T=RP2·C3·1n[V\(_{DD}\)/(VDD- VT\(_{+}\))]。VT+为施密特触发器正向阈门电压。在锁存脉冲的上升沿,由于电容C4的作用,将在复位端产生一个很窄的复位脉冲使数码管清零,之后又重新开始计数。数码管的工作过程是闪动计数→锁存显示计数值→清零→重新开始。
(2)测量转速
由霍尔传感器或光电传感器等输出的可与TTL电平相兼容的数字信号,可直接由CZ2输入,此时S2置n位,S3根据转速的高低可选为1s、6s或60s,只是读取的数值要分别乘以60、10或1(转速是指每分钟转速)。转速的测量过程和频率的测量过程相同。
(3)计数器
当S2置n,S3置JS,即将时基信号除去时,则本机成为计数器。计数脉冲信号由CZ2输入。利用本功能,可方便地对各种脉冲信号及生产过程进行计数。
(4)方波信号源
CZ3可输出60s、6s、1s、100ms、10ms的TTL电平方波信号,可供作标准时基信号或方波信号源。电路中,SB是清零按钮,按SB则数码管及DNL9400A清零,电容C5具有开机自动复位功能。数码管采用动态扫描方式显示,由片内振荡器产生的脉冲信号,经分频后将以一定频率使LED1~LED4轮流导通,即LED1~LED4将轮流显示各位计数值。改变R10~R16的阻值可改变数码管的亮度。电源部分可由变压器降压、二极管整流、电容滤波、7805稳压后供电路使用。
元器件选择与调试
数码管选用共阴LED数码管如BS311201,或采用多位LED扫描显示器如LTC~612S,S1、S3选用小型按键式自锁开关,S2选用小型钮子开关,SB选用小型复位按钮,VT1~VT4选用9014, R17~R20选用1/2W RJ型金属膜电阻,运放选用可单电源供电型,如μA741,F007等,IC3选用施密特型反相器如CD40106。MC140106等,晶振为32.768kHz,其它元件无特殊要求。如接线无误,本机基本不用调试即可使用。(孟臣 李敏)