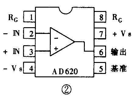
AD620是高精度单片仪用放大器IC,它是在传统的三运放基础上改进后制作的。其增益调整仅用一个电阻就能精确地编程调整。
图1是该电路的内部方框图。VT1、VT2是输入三极管,它们提供了高精度单差分对双极性输入。因采用超β工艺而使其输入偏置电流极小,通过VT1-A1-R1与VT2-A2-R2环节的反馈使输入管VT1、VT2维持了恒定的I\(_{c}\),并使输入电压叠加于外部的增益设定电阻RG上,从而使整个电路的增益由C=\(\frac{R1+R2}{R}\)\(_{G}\)+1来决定。A3是单位增益减法器,它能消除所有的共模信号,得到相对于REF脚的单端输出。RG也决定了前置放大级的跨导,R\(_{G}\)越小,增益越高,跨导亦逐渐增加到与输入晶体管的值相等。其优点为:(1)随着可编程的增益增加,开环增益亦提高,从而减小增益误差;(2)由C1、C2与前置放大器跨导决定的增益带宽随编程增益的增加而增加,有利于改善频率响应特性;(3)输入电压噪声减小到9nV/\(\sqrt{Hz}\),它是由晶体管VT的Ic及输入端的基极电阻所决定的。

由于IC内部增益电阻R1与R2的值均为很精确的24.7kΩ,所以整个电路的增益G=49.4K/R\(_{G}\)+1,因此RG在选值时由下述公式决定:R\(_{G}\)=49.4/G-1(kΩ),式中G为设定增益。当G设定为1时,RG=∞,即运放的R\(_{G}\)脚两端无须连接电阻。
1.主要参数
电源使用范围:±2.3V~±18V。最大电流:1.3mA。输入失调电压:最大125μV。输入失调漂移: 1μV/℃。输入偏置电流:20nA。共模抑制比:最小93dB(G=10)。输入电压噪声:9nV/Hz (1kHz);0.28μV (0.1~10Hz)峰峰值。带宽:120kHz(G=100)。
2.实际应用
(1)单电源应用
图4为AD620的单电源使用实例。AD620适合使用在电桥电路应用系统中。例如桥路高阻抗的压力传感器对IC要求体积小、功耗小、使用电源电压低等,AD620完全能胜任。

(2)双电源应用
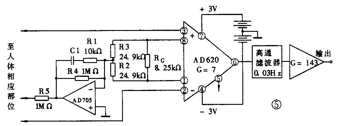
图5是AD620在心电图监测仪的的应用,这里的源阻抗可高达1MΩ,甚至更高,AD620的低功耗。低供电电压及低噪声特性得到了充分发挥。

3.消除射频干扰
该运效的输入端能对射频信号进行检波。当放大电路在微弱信号检测时,这些射频经检波后的直流电压会引起直流失调误差,为了消除这些射频干扰,可按图6那样在AD620的输入端接上低通滤波器,R、C的选取与AD620的带宽f有关,这里 R·C=12πf。

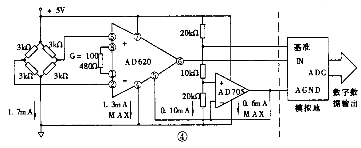
4.REF脚的运用
由于AD620的输出电压与参考端的电位有关,因此将REF脚连接到适当的地电位上是必要的。在数字电路与模拟电路组合的应用中,由于模拟电路的电平低,而数字电路会产生许多噪声,因此需将它们予以隔离,许多接地端最好连在一个点上,这个点以ADC芯片的接地点为好,见图7。而在其它应用场合,则可将AD620的REF端接在负载接地端,然后再连到电源地端,见图8。(张国华)



