乐声NV-G20EN、声宝VG-779E、东芝DV-90D、DC/93/94/ 98等录像机的开关电源均使用电源专用厚膜电路STR11006。电路主要由电源调整、取样、过流保护及稳压等部分组成。由于某些地区的市电电压波动范围较大(电压过高),或电源插头与插座接触不良,因此电源厚膜块较易损坏。此厚膜电路较难购到且价格昂贵,下面介绍两种解决此问题的方法。
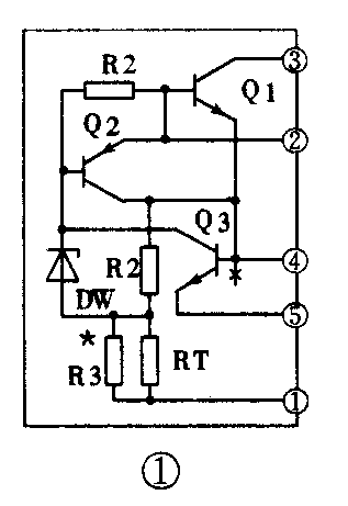
1.代换法:当检测出该厚膜电路已损坏时,可用图1所示的电路代换,其中RT为温度系数电阻,可用一只1/4W、200Ω的金属膜电阻并联一只390Ω的可调电阻代替,其电阻值在调试时确定。为使电路工作稳定可靠,R1、R2要用金属膜电阻,R1用1/4W、1kΩ,R2用1/4w、150Ω;DW用3V稳压管;V1用NPN型大功率开关管2SC1942、2SC2027、2SD1403、BU508A等,为方便安装,最好使用塑封管;V2用PNP型中功率管C9012、A950、A733等;V3用NPN型中功率管C9013、C1008、C2060等。图2是本电路印制板图,可根据具体情况直接焊在原开关电源电路板上,但要注意集电极与散热器的绝缘。在未通电前要将并联在RT上的可调电阻R3调至中间位置(以免输出电压过高),断开录像机的负载,如乐声NV-G20EN机,应拔掉P1001插头,在P1001的⑧脚与地之间接一只220V/4OW的灯泡作假负载;如声宝VC-779E机,应拔掉PC及PB两个插头,在PB的⑥脚与地之间接一只220V/4OW的灯泡作假负载;如东芝DV-90D/DC等系列机,应拔掉P811插头,在P811的①、②脚与地之间接一只220V/40W的灯泡作假负载。接通电源后用万用表测量灯泡两端电压,调整R3使输出电压与上述机型相符。其中乐声NV-G20EN和声宝VC-779E机的电压应为45V;东芝DV-90D/DC等系列机的电压应为15V。调试完毕后拆下RT及可调电阻,测出两只电阻并联的总阻值,换上同阻值的固定电阻,拆下假负载,插上所拔掉的插头,即可通电试机。


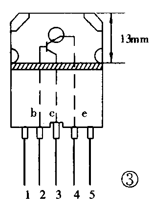
2.修复法:经笔者剖析,调整管芯片距取样、过流保护及稳压电路的距离为2.5mm,而调整管e、b极是用两根小细线连接于上述有关电路的,于是给修复带来很大方便。当该厚膜电路内部调整管损坏,即第②、③、④脚短路时,说明内部调整管已击穿损坏。可用下述方法修复:如图3所示,在厚膜块正面(有字的一面)距顶端13mm处用钢锯沿水平方向锯深约1.5mm左右的一条缝,使内部调整管的e、b极与原电路断开,然后选用一只D1403或BU508A等塑封大功率开关管当调整管,将塑封管正面紧贴在厚膜块背面,如图4所示,两螺钉孔对齐,把厚膜块的第②、③、④脚剪去3mm左右,其中第②、④脚向内倾斜分别焊在塑封管的b、e极上,塑封管c极向外倾斜焊在厚膜块的第③脚上,把厚膜块的第①、⑤脚用镊子镊直使之能对应于原开关电源印制板上的5个孔位。在原散热板上对应于厚膜块的螺钉固定孔处打一个ф3mm的孔(原来的固定压板不用),把厚膜块装回原位焊好,注意垫上原绝缘片,固定好厚膜块即可。(李仁才)

