TC9415N是东芝公司1996年最新开发成功的性能优、价格低的数字卡拉OK电路。
一、TC9415N的主要特点
1.内置两路MIC放大电路,省去了以往卡拉OK前置放大电路。这样一方面改善了系统的性能;另一方面大大地简化了卡拉OK电路。
2.卡拉OK数字混响控制及MIC放大控制有总线控制及直流电压控制两种方式,可任意选择。直流电压控制方式可与遥控电路的PWM输出直接接口,不必通过转换电路。MIC电平控制为16级,混响电平控制为8级。
3.数字混响电路动态范围大,频响宽。内置8kbit的延迟用RAM,延迟时间为128ms。
4. 由于采用了10bit的A/D及D/A转换器,使混响系统的噪声及失真很小。
5.TC9415N为24脚双列直插式封装,外围元件少。
二、 TC9415N电路原理
TC9415N电路内部方框图如图1所示。由MIC1及MIC2输入的音频信号经隔直电容C01及C02分别从TC9415N的12、13脚输入,经增益由ALC电路(自动电平控制电路)控制的放大电路放大后,进入MIC1及MIC2音量调节电路。

ALC电路为自动电平控制电路,它根据MIC输入信号的大小自动调节MIC放大器的增益。在MIC输入信号较大时,放大器增益下降,输出信号幅度恒定,不饱和失真;而在MIC输入信号幅度较小时,放大器增益增大,使输出信号增大,以保证小信号时的灵敏度。ALC电路通过10脚(MIC2 ALC电路为15脚)外接RC充放电回路,ALC电路的时间常数可通过RC来调节。电容C太大会影响小信号的灵敏度;C太小,会引起大信号失真。R所产生的影响与C相似。一般C取3.3μ~4.7μ,R取47kΩ左右比较合适。
MIC VOL音量控制电路是一个16级电子音量衰减器,它可以由串行总线控制也可以由直流电压控制。通过TC9415N4脚接高电平(+5V)或接地来选择总线控制或直流电压控制。直流电压控制电平为0~5V,它可以用遥控电路CPU输出的PWM电压直接控制。MIC音量控制传性如表1所示。串行总线数据形式如图2所示。


TC9415N在下降沿读取数据。时钟频率为:300k~400kHz。
经VOL1及VOL2衰减后的MIC1及MIC2音频信号输入至混合电路,将MIC1及MIC2信号叠加。叠加后的MIC信号从TC9415N的16脚输出,经电容C12隔直耦合至17脚。由17脚输入的信号分成二路:一路作为直通信号加至MIC 、ECHO混合电路输入端;另一路信号进入数字混响电路。17脚外接噪声调节电路,通过调节17脚的直流偏置来实现噪声最小。
数字混响电路的基本原理方框图如图3所示。模拟音频信号先经LPF(低通滤波器)滤去高频噪声,再进行A/D转换,将模拟信号变为数字信号。数字信号进入DSP电路(数字信号处理电路),DSP电路对数字信号进行延时,延时后的数字信号再经D/A转换,将数字信号变为模拟信号,再由LPF滤去时钟频率后经可变衰减器衰减,输出至混合电路,与直通信号叠加,变成卡拉OK信号输出。

TC9415N数字混响电路方框原理图如图3所示。从TC9415N的17脚进入LPF1的模拟音频信号,经IPF1及TC9415N18脚外接的RC滤波电路后,由19脚进入ADC(A/D转换电路)。经A/D转换后的数字信号被送入DELAY-RAM内,然后经32ms、64ms及128ms分三次读出,并分别经-12dB、-12dB及-8dB衰减后再叠加,输出3种延时叠加的数字信号,这数字信号由20脚输出。为了加强混响效果,128ms延迟后的信号经2.5dB衰减后再反馈至DSP输入端与ADC信号叠加,从而达到自然回声的目的。
由TC9415N的20脚输出的数字混响信号经外部RC滤波后从21脚输入LPF2低通滤波器,以滤除时钟信号。经IPF2低通滤波输出的音频混响信号然后进入混响信号VOL电路。混响信号VOL电路是一个8级电子音量衰减器。它的控制方式与MIC VOL1、MIC VOL2基本相同,既可以用总线控制,也可以用电压控制。串行总线数据形式见图2。
由混响音量衰减电路输出的延时音频信号进入混合电路,与17脚输入的直通音频信号相叠加产生具有混响效果的MIC信号,从23脚输出。
TC9415N时钟振荡电路为RC振荡电路,TC9415N的2、3脚外接R11、C11。
TC9415N各脚功能如表2所示。
端口号 端口名称 I/O 功 能
1 VDD - 电压输入端
2 OSC-C I RC振荡器外接电阻(10kΩ)
3 OSC-C I RC振荡器外接电容(120kpF)
4 VOLST I 电子音量控制选择端 H:串行控制 L:DC控制
5 VOL1 I VOLST=“H”:CK时钟信号输入 VOLST=“L”:MIC1音量DC控制
6 VOL2 I VOLST=“H”:EN时钟信号输入 VOLST=“L”:MIC2音量DC控制
7 VOL3 I VOLST=“H”:SI串行数据信号输入 VOLST=“L”:回声音量DC控制
8 TO I 测试端口,正常工作时为“L”
9 Vref - 内部参考电压端口(1/2VDD)
10 ALC1 I MIC1的起始时间,释放时间设定端口
11 MC1N I MIC1反相信号输入端口
12 MC1P I MIC1信号输入端口
13 MC2P I MIC2信号输入端口
14 MC2N I MIC2反相信号输入端口
15 ALC2 I MIC2的起始时间,释放时间设定端口
16 MCO O MIC信号输出端口
17 MIX I MIC混合信号输入端口
18 LP1IN I 低通滤波器LPF1输入端口
19 ADIN I AD转换输入端口
20 DAOUT O DA转换输出端口
21 LPE2IN I 低通滤波器LPF2输入端口
22 LP20 O 低通滤波器LPF2输出端口
23 OUT O 信号输出端口
24 GND - 接地端口
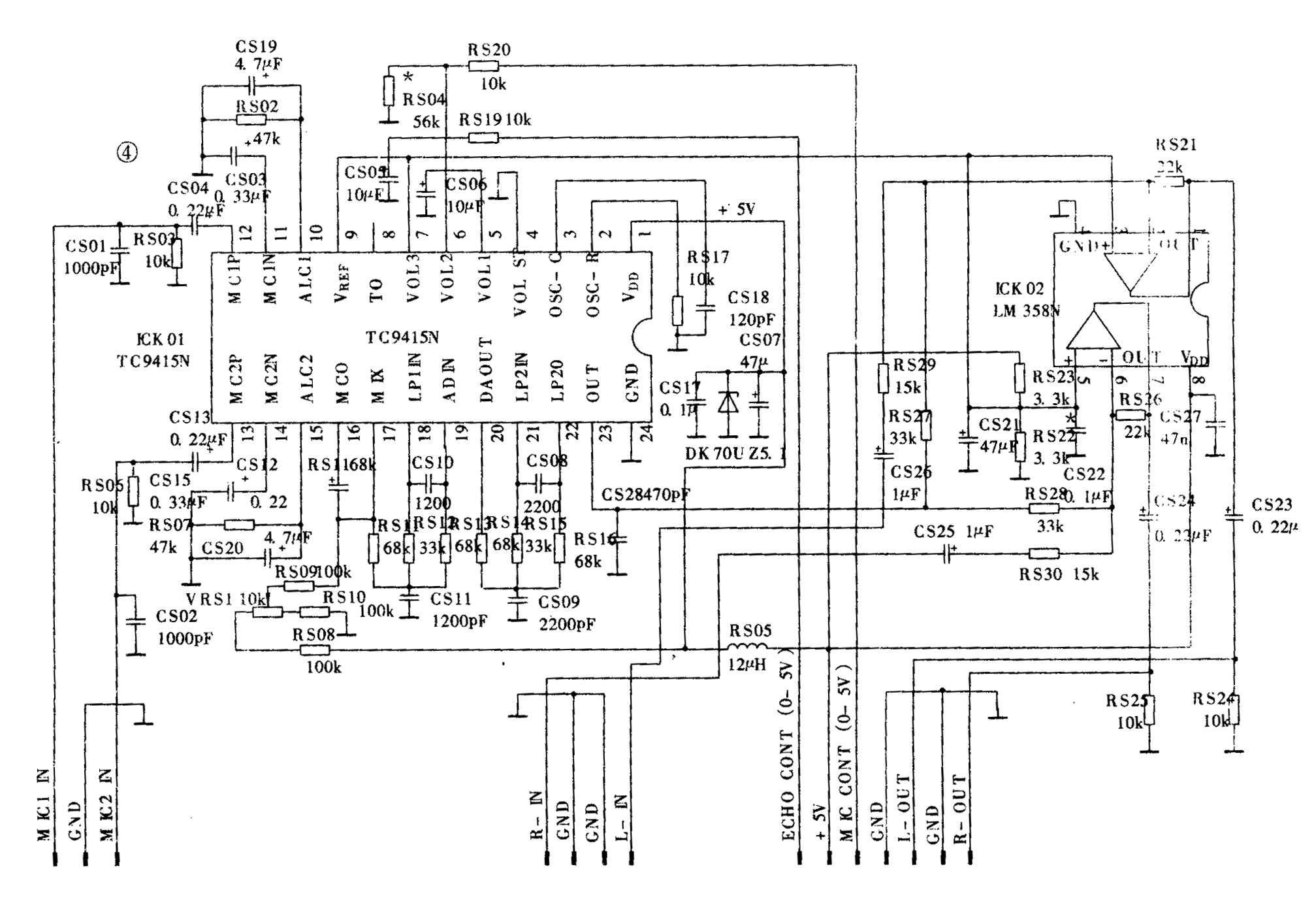
TC9415N应用电路如图4所示。(蔡国清)
