VT-M888EM录像机,能对PAL制彩色电视信号进行记录和重放,还能兼容NTSC、SECAM彩色电视信号录/放。能与多制式彩色电视机连接,收看重放的N制节目磁带,也可以和PAL制电视机连接,收看重放的N制磁带。在录/放SECAM制式时,用MESECAM方式实现。录像机多制式兼容不涉及电视接收射频电路,仅是视频NTSC、SECAM和PAL的兼容问题。下面把日立VT-M888EM录像机(文中简称888机)的多制式兼容电路作些具体说明。
1.重放节目磁带制式的识别
重放节目磁带电视制式的识别,基本原理是用系统控制微处理机测量磁带上的CTL信号频率(周期)来判断,有的用与微机内部的时钟来测量CTL周期,也有的用主导电机C·FG与CTL频率的相对比率来判断电视制式,由微机输出控制信号至视频和伺服电路。日立888机采用比较法测定。
图1是888录像机PAL/NTSC磁带制式检测原理框图,CTL磁头拾取的CTL信号,主导电机旋转产生的C·FG检测信号,通过IC601放大整形后送给微机IC901,微机比较二者的周期,将测定的比率和微机内部ROM区设定的数据相比较,当 C·FG频率/CTL频率是20附近数值时,微机作出判断为SP带速的PAL制磁带;当比率是24附近时判断为SP带速的NTSC制磁带。微机判断磁带走带类别和制式是同时给出的,因此共有SP.PAL;LP.PAL;SP.NTSC;LP.NTSC;EP.NTSC5种磁带规格,由微机IC901相应输出口输出控制电平。

在记录状态,没有重放CTL信号输入作判断依据,这时微机通过测量输入微机的复合同步信号代替CTL作依据来判断输入的视频信号制式作出相应控制输出。
SECAM制、MESECAM制因行、场频率同PAL制,所以它在微机IC901内按PAL制处理。它是利用SLCAM色度信号相邻二行R-Y、B-Y调频载波中心频率不同的特征将它与PAL制信号区别开来。888机是用IC381(HE8074)集成电路来检测SECAM信号。
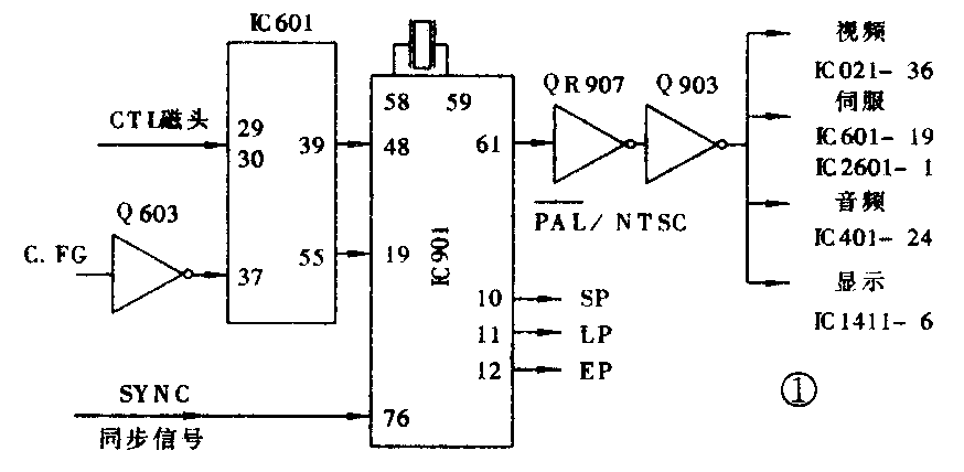
2.伺服电路的制式转换
MESECAM和PAL制伺服电路相同。N制和PAL制要进行制式转换,图2示出888录像机伺服电路方框图。图中IC601为伺服系统的主要集成电路,鼓伺服电路、主导轴伺服电路都集成在该电路内。NTSC、PAL制转换控制信号输入该电路的19脚。IC2601为3.58MHz/4.43MHz时钟信号发生器,根据制式不同,分别向IC601-42脚输入3.58MHz或4.43MHz晶振信号,作为IC601数字伺服电路的时钟信号。IC1651为磁鼓电机驱动电路,IC01为主导轴电机驱动电路。在N制状态下,IC601-19脚、IC2601-1脚高电平输入,IC2601和IC601就转换成N制伺服状态,IC2601向IC601输送3.58MHz时钟信号,伺服电路原理和PAL制相同,仅参考的标准信号和比较信号的数值发生转换。

3.视频电路多制式的兼容
(1)NTSC制式的兼容
888录像机视频电路方框图(如图3所示),主要由集成电路IC1P、IC201、IC1411组成。在IC1P磁头放大电路中当N制重放时,磁头开关脉冲为30Hz,其它都和PAL制相同,主要变化在IC201及外围电路。下边对该电路作些介绍。

①N制视频信号的重放
PAL制磁带上色度信号是经过相位移相处理的,CH1记录磁迹的色信号相位不变而CH2逐行移相-90°。NTSC制中相应的色度信号处理是CH1逐行移相+90°,CH2逐行移相-90°,在重放时色度信号升频过程中要恢复处理,888机将制式转换控制信号从IC201-36脚输入,以此来控制集成电路内部的90°相位移相器改变工作状态。在N制时重放按N制的升频色度信号相位的要求,本振信号的相位在CH1逐行移相+90°,CH2通行移相-90°,使重放时N制色度信号的相位还原,这里升频过程的本振频率随录像机前面板N制输出方式开关SW701不同而不同。当SW701在NTSC4.43位置时,晶体管控制的4.43MHz晶体X361接入IC201-18脚,产生4.43MHz晶振信号,本振频率是5.06MHz,沿用了PAL制升频频率,仅移相作了相应变换,因此重放输出视频信号色副载波频率是4.43MHz,但是信号行、场频率以及色矢量相位特性和N制相同,它要求用相应的4.43NTSC制监视器来解调才能观看。当SW701在NTSC3.58位置时,由晶体管Q362控制的3.58MHz晶体接入IC201-18脚,晶振频率变成3.58MHz。本振频率为4.21MHz,888机就输出正规的NTSC3.58电视信号。当前面板的制式转换开关SW701置于PAL位置时,888机能将N制信号转换成准PAL信号,用户就可以用PAL制电视机方便地重放NTSC磁带,电路由IC301来完成。
②N制视频信号的记录
888录像机N制与PAL制记录兼容主要在IC201 视频电路内进行,控制电路和伺服电路的变化与重放相似,包括4.43MHz/358MHz带通滤波器、色度主变换本振频率5.06MHz/4.21MHz及相位处理要求等。控制信号也是从IC901输出的PAL/NTSC,输入IC201的36脚,再去控制有关电路。IC201的外围电路中,由PAL/NThC控制线通过Q261和Q262控制亮度调频调制的中心频率,在NTSC对此频率由RT204来调节。
(2)SECAM制式的兼容
888机以MESECAM方式记录/重放SECAM视频信号,MESECAM是一种PAL兼容SECAM信号录/放的简化方式。它和SECAM录/放不同点主要在记录副载波频率的选取上,这使它在记录/重放色度信号的频率变换时可以和PAL制共用本振5.06MHz信号,仅本振相位不作矢量旋转处理。重放时MESECAM的色度信号不需要进行2H域1H梳状滤波,而是主变换后就到消色电路进行Y/C混合,而亮度信号处理通道与PAI制是一致的。记录时MESECAM除了色信号本振信号矢量不旋转外,其它都和PAL制相同。(於志根)