动态梳状滤波器电路复杂,一般都采用数字处理技术,现在大屏幕彩电中普遍采用。下面以常用的索尼(SONY)公司SBX1692-01型DCF为例,说明其工作原理。
图1给出了SBX1692-01型动态梳状滤波器的原理框图。SBX1692-01采用厚膜封装方式,由5片IC组成。一片是8bitA/D转换器 CXD176Q,一片是双8bitD/A转换器CXD177Q,一片动态梳状滤波器CXD2011Q和两片1H存储器CXK1202,其工作原理如下:

视频输入信号经A/D转换后,形成8bit数字信号,取样频率为4fse(PAL制为17.73MHz,NTSC制为14.32MHz)。数字化的信号进入梳状滤波器后,对每行与其相邻行进行运算,产生 C1、C2、C3三个色度信号,并与此行色带通信号BPF一起送至开关电路。同时,图像相关性逻辑运算电路对输入信号进行相关性检测,产生C1、C2、C3、BPF选择开关控制信号,输出色度信号Vc。色度信号与视频输入(亮色混合)相减,形成亮度信号Vy。分离后的亮度、色度信号分别经D/A转换器转换成模拟亮度信号(Y)、色度信号(C)输出。
图2给出了SBX1692-01的应用电路框图,SBX1691-01不含时钟产生电路,所需时钟由专用的CXA1686M时钟发生器产生。1脚为视频输入,13、15 脚为分离后的Y、C输出。SBX1692-01型DCF适用于PAL/NTSC双制式Y/C分离电路,24脚为制式控制端。对SECAM制式信号,可选用直通模式,不作处理,21脚为直通控制端。

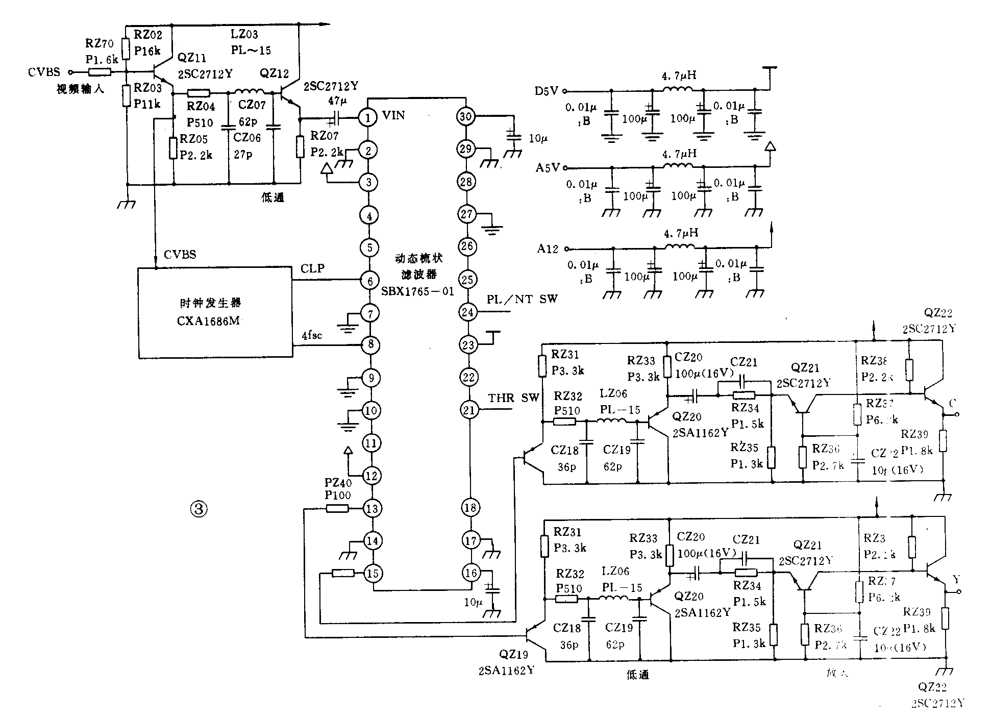
SBX1765-01型与SBX1692-01型DCF管脚、特性及封装形式兼容。不同之处在于SBX1765-0l型DCF已经将上述5片IC集成化了,其型号为CSD2024。图3给出了其应用电路图。视频信号经QZ11缓冲后,一路送时钟发生器;另一路送由LC网络及QZ12组成的7MHz低通滤波器,滤除视频信号之外的噪声,限制ADC输入带宽以满足数字取样定律。经滤波后的视频信号送至梳状滤波器的1脚,在IC内进行Y/C分离;分离后的Y、C信号分别由13、15脚输出。为滤除数字处理产生的视频带宽外的噪声成分,13、15脚分别接一个由QZ19、QZ2O及LC网络组成的7MHz低通滤波器,经滤波后的Y、C信号再送至由QZ21、QZ22等组成的共基、共射复合放大电路,将信号放大至合适的幅度,以满足亮度和色度解码、同步分离通道需要。

图4是CXA1686M等组成的4f\(_{sc}\)时钟发生器,提供梳状滤波器工作所需的4fsc时钟信号及箝位脉冲CLP(即选通脉冲BGP)。工作原理如下:

经缓冲的视频信号(参考图4)送至时钟发生器,分为两路:一路由QZ35缓冲后,由ICZ34的2脚输入,产生同步脉冲及色同步选通脉冲BGP(Burs Gated Pulse),BGP由20脚输出,BGP一路送至梳状滤波器6脚作为箝位脉冲CLP(Clam Pulse),另一路由19脚送入APC及消色电路,用于选通色同步脉冲;视频信号的另一路经QZ36缓冲后进行色带通滤波BPF,取出色度信号,由ICZ34的8脚输入,在IC内进行限幅放大(Limiter AMP),并在BGP控制下取出色同步脉冲串送至APC电路。4f\(_{sc}\)压控振荡器VCO产生4fsc,一路由17脚输出,提供梳状滤波器所需的时钟,另一路经1/4分频器后产生本地振荡f\(_{sc}\),也送至APC电路,使APC电路产生VCO的控制电压,此电压使fsc同步。11、13脚分别外接NTSC、PAL制4f\(_{sc}\)晶体,10脚是PAL/NTSC切换开关,高电平时为NTSC制;QZ37是PAL/NTSC带通BPF切换开关,使NTSC制对应BPF的中心频率为3.58MHz,PAL制对应BPF的中心频率为4.43MHz。
索尼公司的数字型DCF推出较早,应用广泛,具有良好的亮色分离性能,可以获得水平分辨率较高的优质图像。采用动态梳状滤波器是大屏幕彩电中提高图像清晰度最主要的措施,也是高画质大屏幕彩电的重要标志。(李砚泉)