本文介绍的微型无线电遥控器,不同于普通彩电遥控器,它体积微小,仅半个至一个打火机大小,重量轻,平时不耗电,设有钥匙扣,可以随身携带,能远距离操纵(产品设50~150m多个档次),具有比弹子锁码保密性高出数10倍的数字化无线电操纵的、用途广泛的遥控产品。
未具有遥控功能仍用手工操纵的机电设备、电子产品等,使用该遥控器后,很容易升级为颇具现代感的遥控产品。增加遥控功能不仅使操作更为方便、安全和快捷,而且使设备具有“锁”的性质,可有效防止他人随意开启设备。它可广泛应用在保安报警、紧急求救、机动车辆防盗、舞台灯饰控制、卷闸门、窗帘机和家庭多路遥控开关等许多场合。
通常,微型遥控器的操纵通道从1位~16位,以4位最为通用。图1是广东中山市达华电子厂生产的几种遥控器外观图,图2是2键~4键遥控器电路原理图。图2中,发射管VT与印刷板天线W等组成约300MHz的高频振荡电路,其载波由编码电路TWH9256进行调制。TWH9256是一种4态编码电路。所谓4态,是当地址码2脚~8脚接正极、负极、悬空以及与1脚相接时,在输出端将分别得到不同的密码信号,因此,其编码量达数10万组,保密度远比弹子锁高。TWH9256的10脚~13脚是数据控制端,可组成1位~16位遥控操纵。图2示出4键控制电路,如果仅用2位操纵,图中虚线部分免接入。此电路虽然极为简单,但结构紧凑,对于业余爱好者来说,制作难度较大,因为某些遥控器要求体积小,普通DIP的塑封集成块已无法应用,只能将IC芯片直接封装在电路板上来满足使用要求。图3就是采用这种结构的2键式遥控器内部结构图,供读者参考。



遥控器需要与接收电路配套才能使用,接收电路是一只比火柴盒略小的模块,其内部已包括接收天线、接收放大电路、整形电路以及与遥控器地址码绝对一致的解码电路。不同解码电路或地址码联接不同的接收模块是无法互用的,这与一把钥匙开一把锁的道理一样。
接收电路有7个引脚,见图4,分别是电源正负极,A、B、C、D锁存输出端(俗称1248BCD码)以及有效解码输出端IO。用户只要在正负极接入电源(9238型6V、9638型12V),在A、B、C、D端与负极间分别接上发光二极管,就可以在有效范围内用遥控器衡量是否正常工作。当按动遥控器某键,相应发光二极管即发光并锁存。有关接收电路原理,以及A、B、C、D的BCD码通过二次解码电路扩展至16位等,请参考本刊1994年第二期《微型化多通道无线遥控组件)一文的介绍。

应用实例:遥控防盗卷闸门
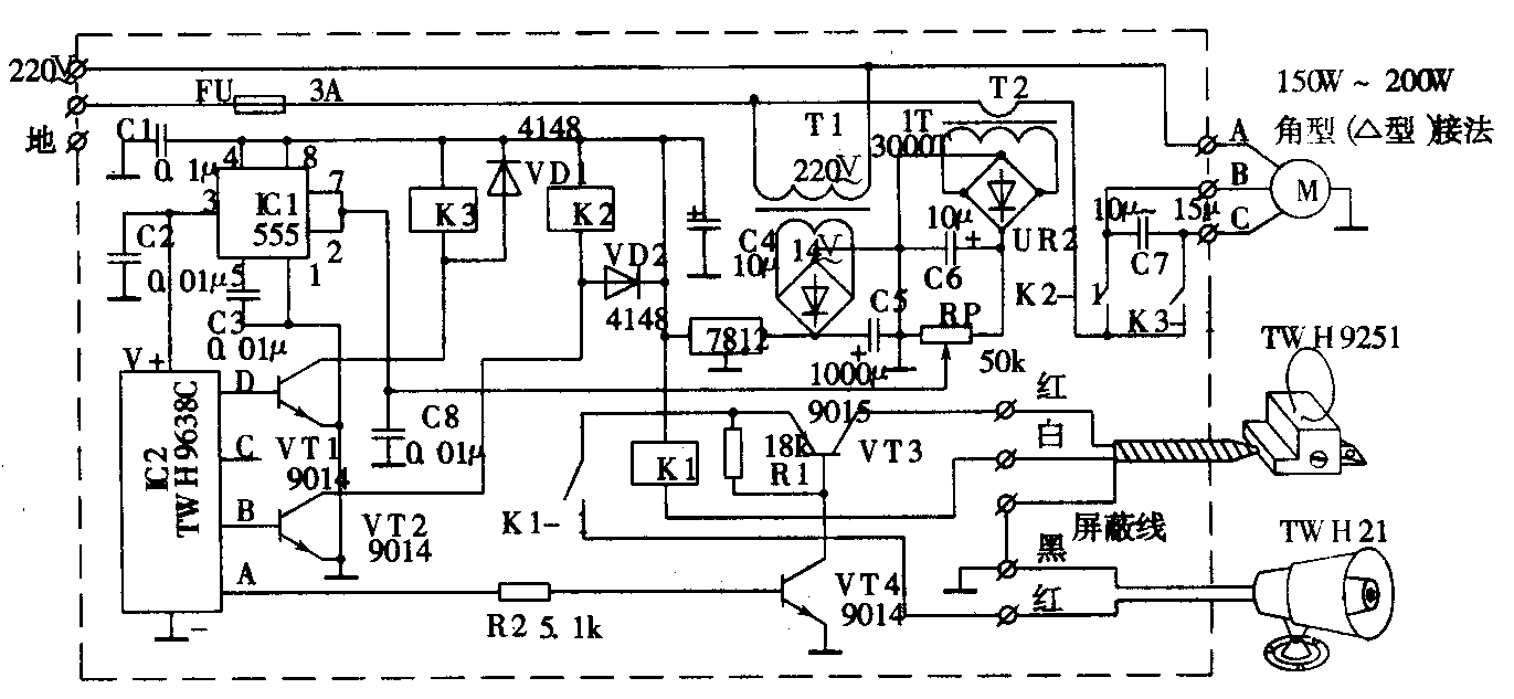
图5是具有防盗报警功能的遥控电动卷闸门实用电路,它以遥控器、接收电路为核心,配合动力电机、防盗专用雷达探测器和TWH21报警器构成整个遥控系统。这种遥控闸门一改传统人工启闭闸门模式,具有遥控闸门上升、下降、自动停止和遥控停止等功能,而更重要的是设有雷达探测防盗报警功能,在店铺、车库安装此系统,即安全可靠,又方便省力,更具时代感。


图5中,在有效范围(50m)内,按动防盗键,TWH9638接收电路A端输出高电平,经推动电路,向雷达式防盗探测器TWH9251提供电源。TWH9251得电后将延时60s后工作,这是内部设计方便主人离开现场以及自身预稳定状态。60s后,探测器将在环形天线周围空间产生一个椭圆形半径2m~7m(可调)戒备区。当有人在戒备区活动时,天线探测到的微弱回波信号经内部专用微处理器的一系列鉴别、整形、延时处理后,输出一个为期10s的信号启动继电器,带动TWH21报警器发出大于125dB的报警声。10s之内,如果歹徒离开现场,报警声将停止,否则将持续报警。
当按动开门或关门键时,接收电路的B或D端输出高电平,相应的继电器导通,其触点吸合,控制电机正反转,达到开、关门的目的。当闸门上升或下降至极限位时,通过电机的电流明显增大。由于供电回路串入T2互感器,使得互感器的次级电压急剧增高,经整流后的瞬态电压触发555电路使其翻转,关闭接收电路,所有继电器失电复原,电机自动关闭。
停止及解除键是操纵解除雷达防盗以及当闸门未上升或未下降至极限位需要停止时使用。
遥控电路使用注意事项:
一、遥控器严禁重摔和浸水。
二、遥控器在使用半年后如发现遥控距离明显缩短或指示灯变暗,请更换电池。
三、接收电路安装时勿靠近金属物体,以免降低接收灵敏度。
中山市达华电子厂供应无线遥控组件,每套包括一只遥控器成品和一只接收模块,内藏天线型1键59元,2键60元,4键66元,12键94元(需多配同码或带天线型遥控器、接收器以及接收带继电器直流、交流型产品请来函联系)。TWH9251雷达式探测器69元,邮费5元,防盗遥控闸门机(自配电机)470元,邮费30元。地址:广东省中山市小榄镇逢春街42号,邮编528415,电话:0760-2252518。(蔡凡弟)