AM/FM中放电路的作用是放大465kHz的AM中频信号和10.7MHz的FM中频信号。因为对中放要求有较高的增益,而采用分立元件电路易产生自激,故该电路大多采用集成电路。目前,中频集成电路种类繁多,电路结构各异。有的除含有AM/FM中放和AM检波电路外,还增加了AM高放、变频、FM鉴频及前置低放等电路。
一、电路分析
1.南虹NH7201机中放电路
该机的中放电路采用AN7224集成电路,其电路见图1。AN7224为双列式,内有FM/AM中放、FM正交检波、AM调谐等电路。各引脚功能见表1。


AN7224②脚外接AM调谐回路,外接AM振荡回路,其中波(MW)、短波(SW1、SW2)状态的选择由波段开关完成。①脚为AM调谐电路电源端,为FM中放电源端。1T3为AM中频变压器,1CF3为AM 465kHz陶瓷滤波器。IT2为FM检波线圈。
被AM输入调谐回路选出的信号,通过波段开关切换后送至中放集成电路AN7224的②脚,经高频放大、变频后得到465kHz中频信号,从③脚输出。该信号经1T3、1CF3选通、滤波后,送回AN7224⑥脚,进行中放和检波。检波解调出的音频信号从脚输出,通过1Rll和1C24耦合至解码器D7343P的①脚。
FM调频头输出的10.7MHz中频信号经1T1选频、预中放管1VT3放大、陶瓷滤波器1CF2滤波,进入AN7224的⑦脚,经中频放大、移相鉴频后,解调出立体声复合信号从脚输出,再经1R11、1C24耦合至解码电路D7343P的①脚。
2.钻石FL-888机中放电路
该机的AM/FM中放电路由TA7640AP及其外围元件组成。如图2所示。TA7640AP内部包括FM中放与鉴频电路;AM混频、本振、中放及检波电路;调谐指示电路等。与其内电路相同的有D7640、KA22471。各引脚功能见表2。


AM调谐电路采用低阻式磁场型中波天线,这样可以提高抗干扰性能,但接收效率降低,为弥补接收效率低之缺点,故增设AM高频放大电路进行放大,1VT3为高放管。天线接收到的AM信号经1L5耦合送至输入调谐回路,选出所要接收的电台信号后送至高放管1VT3进行放大。放大后的高频调幅信号经1C24耦合输入TA7640AP的①脚,进行变频、中放、检波,最后解调出的音频信号从⑨脚输出,送到解码器TA7343P的①脚。
经FM调频头电路混频后产生的10.7MHz中频信号,由中频谐振回路1T1选出并送入预中放1VT4放大,再经陶瓷滤波器1CF1选通、滤波后送至TA7640AP脚。该信号经中放、鉴频后,其解调出的立体复合信号从⑨脚输出,再通过1R24、1C39、1C40、1C41耦合至解码器TA7343P的①脚。
TA7640AP采用双差分正交鉴频电路,在脚外接一个IC并联谐振90°移相网络1T3(鉴频线圈)。1VT6为静噪管,用以抑制FM波段在调谐时的噪声。当接收信号较弱或无信号时TA7640AP⑦脚为高电位,使1VT6导通,将⑨脚输出的噪声短路,有效抑制了噪声;当接收信号较强时,⑦脚电位降低使1VT6截止。
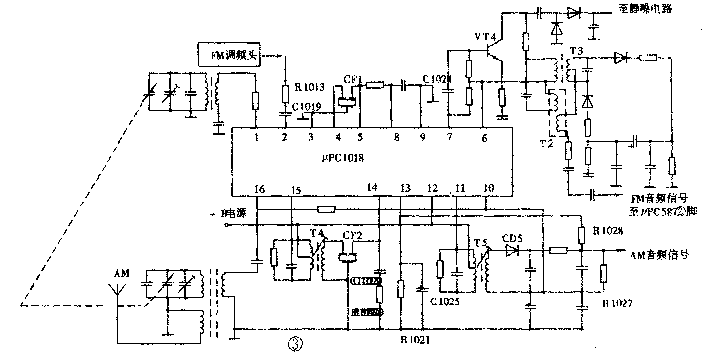
3.星河XH-880机中放电路
该机的中放电路由μPC1018及其外围元件组成,如图3所示。μPC1018采用16脚双列直插封装,其内部包括AM混频、本振、AGC、中放及FM中放等电路,与其内电路相同的有AN7218、BA4210和D1018等。各引脚功能见表3。


μPC1018脚外接AM输入调谐回路,①脚外接AM本振回路。T4为中频变压器,CF2为465kHz陶瓷滤波器。由天线输入的AM信号,经输入调谐回路选频后加到μPC1018脚,本机振荡信号加入①脚,经内部混频后由脚输出的中频信号,经T4、CF2选通、滤波后送入,经内部放大后从脚输出,通过T5耦合至检波器,检波二极管VD5对调幅中频信号进行解调,得到音频信号。 μPC1018内部有两级AGC电路,AGC电压来自检波器VD5的输出。音频信号经R1028、R1021、C1025分压滤波后,经脚输入到集成电路内部,以控制中放电路的增益。
从FM调频头输出的FM中频信号经R1013和C1019送到μPC1018②脚,经其内部FM第一中放放大后,从④脚输出,由10.7MHz陶瓷滤波器CF1选频滤波后加入⑤脚,经第二级中放放大后从⑦脚输出,通过C1024耦合第三级中放管VT4(限幅器)进一步放大限幅后加到鉴频器解调还原出音频信号。
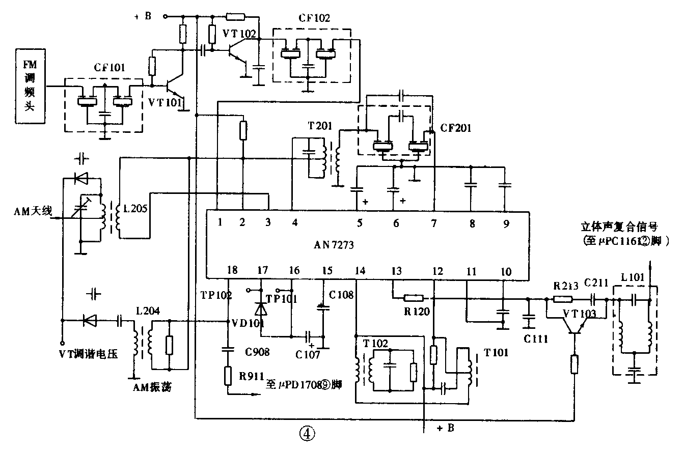
4.乐声Z450机中放电路
该机的中放电路由AN7273及其外围元件组成,如图4所示。AN7273为18脚双列式FM/AM中放集成电路,其内部包括AM高放、本振、混频、中放、检波、AGC;FM中放、鉴频等电路。各引脚功能见表4。


FM调频头输出的混频信号,经CF101、VT101、VT102和CF102选通放大后,加入AN7273①脚的FM中放输入端,通过内部放大、鉴频处理后,从脚输出FM立体声复合信号。该信号经L101滤波后送入解码器。VT103为开关管。
AM天线输入的信号经L205耦合送至AN7273③脚。L204产生的AM本振信号,一路送入AN7273,在AN7273内部完成AM混频、中放和检波,混频后的AM中频信号从④脚输出,经中频变压器T201和陶瓷滤波器CF201选通滤波后又从⑦脚送回TA7273。经内部处理得到的AM音频信号从AN7273脚输出,通过有关元件送入解码器。另一路送到微处理器μPD1708(该机为数字调谐器)⑨脚。(张庆双 姜丽华)