本文介绍利用ISD1020语音电路制作的复读机,具有高保真、体积小和线路简单等特点,可实现多次录音和循环放音等功能。它配合录音机使用,更能适应学习外语的需要。
在介绍复读机之前,先介绍一下ISD1020语音电路。ISD1020是美国ISD公司研制的高保真录放一体化单片语音大规模集成电路ISD1000系列中的一种语音电路。ISD1000系列按照录放时间长短可分为ISD1012、ISD1016和ISD1020,时间分别为12s、16s和20s。ISD1000系列除了录放时间不同外,其它如功能、用法等均相同。本文介绍的复读机采用ISD1020,20s的录放时间对于一般的需要是足够的了。ISD1020具有结构紧凑、易于使用、不怕掉电、永久记忆和功耗低等特点。它的外围电路简单,无需扩展存储器等电路,同时由于免去了模数及数模转换,不存在量化噪声,所以单片ISD1020即构成了一个完整的高品质录放音系统。
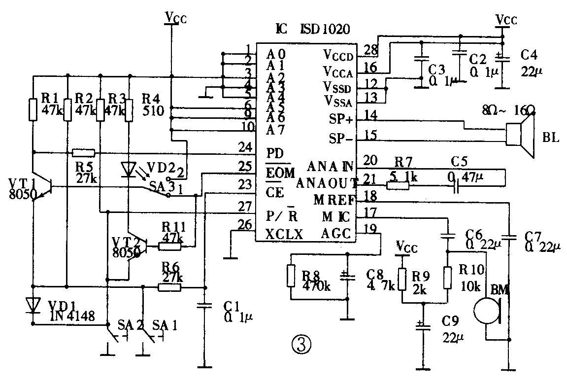
ISD1020语音电路为28脚双列直插结构,管脚功能见图1,内部工作原理框图见图2。拾音话筒通过一个隔直电容到前置放大器。放大分两步进行:先通过输入前置放大器,再通过混合增益放大器。信号通道通过在模拟输出管脚(ANA OUT)与模拟输入管脚(ANA IN)之间连接一个电容与电阻来完成。自动增益控制(AGC)电路动态地监视放大器的信号输出幅度并发出增益控制电压到前置放大器。前置放大器的增益被自动调整,以保证最佳幅度信号进入滤波器,并经输入滤波器将信号再次调整后送到模拟收发器。通过采样时钟采样并进行电平转换,最后进入模拟存储阵列。放音时,在相同采样时钟的控制下,将录入的模拟电压顺序从存储阵列中读出,重组采样波形。输出通道上的平滑滤波器去除采样频率分量并恢复原始波形,然后信号进入输出功率放大器。功放两个输出脚可以直接驱动一个8Ω~16Ω的扬声器。控制端P/R-用于选择录放状态:P/R-=1放音;P/R-=0录音。CE-为片选端,CE-=1时器件不工作。当CE-为下降沿时将A0~A7及P/R-的状态锁存并启动录音或放音。EOM-为信息结束指示使用,当某段录音或放音结束后,EOM-由高变低。PD为复位端,当PD=0时,工作于录放状态,PD=1时地址复位。


图3为利用ISD1020制作的复读机原理图。图4是其外形图。整机工作电压为4.5V~6V,可用4节1.5V干电池供电,录放时间为20s。录音时,SA3键必须放置在循环位置即“1”位。按下SA2录音键(带自锁),P/R-=0,呈录音状态。非溢出时EOM-为高电平; VT2导通,VD2录音指示灯亮,同时VT1导通,PD端为低电平。VD1正端从原来的高电平下跳为低电平,并经积分延迟后送入CE-开始录音。当断开SA2键,CE-端变为高电平,停止录音。VD2指示灯灭,并使P/R-端变高电平,为放音作好准备。当需要放音时,按下SA1键(带自锁),同样CE-也滞后PD变低,启动器件放音。放音方式取决于SA3所处状态。置“1”端时,每当芯片记满溢出时,EOM-电平从高变低,使VT1截止,PD端出现一次正脉冲,使存储器地址复位,保证从零地址放音,实现了放音循环。当置“2”端时,PD始终为低,存储器无法复位,实现了单次放音,放出该时到前20s被录入的语音内容。


装机后若出现偶然故障,可参照原理图检查各点状态,或适当调整R6及C1积分电路参数。如果再装入小盒,一台完整的复读机就完成了,把它放在录音机旁即可使用。根据需要也可把它置入录音机内,并引出按键开关,或去掉话筒,从录音机音量电位器前端引出信号,再通过π型电路衰减后从器件模拟信号输入端(ANAIN)引进,有兴趣的爱好者可以根据需要灵活运用。(严一岩 佟锡昌)