本组件的基本功能是一个40MHz的数字频率计,但它还可以随意预设参数,将测试出的频率通过先乘一系数再加一系数后显示出来。这样,在一些需换算的地方可间接显示所测频率。乘法系数和加法系数均可通过系数编程随意改变,如果不需要运算,可以将运算控制线接地即可不做任何运算而直接显示测试频率。也可将系数编程为乘法系数为1,加法系数为0,这样也就直接显示测试频率了。直接显示频率时可作1kHz~40MHz频率计使用。
频率显示组件的主要技术指标:频率显示范围1kHz~99.999MHz;乘法系数0~19倍;加法系数±19.999MHz;灵敏度小于20mV;工作电压DC9V~12V;输入阻抗1MΩ;分辨率1kHz;刷新速率4次/s;体积100×65×35mm。
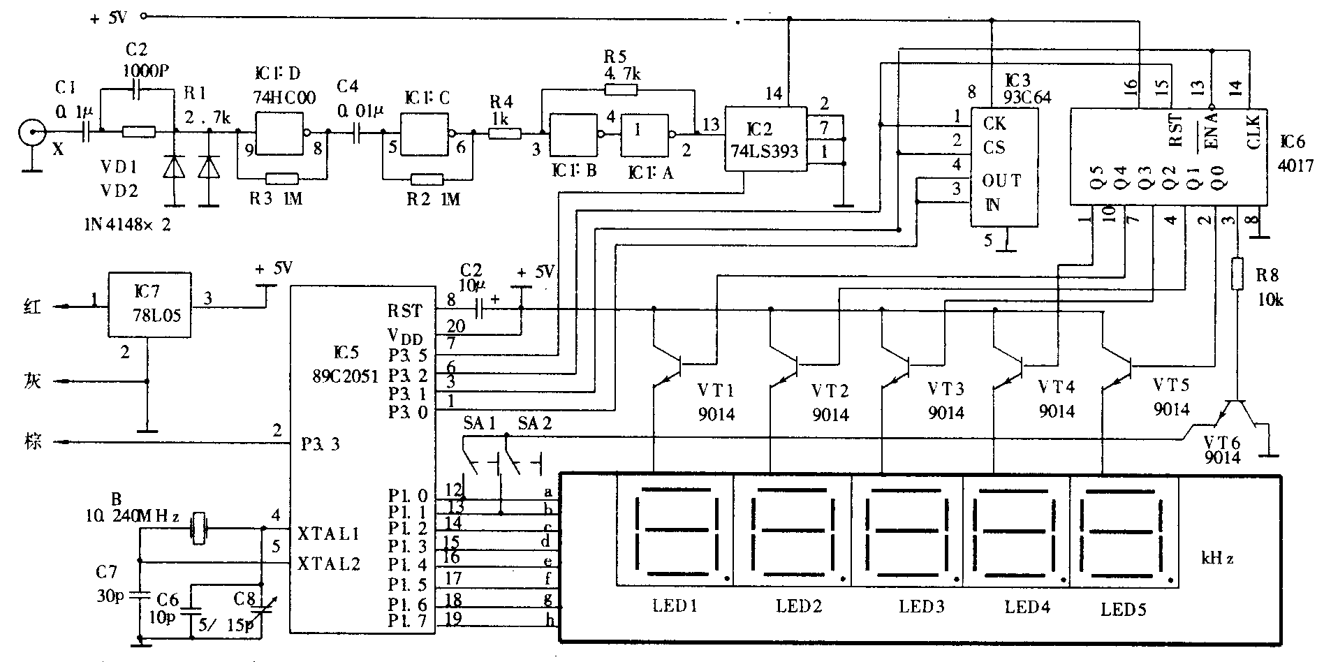
电路见附图,本显示组件采用89C2051单片机对所测试频率进行运算。电路中VD1、VD2为输入保护二极管,以防信号过大时烧坏集成电路IC1。输入信号经IC1:D、R3及IC1:C、R2组成的两级放大器放大,再经IC1:8、IC1:A及R5组成的施密特整形电路整形后,送出1:1的矩形波经IC2进行16分频。分频后的信号送入单片机进行数据运算,运算结果最后由IC6及VT1~VT5组成的显示驱动电路驱动LED显示。电路中IC3为EEPROM,主要用于数据和预设参数的保存,以防掉电时数据的丢失。

显示组件对测试频率偏移量采用编程的方法,因而适合各种无法直接显示频率的地方,如没有数字显示的业余无线电台(测试本振频率加上455kHz)和业余无线电对讲机(将测试频率乘3然后加上455kHz为接收频率)等其它地方。本显示组件设置有储存功能,可储存多个编程频率及其它自己需要的频率,只要按动一下功能开关就可以显示出来。当按动某一功能开关时,它还可以直接作频率计使用。
在组件的后边有三根连接线,其中红线接电源正极,灰线接负极,棕线为运算专用线。当棕线悬浮时,组件工作在运算方式,此时,显示频率=实测频率×乘法系数+加法系数;当棕线接电源负极时,组件可作基本频率计使用。
最后介绍一下系数编程过程。按动SA2,出现PE-01,为乘法系数编程。按动SA1,可改变闪动处数据。再按一下SA2, 表示确认该闪动处数据并出现P0.000,此时为加法系数编程。按同样方法,按动SA1,可改变闪动处数据,再按动SA2,确认数据。至此,系数编程结束。(邓敏)