随着我国个人业余电台操作证书等级的升级,更多的HAM希望能提高拍发电码的速度。国外近年来生产的高档收发机都具有电子快键键控功能。我国的个人业余电台使用的收发设备大部分是自制或购买廉价的退役的早期设备,都没有电子快键键控功能。
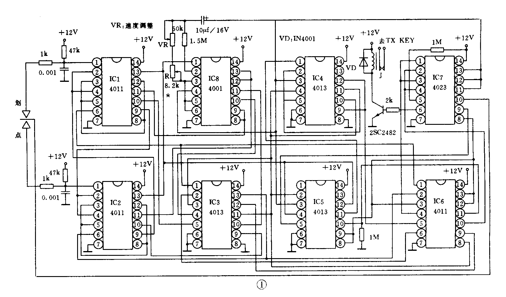
本人参照《电子电路大全》卷2有关电路,用廉价的4000系列低功率CMOS数字器件,制作了一个电子快键键控器,电路见图1。该电路可自动完成“点”和“划”、“点”和“划”的存储、“点”及“划”插入和自动字符间隔。速度可在 5~50wpm之间连续可调。经使用几个月,性能稳定可靠,“点”和“划”均匀清晰。该电路外围元件很少,关键是连线。只要焊接无误,通电即可工作。调试也很简单,接通电源,把调速电位器VR顺时针调到头(最快速),接通“划”电路,调R(阻值太小键控信号不间断)使电路产生最快的“划”间隔信号,调试即告结束。如需监听侧音,可在键控继电器J后加一低频振荡电路(见图2)。此时键控继电器J应选用两组接点的(见图2虚线左侧)。


元件选用:CMOS数字器件尽可能选用尾字为AE的,如4001AE、4011AE、4013AE、4023AE。IC不直接焊接,应用14脚IC插座。调速电位器可在10k~50k之间选用。电阻R选用10k半可调的。二极管VD选用1N4001或1S555等。三极管用2SC2482或2SC1815等。继电器J可选用12V任意型号的。电阻均为18W的。
该键控器简单、实用、易制(4000系列廉价易购),耗电极少,可使用收发机上的12V-电源。除用作电子快键外,与图2所示的电路(该电路选自《电子文摘报》)装配在一起,是一个很完善的手键、电子快键报务训练振荡器,外接扬声器可供数十人抄听。(曹文隆)