例1 故障现象 接通电源开关,电源指示灯亮,但带盒插不进,随后电源指示灯熄灭。
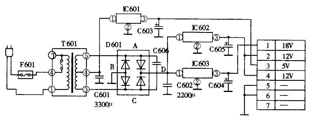
分析与检修 由上述故障现象来看,问题好像在带仓机构或系统控制电路中。拔下电源插头,将带盒插入带仓口,然后用手转动带仓电机皮带,带盒进仓到位后接通电源开关,按下放像键,放像指示灯亮,磁鼓转动一下电源指示灯立即熄灭,重新接通电源开关,按快进、快倒键,情况与上述一样。按下出盒键,用500型万用表检查带仓电机驱动集成块IC505(BA6209)②、⑩脚输出的电机驱动电压在2~3V之间不停摆动,检查⑦脚(电源12V)发现按下各功能键时,⑦脚电压立即从12V下降到7V,随后电源指示灯熄灭,⑦脚电压又恢复到12V。根据上述检查结果分析表明,该机带仓机构和系统控制电路没有问题,造成上述故障的原因可能是稳压电源电路工作失常或电机驱动集成块IC505(BA6209)内部短路所引起的。用万用表测量IC505(BA6209)各脚在路对地电阻和电压均为正常,说明故障在稳压电源电路中(该电路如附图所示)。检查电源板电压输出插座CN-1各脚在路对地电阻和电压(正常值见附表)也没有发现异常情况。卸下电源电路板检查,发现该机送修前电源变压器已被换过,仔细检查发现换上去的电源变压器功率不足(仅有10W左右),线圈线径小,电源内阻大,当插入带盒时,带仓电机工作,电路电流增大,使得电源电压下降,于是出现上述故障现象。重新更换同规格的电源变压器后机器工作恢复正常。
CL-2 1 2 3 4 5 6 7
电压(V) 18 12 5 12 0 0 0
在路电阻(Ω) 红笔测 5.4k 560 2k 560 0 0 0
黑笔测 7.5k 600 2k 600 0 0 0

由于录像机用的电源变压器市场上很难买到,因此代换时一定要注意全面选择变压器电参数(包括绕组、线径、电压和功率等),随便代替会给维修带来困难,严重时会扩大机器故障范围。遇到这种情况,可选用初级为220V,次级为11V×2,功率不小于30W的电源变压器代替。
例2 故障现象 接通电源,机内发出交流声,插入带盒,按下快进、快倒键磁带转动基本正常,当按下重放键时,交流声加大,主导轴电机转动一下,重放指示灯立即熄灭并自动切断电源,大约经过5分钟后机器工作逐渐恢复正常。
分析与检修 插入带盒能够快进或快倒,说明该机系统控制和主导轴驱动电路工作基本正常,初步判断故障在稳压电源电路中。又根据该机通电5分钟后机器才能恢复正常工作,说明稳压电源电路某个元件有软击穿。用万用表测量稳压电源输出插座CL-2各脚在路对地电阻和电压没有发现异常情况,说明稳压电源输出的各种电压和负载电路工作基本正常。进一步观察发现交流声是由电源变压器内发出的,估计问题在整流或滤波电路中。从电路板上焊下桥式整流器,在冷态状态下用万用表检查,发现桥式整流器A-D臂正向电阻大于60kΩ,因此造成刚接通电源开关时,电源内阻大,整流效率低,按下快进或倒带键,主导轴电机转动,电源负载加重,交流声明显增大,当按下重放键时,加载电机、主导轴电机和鼓电机同时转动,电路电流进一步增大,机器立即出现停机并自动切断电源。开机5分钟后,桥式整流器A-D臂内部二极管工作逐渐恢复正常,于是机器工作也恢复正常。更换桥式整流器后上述故障排除。如果手头没有备件更换,可用应急方法加以处理。因本故障桥式整流器内部仅损坏一只二极管,而且不是短路性的故障,遇到这种情况,可选用一只100V1A(如1N400C)整流二极管焊在A-D臂上即可。(黄福森)