目前的卡拉OK机大部分都设有变调电路。但是,对相当一部分人来说,噪音恐怕是高也高不上去低也低不下来,只能在某一狭窄的频率(主要是中频)范围内自娱自乐罢了。即使音乐已经升降调,但你的噪音的调子改变不太大的话,你所唱出来很弱的高音或低音听起来既干涩又单薄,或干脆哑声。当然,变调对一般演唱者来说还是有一定的作用。但是,如果我们能对演唱者的“两头细中间粗”的噪音略加平衡,情况就不同了。
激励器是大家早已熟悉的器件,有的烧友或厂家已把它用在卡拉OK机上。一般的用法是在音乐与演唱者歌声混后的电路上,对音乐的歌声同时进行激励,确实能使歌声更加明亮、高昂。但使用起来不甚方便,因为激励量的调整不能同时协调音乐和歌声,况且卡拉OK影碟等音视源在录制时多数已加了激励量,唱歌时激励量调多了音乐反而刺耳、生硬,调少了人声高中频部分又显得灰暗,且影碟伴音不用激励器听感也相当不错。
试想,如果把激励器只用来修饰演唱者的歌声,这个问题就可以得到解决,至少可以弥补一些不足。有了这一思路,我将广东麒锋电器公司生产的一块SA601ET超重低音+音响效果激励模块用在了自制的M50197+M65840SP卡拉OK机上,取得了较好的效果,现介绍给大家。

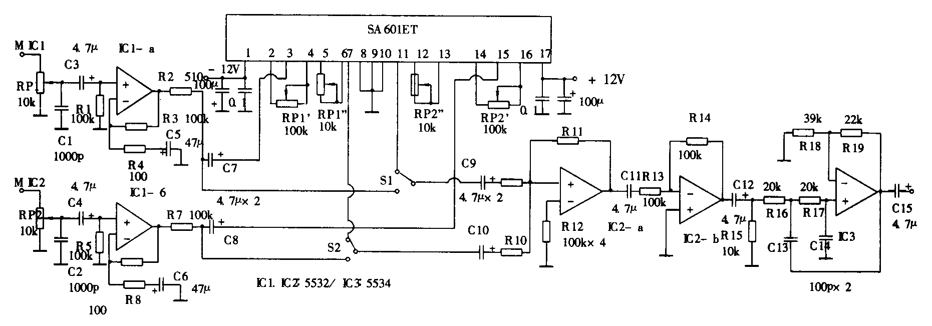
去掉原机的话筒放大部分,重新设计电路如图所示。IC1为5532,用来做两路独立的话筒放大,输出信号接SA601ET。因SA601ET是双声道结构,这样每路话筒信号各占SA601ET的一个声道,可以各自调节声音的激励量或提升低频,互不干涉,方便不同风格的演唱者同时演唱。激励后出来的信号在IC2-a反相混合(也可用琴键开关S1、S2使话筒信号直通,不用激励器),又经IC2-b反相,最后由IC3组成的二价低通滤波器滤掉高频部分,截止频率为8000Hz。实际证明,如果不采用滤波电路,当激励量调得较大时,有较明显的高频噪声输出,而且卡拉OK机容易自激,而8000Hz的截止频率范围较宽,充分保证了人声高频和高次谐波的通过量。
在改制时需增加一块电路板(IC1、IC2、IC3用)和一组±12V电源(原机用的是单电源),这部分电路较简单,也较常见,印制板请自制。SA601ET 17只脚间隙较大,可以采用搭焊的形式。与SA601ET连接的四条输入输出线要采用屏蔽线,可长可短,以方便在机内放置。因SA601ET与增加的印板之间共用一组正负电源,一定要注意电源的退耦,其次,SA601ET与电路板只能用一条粗导线连接,作地线,不能形成回路,且要尽量短。C15输出到M50197混响输入端。本电路只要安装无误,元件质量保证,不用调试就能成功。实际上,此方法对任何卡拉OK机均适用。
也许有人要问,SA601ET的低音提升是针对音乐设计的,低通滤波截止频率大概在100Hz左右,对人声低频作用可能不明显。其实不然,男声基频为80Hz,本低音提升电路对男生低音提升有明显的作用,当然,如果截止频率选在300Hz左右的话效果会更加明显。试用改制后的OK机,分别调节RP1'、RP2'(低音)和RP1″、RP2″(激励量),再配合调节原机的混响及音乐的升降调等,可以取得相当好的效果,歌声中高音更加突出和明亮,低音也更厚实,且齿音很清晰,大大改变了原来中间粗两头细的情况。而且你会发现,你的嗓音音色较之以往不同,好像换了一个人似的。这些均可以通过开关S1、S2对比出来。
有关激励器在OK机中的应用,已有文章介绍,但都没有具体方法和电路,此文就给大家做一个参考吧!(艾斌)