MQ系列气敏元件的特性是在感测到被测气体时,敏感体的表面电阻或体电阻会发生显著变化,因而可利用它来制作报警器。MQ系列气敏元件具有灵敏度高、响应快、恢复迅速、长期稳定性好、抗干扰能力强以及价格适宜等特点,已被广泛应用于可燃性气体、易挥发性气体、毒性气体和烟雾等的检测报警、自动控制及测试仪器中。


图1(a)为MQ系列气敏元件的外形结构图,图1(b)为其基座俯视图,图1(c)为气敏元件符号图。气敏元件的电参数测量原理图见图2。图中,气敏元件的加热管脚两端电压为5V。元件敏感体、负载电阻R\(_{L}\)和10V电源构成测量回路。在通电条件下,气敏元件置于洁净空气中时,可测得RL上的电压V\(_{0}\),置于被测气体中时可测得RL上的电压V\(_{e}\),在被分辨气体(即其它气体)中RL上的测试电压为V\(_{g}\)。借助计时器可同时测得气敏元件的响应时间和恢复时间。MQ系列气敏元件的主要性能指标如附表所示。下面介绍利用气敏元件制作的两种报警器。

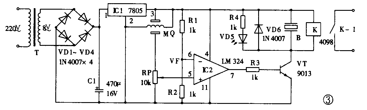
1.低成本报警器
电路原理见图3。市电经变压、整流、IC1稳压后向整机提供5V电源。IC2构成一个比较器,R1、R2分压后设定一个比较阀值VF。一旦气敏元件感测到被测气体或烟雾后,表面电阻下降,RP上的取样电压升高,超过阀值VF后,比较器的输出由正常状态下的低电平翻转成高电平,通过VT驱动发光管VD5点亮,继电器K导通,触点K-1吸合,同时压电陶瓷片B鸣响。检测灵敏度可由RP调整。该报警器电路简洁,成本低廉,可驱动排风扇、高响度扬声器等小功率负载,但每次通电初期会有短时间的误报警动作。

2.功能齐全的报警器
该报警器具备温度补偿、防初通电误报警和断丝故障自检等功能,其电路原理如图4所示。IC2-1构成检测比较器,比较阀值VF由R3、R4和RT设定,RT为负温度系数补偿电阻,可补偿气敏元件的温度特性。不报警时IC2-1输出低电平,每次通电初始阶段,气敏元件会有较大的误输出,R9、C3构成的RC充电式延时电路嵌位气敏元件的输出,不能触发比较器IC2-1。经5分钟后,IC2-2输出翻转为高电平,被VD5隔离而不起作用,这时即进入检测状态。当气敏元件感测到被测气体后,RP取样电阻的电位上升,当其超过VF后,IC2-1输出高电平,可发出声光报警,VD7点亮。若气敏元件断丝,电流指示VD6熄灭,提供故障指示。

上述两种报警器调试工作须在通电预热至少5分钟后方可进行,选择的被测气体按体积比配制成所需浓度的标定气样。在通电状态下,将预热后的报警器置于上述气样中。10秒后,气敏元件充分感测到被测气体,微调报警器上的RP呈报警器刚好鸣响报警,反复几次即可完成调试工作。正常使用的报警器每过半年应用标定气样进行校准,并注意清除气敏元件通风防护罩上的灰尘,使其更好地为您的安全而工作。(张航)