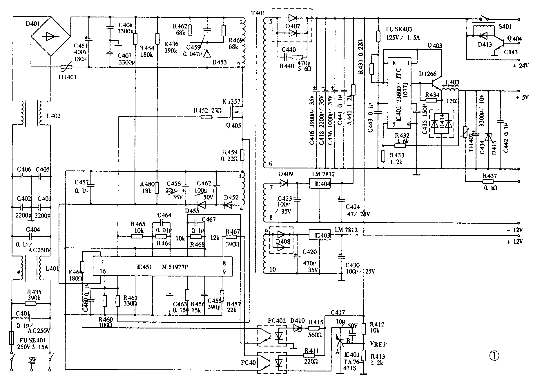
F50B传真机电源采用的是目前小功率电器中较为流行的脉宽调制式开关电源。主电路使用了一块IC来完成振荡、脉宽调制、检测、保护等诸多功能。主开关管采用MOSFET功率管。它们与外围元件一起共同变换送出+24V、±12V直流,对传真机的传动机构驱动电路、线性感热记录头、CCD像感器等部分供电。本文给出一些常见故障的检修方法,所提供的电路图(见图1)及波形与参数均由实际电路测得,仅供参考。另外,F90B传真机及CR3240打印机所用电源与此类似。

从目前该电源损坏的情况来看,大多为主开关电路出现问题。下面讨论一些常见故障和一些主要部件损坏的检修。
1.线路滤波器:在该部分电路中的C405、C406实际上为两个过压保护器件,在输入过高或遭受雷击等意外情况下,这两元件首先击穿短路,并引起FUSE401熔断。一般情况下该器件较难配到,应急时只有弃之不用,对电路无太大影响。
2.C451的击穿、干涸和爆裂:C451的击穿大多会使FUSE401熔断,这种现象的发生主要是输入电压过高或自身性能下降所致。后一种情况主要是机内温度长期较高所造成。电容器本身的损耗也会使其内部温度上升。因此在更换C451时除注意耐压、容量和尺寸与设计一致外,其温度参数(在电容器外壳上会标明)也应与原件一样。
3.Q405的击穿:在开关电源中,开关管的损坏占了相当大的比例,而且绝大部分是击穿损坏。在采用双极型晶体管作为开关管时,其击穿有可能是二次击穿。而MOSFET功率开关管由于具有正温度系数特性,不具备二次击穿的机理,因而不存在这种现象。造成本文电路中Q405击穿的原因不外有这样几种:一是输入电压过高或开关管自身缺陷所致;二是尖峰抑制电路(D453、R462、R469、C459)存在问题;三是过驱动。对前两种情况只要检查更换相应元件,特别要检查R462、R469的阻值是否变大或开路,C459的容量是否变小及元件的虚焊等现象。这里重点讨论过驱动的问题。此处的过驱动指的是电压过驱动,即IC451②脚输出脉冲电压过高,如长时间超过管子的V\(_{GSO}\)(<±20V),就会造成管子的栅源间击穿,并进而使漏源击穿,造成管子损坏。产生过驱动的原因在IC451正常的情况下通常是反馈网络(R459、R461)出现问题所致。该网络一方面构成过流保护电路,另一方面还可稳定IC451②脚输出的驱动脉冲峰值。R459在Q405击穿后有时也会随之开路,其损坏后代换的余地较大,在功率满足前提下,阻值在0.22Ω~1Ω范围内电路均能正常工作。过驱动主要是由于R461的开路,此时反馈信号无法进入IC451内部。因此在维修过程中一旦出现连续击穿开关管的情况,应重点检查R461阻值正常与否(应焊下测量,在路检测难以判断)。Q405(K1357)损坏后,在难以配到原型号情况下,可用较易购得的K727、MTH8N90等直接代换。
4.IC451的损坏:当Q405击穿后(一般三个电极均击穿短路),300V高压会直接加至IC451②脚,故有可能将IC451击穿损坏。IC451损坏后只有用同型号代换。在外围元件正常时,整机无输出则需检查IC451是否正常。表1给出的是IC451正常时在路测试的阻值和电压值(使用500型万用表)。图2给出的是正常工作时IC451②和⑩脚的电压波形(注意使用隔离变压器)。在检测时如⑩脚无振荡波形,则应先检查C455是否正常,如正常则可能是IC451已损坏。

表1
引脚 1 2 3 4 5 6 7 8 9 10 11 12 13 14 15 16
电阻(黑笔地) 5k 5k 0 6k 0 6k 0 6k 6k 6k 7k 6.5k 0 0 75Ω 5k
电阻(红笔地) 17k 13k 0 8k 0 7.5k 0 12k 21.5k 10k 7k 6.5k 0 0 75Ω 17k
电压(V) 18 29 0 1.5 0 0 0 5.9 4.7 3.2 3.5 0 0 0 0 19
5.FUSE401完好,整机无输出:此时应重点检查R454,R459的限值。当R454阻值变大或开路时,IC451将无启动电压。而R459阻值的变化将造成Q405驱动电压过小或主开关回路断开。另外当D452或D455开路时,IC451无正常工作电压,同样会无输出。
6.其它常见故障的检修:a.开机后机内发出“嗒嗒”声,整机无输出。这种现象通常是+24V电压异常,过压保护电路动作。与此相关的器件有IC401、PC401、IC451及外围有关元件。一般来讲PC401较少损坏(可用PC402互换试验)。由于在保护状态下无法进行动态测试,故除进行静态测量外(注意R412、R413阻值的准确),只有用相同的元件逐个代换以判明故障所在。IC401损坏后可用TL413C直接代换。b.+5V无输出。出现这种情况时可对IC402及外围元件进行检测。表2给出IC402正常时的静态阻值和动态电压值,图3给出了正常工作时IC402③和②脚的电压波形。这里同样必须注意取样电阻R432和R433阻值的准确及C435是否正常。
表2
引脚 1 2 3 4 5 6 7 8
电阻(黑笔地) 420Ω 3.6K 5.5K 0 1k 420Ω 420Ω 420Ω
电阻(红笔地) 950Ω 4.4k 8k 0 1k 950Ω 950Ω 950Ω
电压(V) 24 5.5 0.4 0 1.3 24 24 24

(熊熙烈)