我们经常会听到说,我国目前正重点发展“三金”工程,其中金卡工程中的金卡就是本文将要介绍的IC卡。
IC(Integrated Circuit)卡,即集成电路卡,又叫智能卡。它是一种微处理器与存储器合二为一的集成电路芯片嵌装于塑料基片内制成形同卡片的高科技产品,ISO标准规定IC卡的外型尺寸为85.6×54×0.76(mm),按发展方向及性能用途分,IC卡可分为5类:
1.存储器卡:它是由EEPROM构成,具有记忆功能,如电话卡。
2.加密存储器卡:是由带加密逻辑的EEPROM构成,具有记忆功能,可保密卡内数据。如:银行提款卡。
3.CPU卡(微处理器卡):这种卡除了带有加密逻辑的EEPROM外,卡内还带有微处理器(CPU)和I/O端口,具有数据处理运算能力,是目前发展前景看好的一种,因其具有运算处理能力,所以可制成一卡多用,如学生证IC卡:卡内可包括学生身份资料、学习成绩、图书借阅、出勤登记及校内小额消费等功能均可在一卡内实现。
4.射频卡(RFIC卡):卡中IC除了带加密逻辑EEPROM、CPU、I/O端口外,还带有射频收发装置及相关电路,是要求较高的环境中才使用的。它是一种无接触型IC卡,如高速公路收费系统:司机可无需停车,开车经过收费站即可实现自动收费。
5.超级IC卡:它是在以上几种IC卡的基础上增加键盘和LCD显示,可以把它看成是一个独立的微型计算机。这种IC卡目前尚在研制中。
上述1、2两种又叫存储IC卡,3、4、5三种为具有CPU的智能IC卡。存储卡比较简单,卡内只能存放一些数据,没有管理和处理数据的能力。现以带CPU的智能IC卡,讲述其工作原理。
智能IC卡的构成
CPU IC卡因不同公司生产,牌子、型号亦有多种,但其内部构造基本相似,按存储容量可分为:1K、2K、4K、8K、16Kbit等,主要采用EEPROM作为存储介质,根据需要还可使用PROM、ROM或RAM,IC内部结构如图1所示。

ISO规定IC卡上引出触点为8个,分别是电源VCC、地线GND、时钟CLK、输入输出端口I/O、复位RST、编程电源VPP和两个保留触点NC备用(可作特殊用途或自定义用途)。
安全性考虑:IC卡内具有保密逻辑和用户密码区并设有误码计数器,若试图对IC卡解密,则IC卡将会自锁甚至数据自毁,这样使IC卡不能复制,安全性极高,保证用户利益的安全。
当用户密码输入连续几次错误,误码计数器动作会将卡锁死,以防非法使用IC卡。
IC卡的应用
IC卡系统主要用于自动收费方面,证件系统及行政管理等领域,见下表:
领域 应 用 方 式
金融财务 现金卡,信用卡,预付卡,电子支票,资产管理卡,证券卡
零售服务 购物卡,信用卡,会员卡,礼品卡,订购卡
社会安全 人寿和意外保险卡,健康保险卡,年金卡,健康保险联合卡
交通旅游 登机卡,汽车保险/检查卡,座位保留卡,执照,旅游卡,房间卡,
车辆卡锁,停车卡,付费TV卡,高速公路付费卡,检查卡
医疗 检查卡,诊断图卡,血型卡,健康卡,妇产卡,病历卡,
保险卡,药方卡
通信 电话卡,公用电传视讯/传真卡,网络存取卡,电子信箱卡,操作
员卡,邮箱卡
政府行政 居民卡,户口名簿,印签卡,资格卡,免税卡,印鉴登记卡
教育 CAT卡,图书卡,学生证,报告卡,辅导卡,成绩卡
娱乐 电玩卡,卡拉OK卡,娱乐卡,成绩卡,戏院卡
OA 程式卡,保养卡,网络存取卡,操作员卡,品质控制卡,管理卡,工作卡,电话卡
其它 房间卡锁,个人记录卡,家庭安全卡,烹任卡
各种收费系统,如:公交、电信、医疗、娱乐行业的自动收费。
证件系统,如:身份证、通行证、学生证。
行政管理方面,如:考勤管理、工作证、个人档案等。
总之,IC卡可应用在各行各业中,前景非常广阔。
IC卡读写控制器(模块)
IC卡的应用系统多种多样,在此我们介绍一种可直接使用也可根据用户需求进行二次开发编程的袖珍型IC卡读写控制模块(ICM),利用此模块可方便容易地将现有产品升级,使产品支持IC卡的功能,如IC卡电话机,IC卡游戏机等,也可用来开发相应的IC卡应用系统。
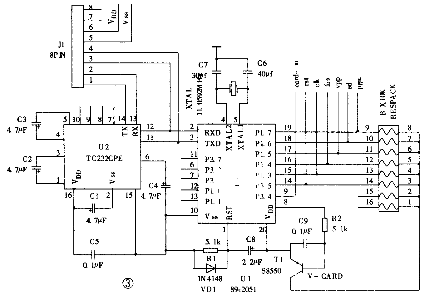
图2为ICM的电路框图。图3是RX1型ICM的电路图。图3中U1是CPU,U2是通信接口电平转换电路。CPU 14~19脚接IC卡适配器插座,引线含义如下:


RST:复位端;
CLK:时钟信号;
FUS:熔断丝电压提供(IC卡内PROM区编程时用);
Vpp:峰值电压提供(IC卡内E-PROM区编程时用);
SD:串行数据线;
PGM:编程电压提供(IC卡内用户存储区EEPROM存储操作时用)。通到IC卡适配器的还有:V\(_{DD}\)和VSS,即:IC卡的电源和地线。
CPU9脚:CARD-IN是IC卡插入状态检测,RESPACK是IC卡接口匹配网络,受CPU第8脚程控,当CPU9脚检测到插卡信号后,CPU 8脚输出低电平,使T1导通,向IC卡供电,这样,可防止在IC卡完全插入之前,向IC卡供电,损坏IC卡。
J1是该控制模块与外界电脑或单片机联系的端口,对此模块进行二次开发或与主机进行连接都经过J1端口。信号是采用RS232标准,串行数据传递方式,经U2电平转换后,送到U1 CPU内进行处理,CPU再将处理结果送给IC卡或经U2、J1反馈给主机,完成一个工作周期。
以上稿件由深圳市兰深实业有限公司提供,该公司可提供相应产品和技术。咨询电话:0755-6630072 传真:0755-6632191(张国鸿)