自制音箱在选定扬声器、设计好箱体尺寸后,就要根据单元的频响曲线来设计制作分频器。分频器的重要性是不可忽视的,它对音色、力度及高、中、低各声部的再现都有着举足轻重的作用。实际上为了减少相位失真及损耗,较简单的分频器往往能取得较好的效果。此外各扬声器的效率不尽相同,其平衡是最需要重视的。
对市售的分频器,笔者作了些比较,觉得一些厂家的产品,仅仅是用几个铝电解电容和很细的漆包线绕制的线圈,用这样的分频器的音箱,可能在一般音乐场所可免强使用(如中小学校教室、工厂的车间等),但不能达到Hi-Fi的要求。一些近年崛起的音响生产专业厂家,采用MKP电容和OFC铜线绕制的线圈组成的分频器是很出色的。但若是自制音箱,如不采用厂家提供的套件,仍需根据单元的特性,自己来重新设计,分频器切不可套用。
笔者设计的分频器电路用的是玄度S-11高音头和南鲸牌TD22O-8X低音扬声器作的二分频书架式闭箱。低音用-6dB/oct的一阶电感分音,高音用-12dB/oct二阶高通。高低音-6dB交叉,分频点为3000Hz分频点处有最佳的幅度和相位交叠。
(1)低音用-6dB/oct单元件时,L值与C值由下式求出:
L=\(\frac{159R}{f}\)\(_{c}\)(mH) C=159000;fcR(μF)
式中:(下同)
L——线圈电感值(mH) C——电容器容量(μF)
f\(_{c}\)——分频点的频率(Hz) R——扬声器标称阻抗(Ω)
参照表1可直接求出高通和低通回路的L值和C值,使用起来是很方便的。

(2)-12dB/oct 双元件时-3dB交叉时,可用下式求出:
L=\(\frac{355R}{f}\)\(_{c}\)(mH) C=113000;fcR(μF)
在给定某一分频点频率时,在高通和低通回路上可以用同值L和C元件,这是它的一个特点。
(3)高音用-12dB/oct (双元件型)-6dB交叉时,L值和C值由下式求出:
低通滤波回路
L=\(\frac{296R}{f}\)\(_{c}\)(mH) C=148000;fcR(μF)
高通滤波回路
L=\(\frac{170R}{f}\)\(_{c}\)(mH) C=85300;fcR(μF)
参照表2可直接求出高通和低通回路的L值和C值。

为了消除低音单元和高音单元由于输出声压级不同而造成的重放声音不平衡,使用两个电阻组成固定式衰减器见图1,进行有效的平衡调整。

在给定衰减量A时,电阻R\(_{1}\)和R2可用下式求出:
R\(_{1}\)=\(\frac{K-1}{K}\)R R2=1;K-1R
式中:K=10\(^{A}\)/20,A为所需衰减量(dB);R(Ω)——扬声器标称阻抗。
在计算出线圈的电感量后,再计算线圈的圈数。可用下式求出:
L=0.08D\(^{2}\)N23D+9b+10C
式中N为匝数;D为线圈的平均直径(cm);b为线圈的宽度(cm);C为线圈的厚度(cm);L线圈的电感(μH)。
表3为空心线圈参数速查表。

笔者在自制空心线圈时,自制了一个胎具,现介绍给大家,见图2。在计算完线圈的匝数后,可用线圈的外径和内径之差即为线圈的厚度,例如外径为45mm,内径为25mm,可取直径为35mm用φ35mm×3.14×匝数加上所需焊头为一个定数。根据这个数裁出线长,将胎具卡在绕线机上或手摇钻等其他可以绕线的工具上,在胎上每隔60°或90°贴上宽度为2mm的两面胶条或是棉线固定在胎具上,将线头穿出绕在轴上,将线排绕直至绕完,把胶条贴在线包上,拆时,将胞具左右转动退下。把空心线圈再用透明胶带贴好,固定好线头即可。所用电容根据计算的值采取多个电容并联或是用近似值。在购买时最好用数字万用表测量,数值应一致。有条件的可用万用电桥,测量电感和电容让它们一致性好。电阻一般要5~10W水泥电阻,误差在1%左右,这样做出的分频器一致性好、分频点准、相位差小。分频器的线路板可用环氧树脂的线路板。在铜箔面上最好镀一层锡,Bi—Wire星形接地。

分频器的各元件应牢固地安装在强度足够的线路板上,线圈可在板上打孔固定在线路板上,要彼此垂直放置以减少互感。
阻抗校正:扬声器的阻抗是随着频率变化的,为了使其阻抗近似保持恒定,需在分频器的低音输出端并联一个RC串联网络、对扬声器阻抗进行校正,其参数应满足如下关系:
R=R\(_{L}\),C=L/R\(^{2}\)L
式中R\(_{L}\)为扬声器标称阻抗,L为扬声器音圈电感。
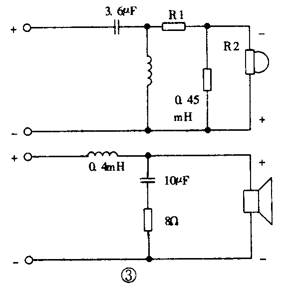
在线路板上应留出安装孔,以便在组装音箱时安装在箱体上。分频器与扬声器连接时一定要注意按规定相位联接,不可接反。否则会引起频响混乱,影响音质。分频器的调整,只需改变电容大小,即通过串、并联电容,可以方便地改变分频点的高低及分频曲线的状态。图3为设计好的分频器电路图(二分频)以供参考。(王伟)
